Выполненные проекты
Проект электрики дома площадью 133 м.кв. в Московской области
![]() |
![]() |
![]() |
![]() |
![]() |
![]() |
Объект: жилой дом индивидуальной застройки площадью 133 кв.м. в Сергиево-Посадском районе Московской области
Стоимость проекта электрики: 16 500 руб., стабилизированное и аварийное питание бесплатно.
Проект электрики дома выполнен: 22.04.2015
Состав проекта электрики дома:
Пояснительная записка. Общие данные по системе электроснабжения и освещения.
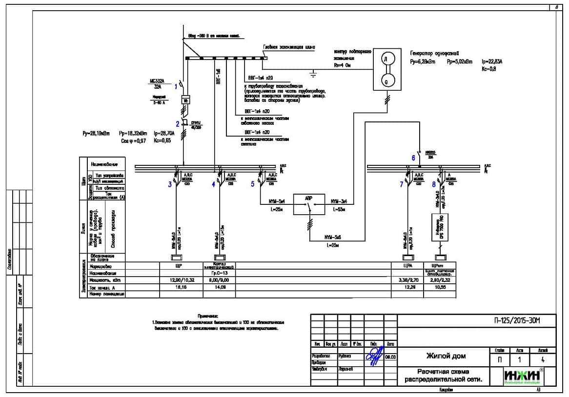
Однолинейные схемы вводного распределительного устройства распределительного щита.
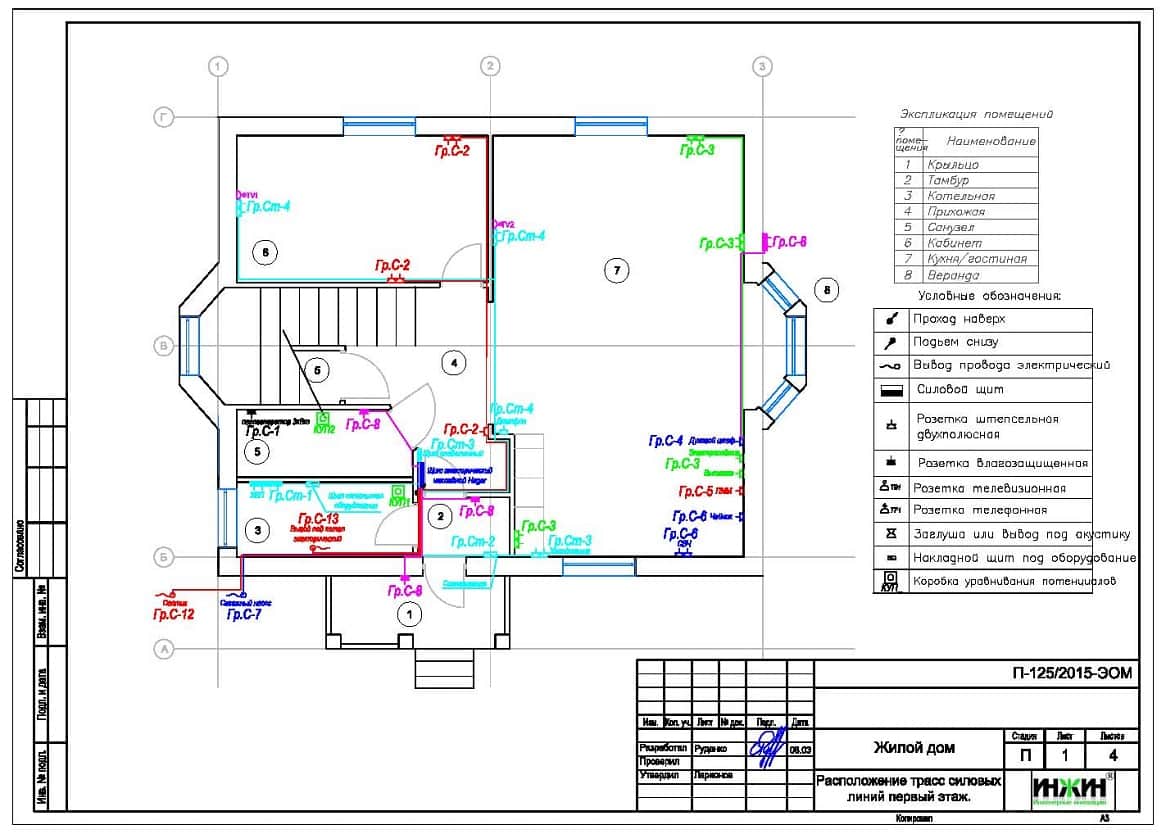
Поэтажные планы силовых электрических сетей (электропроводки).
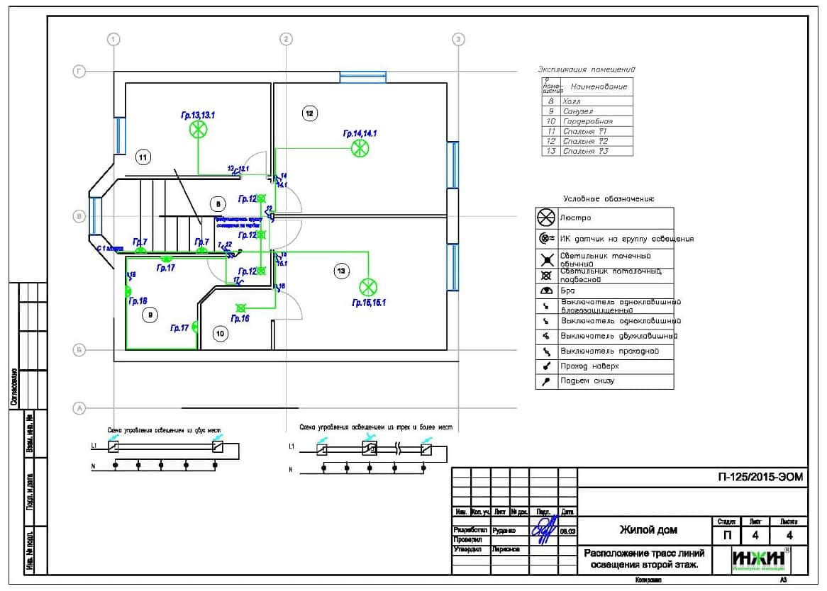
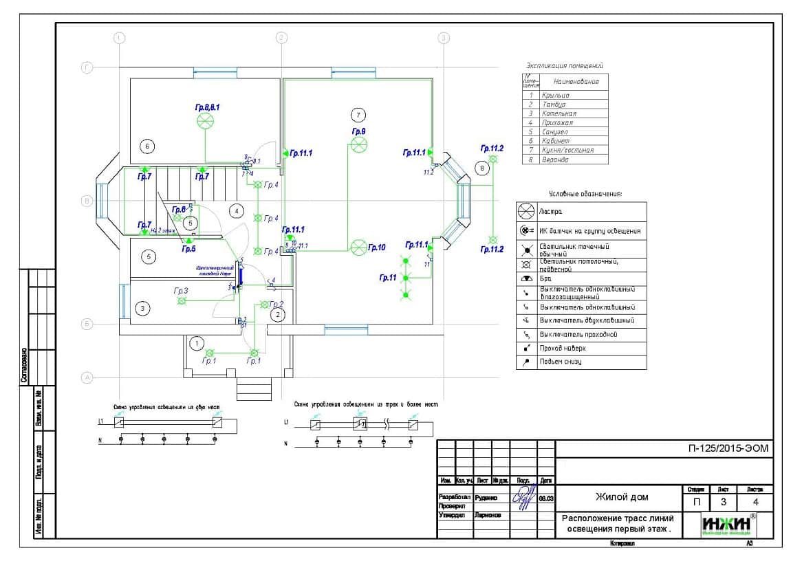
Поэтажные планы групповых осветительных сетей.
Схема системы заземления.
Спецификация материалов и оборудования по электрике.
Объем проекта: 17 листов.
Основные технические решения проекта электрики, в соответствии с заданием Заказчика.
Щиты электрические распределительные.
o Проектом предусмотрен щит, оснащенный 36-ю автоматами;
o Автоматические выключатели, дифференциальные автоматы и УЗО в щите - Hager;
o Корпус щита - Hager.
Силовая кабельная сеть (электропроводка).
o Проектом предусмотрено использование кабелей ВВГ нг -LS (Конкорд) с медными жилами в ПВХ-оболочке;
o Телевизионный кабель Cavel SAT 703 – 300 метров;
o Общая протяженность линий электроснабжения и освещения – 2 175 метров;
o Прокладка силовых линий предусмотрена скрытым способом, в пластиковой гофротрубе и металлорукаве (в виниловой изоляции).
o Предусмотрено 83 точки подключения розеток и выключателей.
Проектом предусмотрен комплект заземления Ezetek EZ 25,2.
К источнику резервного питания предусмотрено подключение освещения проходных зон, скважинного насоса, котельного оборудования, домофона и сигнализации.
Стабилизированным питанием обеспечиваются следующие потребители: оборудование котельной, холодильники, телевизоры.
|
|
Для этого таунхауса разработан проект отопления, водоснабжения и канализации |




















