Проекты котельных, отопления, водоснабжения и канализации для частных домов - выполняем по современным технологиям
Проекты отопления, водоснабжения и канализации для частных домов выполняются специалистами нашей компании с использованием современных технологий автоматизированного проектирования, которые позволяют сократить продолжительность проектирования при сохранении точности расчетов и подробности графических материалов (чертежей).
Используем программные продукты Oventrop OZC, Valtec, Uponor, Grundfos и Allklima.
Как мы проектируем отопление?
Выясняем потребности Заказчика по вопросам проекта системы отопления, консультируем по технике для котельных и систем отопления, предоставляем информацию о возможных вариантах и ее стоимости.
Заполняем опросный лист на проектирование отопления, водоснабжения и канализации.
Что включает в себя проект?
Пояснительная записка. Общие данные
Сведения о строении, общих технических решениях и результатах расчетов.Теплотехнический расчет
Подробные данные расчета теплопотерь по всем помещениям дома через ограждающие конструкции (наружные стены, пол, кровлю, окна и двери).Чертежи котельной
Тепломеханическая схема котельной с размещением оборудованияКомплект чертежей радиаторного отопления
Поэтажные планы дома с расстановкой радиаторов, коллекторов и указанием трубопроводов отопленияКомплект чертежей теплого пола
Поэтажные планы дома с изображением коллекторов и петель водяного теплого полаКомплект чертежей водопровода и канализации
Поэтажные планы дома с размещением коллекторов водопровода, указанием трубопроводов водоснабжения и канализации.Спецификация оборудования
Содержит перечень основного оборудования, расходные материалы указываются комплектами.Проект отопления, водоснабжения и канализации, выполняемый нашей компанией в подробностях
Пояснительная записка проекта котельной, отопления, водоснабжения и канализации
Содержит сведения об основных технических решениях по индивидуальной котельной, системе отопления, водоснабжения и канализации, принятых в проекте, об итогах расчетов по каждой из проектируемых систем.
Общие данные.
Указывается объект проектирования – частный жилой дом индивидуальной застройки (частный дом) или таунхаус (секция блокированного жилого дома). Также приводятся сведения о задании на проект отопления, о расчетных температурах наружного воздуха (в зависимости от региона) и воздуха внутри помещений проектируемого объекта (в зависимости от нормативных требований и пожеланий Заказчика).
Основные показатели по отоплению и теплоснабжению.
Таблица с расчетными данными по расходу тепла на отопление, вентиляцию, горячее водоснабжение, для других потребителей (вентиляции, бассейна, хаммама, дополнительных строений - в соответствии с заданием на проект отопления). Также приводятся сведения об общем и удельном (Вт/м.куб.) расходе тепла по объекту. Приводимые данные являются результатом проведенного теплового расчета отопления частного дома или коттеджа.
Индивидуальная котельная частного дома.
В разделе указываются:
- место расположения котельной (теплогенераторной);
- марка и мощность выбранного котла отопления;
- основной вид топлива, наличие резервных источников топлива (резервных котлов отопления);
- способ отводов продуктов сгорания котельной – естественный или принудительный;
- размещение, тип и материал используемого дымохода;
- способ приготовления горячей воды – накопительный, при помощи внешнего или встроенного бойлера, проточный, при помощи теплообменники двухконтурного котла;
- используемый магистральный коллектор котельной и предусмотренные контуры теплоснабжения (отопление, теплый пол, бойлер, теплообменник бассейна, вентиляции, хаммама и т.п.);
- теплоноситель в системе отопления и отдельных контурах (с раздельным теплообменником), тип подпитки отопления – ручная или автоматическая;
- предусмотренная автоматика котельной, ее производитель и выполняемые функции, включая погодное управление отоплением, управление контурами, дистанционное управление и т.п.
Система радиаторного отопления.
В разделе проекта указываются:
- схема системы отопления – коллекторно-лучевая или двухтрубная (устаревшие однотрубные системы отопления не проектируем), с принудительной или естественной циркуляцией теплоносителя;
- температурный график системы отопления, для частных домов обычно 80/60°С (подача +80, обратная линия +60);
- предусмотренные приборы отопления (панельные, секционные радиаторы, дизайн-радиаторы, напольные, настенные и встроенные в пол конвекторы), способ подводки к ним теплоносителя (снизу, сбоку, из пола, из стены, открыто);
- способ размещения радиаторов и конвекторов отопления в помещении (открыто на стенах, в нишах стен, за декоративными экранами,, на полу, в полу);
- тип присоединительных устройств и устройств для удаления воздуха из системы отопления;
- материал (металлопластик, полиэтилен, полипропилен) и производитель (Rehau, Valtec, Oventrop и т.п.) трубопроводов отопления;
- способ прокладки (открыто, скрыто) и утепления труб отопления;
- тип и устройства регулирования отопления в помещениях (ручные терморегуляторы или электронные термостаты).
Система водяных теплых полов.
В разделе проекта по водяному теплому полу указываются:
- расчетная температура поверхности теплого пола;
- температурный график контура теплого пола, обычно 40/35°С;
- источник теплоснабжения контура теплого пола (отдельный контур котельной, контур отопления или рециркуляции горячей воды);
- материал и производитель трубопроводов теплого пола (обычно – полиэтилен различных производителей);
- способ монтажа греющих контуров (или петель) теплого пола (в стяжке пола, в «сухой» конструкции);
- способ регулирования температуры теплых полов (общее управление контуром котельной или зональное, по помещениям)
- материал основания для теплого пола (специальные маты, рулонный утеплитель, арматурная сетка и т.п.).
Система водяных полотенцесушителей.
Указывается источник теплоснабжения водяных полотенцесушителей (отдельный контур котельной или рециркуляция горячей воды), материал трубопроводов и температурный график (в зависимости от источника теплоснабжения). Модель полотенцесушителя выбирается Заказчиком и в проекте отопления не указывается. При тепловом расчете отопления учитывается мощность единичного полотенцесушителя в размере 150 Вт (если заданием на проектирование отопления не указано иное).
Основные показатели по водоснабжению и канализации.
Таблица с расчетными данными по расходу воды на хозяйственно-бытовые цели и расходу бытовых сточных вод. Указываются суточный, часовые и секундные расходы воды в м.куб.
Внутренний водопровод.
Указывается в разделе водоснабжения:
- проектная схема внутреннего водопровода (коллекторная, тройниковая), с рециркуляцией горячей воды или без неё;
- источник холодной воды, используемые приборы учета воды (счетчики), запорные и фильтрующие элементы;
- источник горячей воды (накопительный бойлер, двухконтурный котел);
- указывается возможность подключения системы химической очистки воды. Система очистки воды подбирается в соответствии с результатом анализа воды, перечень и состав оборудования в проекте не указывается (предусматривается место для последующей установки);
- материал и производитель трубопроводов водоснабжения, способ их прокладки и утепления.
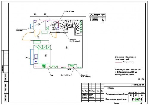
Внутренняя канализация.
Приводится способ отвода сточных вод (безнапорный или напорный), тип наружных сетей (центральная канализация, септик), материал трубопроводов, способ их прокладки и изоляции. Указывается способ вентиляции (через фановые стояки или вакуумные клапана), а также используемое напорное оборудование (канализационно-насосные станции), канализационные трапы и лотки.
Указания по монтажу.
Приводятся нормативные документы, в соответствии с которыми выполняется монтаж отопления, водоснабжения и канализации в частном доме. Указываются также:
- подготовительные мероприятия, которые должны быть выполнены на объекте перед началом монтажных работ по отоплению в частном дом;
На заметку: статья «На что обратить внимание перед монтажом отопления в Вашем доме. Практические советы».
- способы прокладки трубопроводов отопления, водопровода и канализации через стены и перекрытия строения;
- необходимые строительные фундаменты и усиления для размещения оборудования системы отопления;
- технология крепления трубопроводов и элементов систем отопления, водоснабжения и канализации, расстояния между средствами крепления на горизонтальных и вертикальных участках.
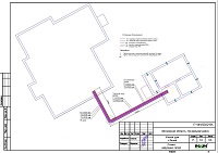
Проект отопления, водоснабжения и канализации - чертежи основного комплекта
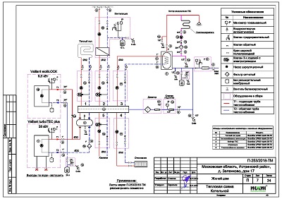
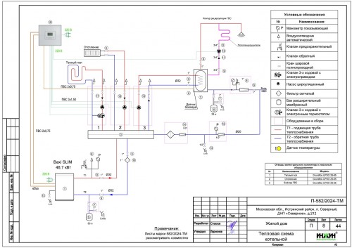
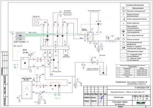
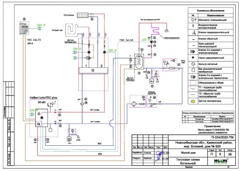
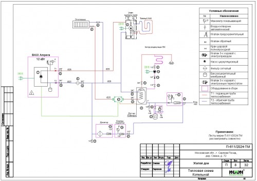
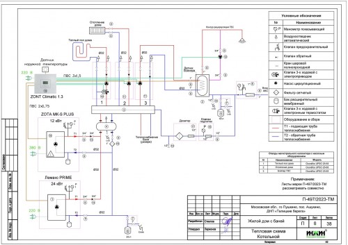
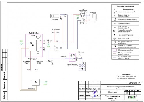
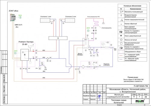
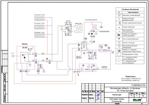
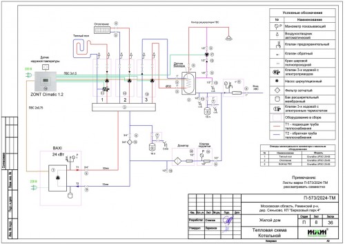
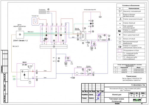
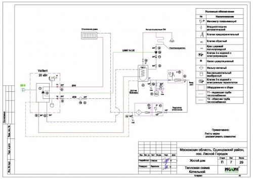
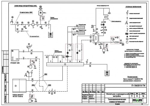
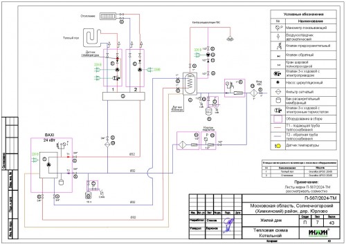
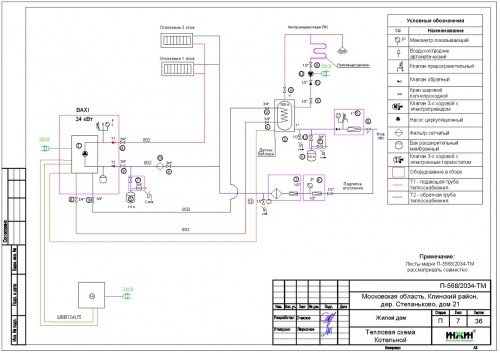
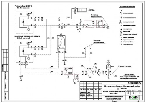
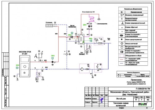
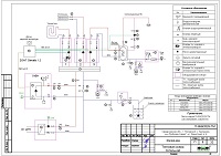
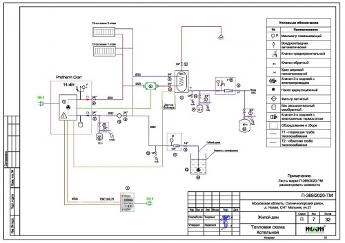
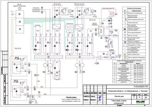
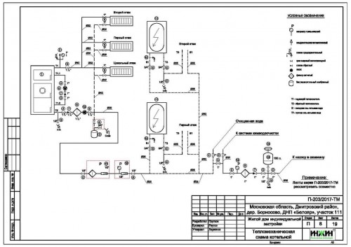
Котельная дома. Тепловая схема, размещение оборудования.
Проект котельной содержит два чертежа, которые рассматриваются совместно и содержат:
- принципиальную (тепломеханическую) схему подключения оборудования котельной, с указанием контуров теплоснабжения, циркуляционных насосов, запорно-регулирующей арматуры (обратные клапаны, фильтры, краны);
- схему размещения оборудования в помещении котельной, с указанием размеров и габаритов;
- схему монтажа газохода со спецификацией;
- краткую спецификацию оборудования котельной (котлы, бойлеры, расширительные баки, коллекторы, насосы, краны, фильтры, клапаны, краны, группы безопасности и блоки автоматики);
- ведомость потребителей электроэнергии оборудованием котельной.
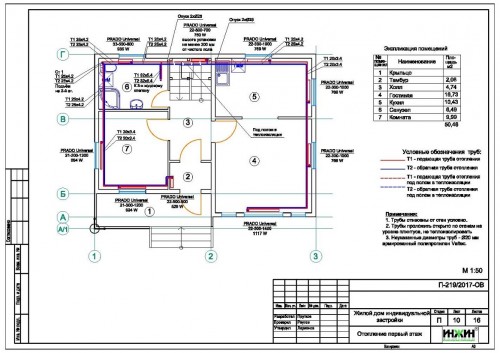
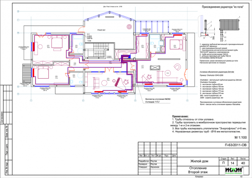
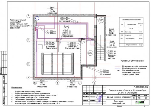
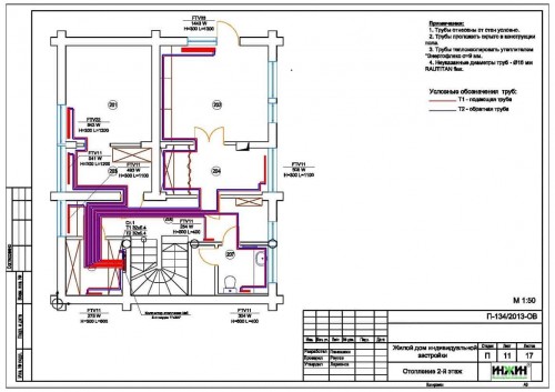
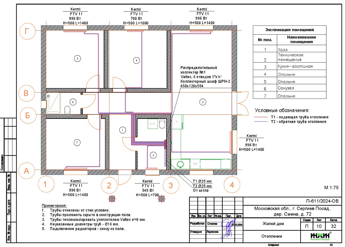
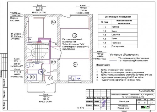
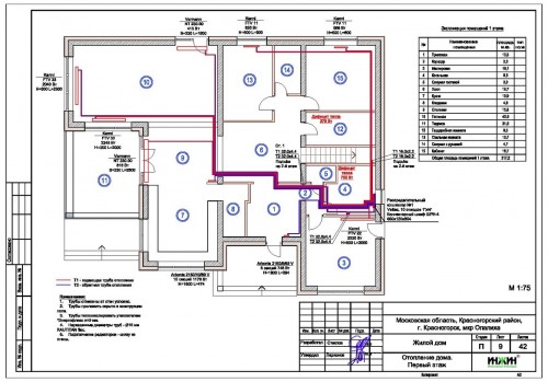
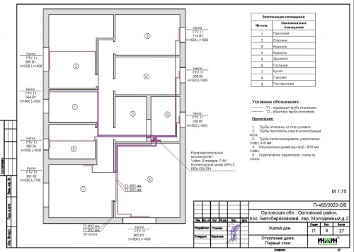
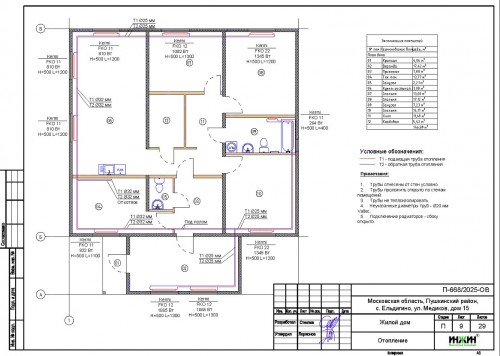
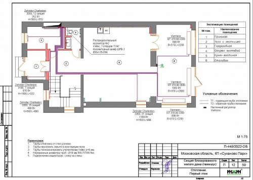
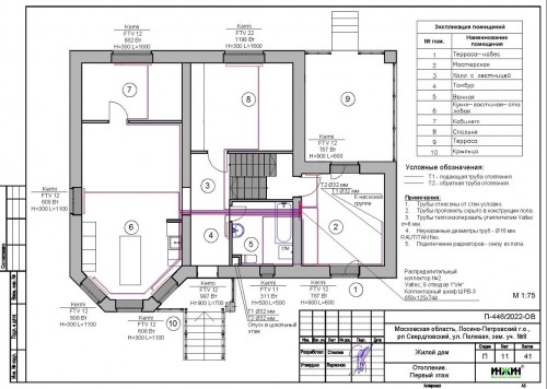
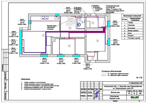
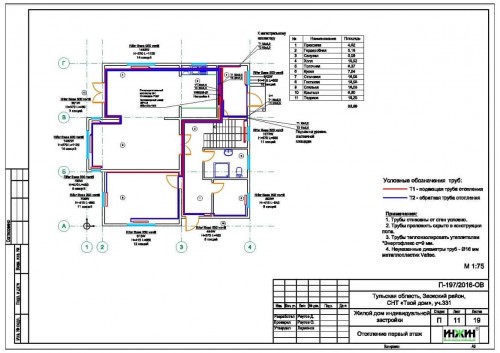
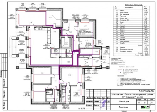
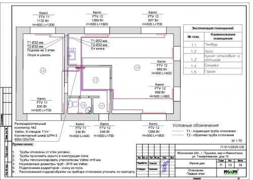
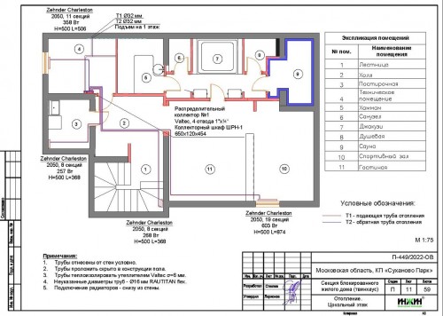
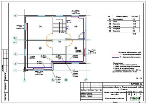
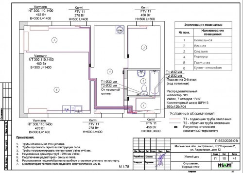
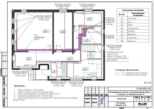
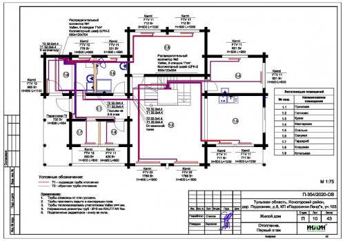
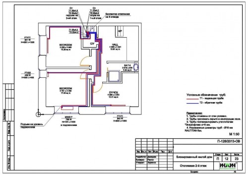
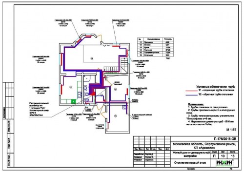
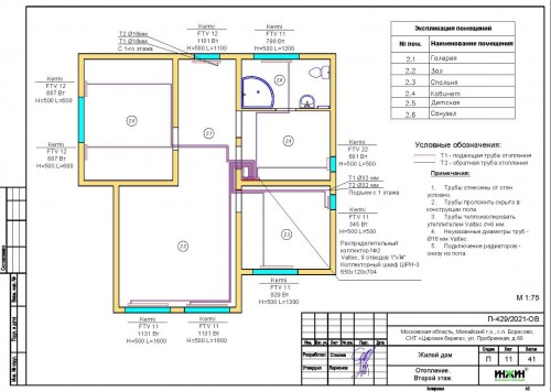
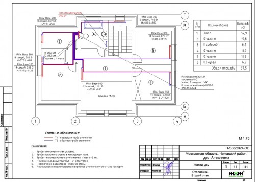
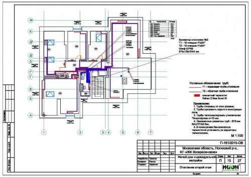
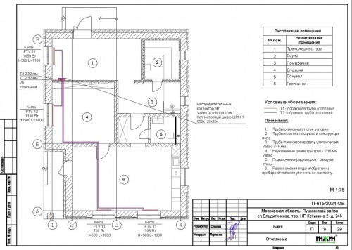
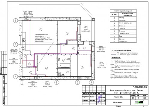
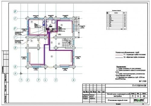
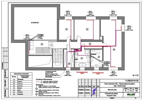
Отопление частного дома (проект отопления).
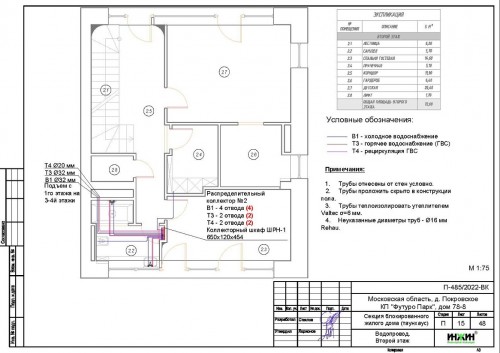
Чертежи поэтажных планов дома с изображением размещения приборов, трубопроводов и распределительных коллекторов отопления, на которых указываются:
- модели и теплоотдача выбранных приборов отопления в каждом помещении;
- количество отводов коллекторов отопления, типы коллекторных шкафов (встроенные, пристроенные);
- материал подводящих трубопроводов отопления и их изоляции;
- магистральные трубопроводы (стояки) отопления, их подъемы и опуски по этажам частного дома;
- диаметры подводящих труб отопления и способ их прокладки (скрыто, открыто, по стенам, с полу, под потолком, в плинтусной системе);
- устройства электронного управления отоплением (если есть), их размещение в помещениях.
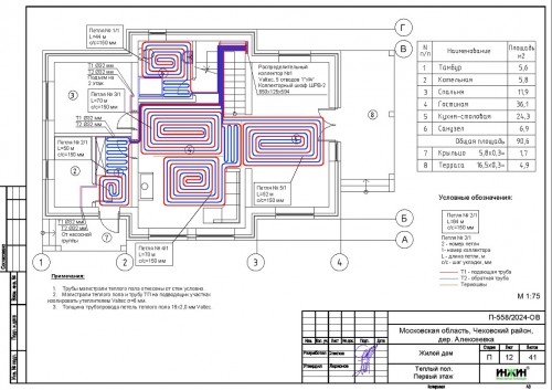
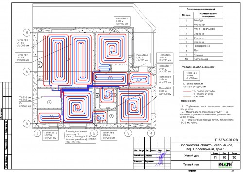
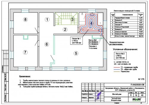
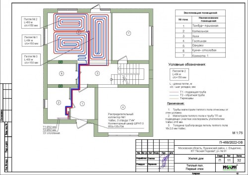
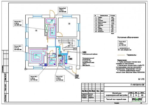
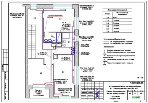
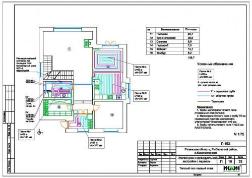
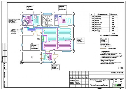
Теплый пол (водяной).
Чертежи помещений с водяным теплым полом, на которых указывается:
- конфигурация и обозначение петель водяного теплого пола, длина труб каждой петли;
- коллекторы и коллекторные шкафы для теплого пола;
- схема расположения термошвов;
- материал трубопроводов магистралей и петель водяного теплого пола, способ их прокладки и изоляции, диаметры труб;
- устройства зонального регулирования температуры поверхности пола по помещениям (если есть).
Полотенцесушители (водяные).
Отдельные чертежи полотенцесушителей разрабатываются только в случае использования для их теплоснабжения отдельного контура котельной. При реализации полотенцесушителей на рециркуляции горячей воды, их размещение указывается на соответствующих чертежах водоснабжения.
На заметку: статья «Полотенцесушители в частном доме. Варианты технических решений»
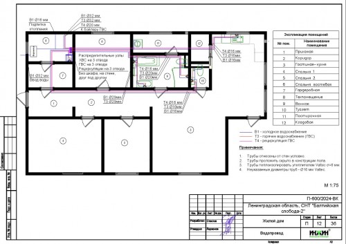
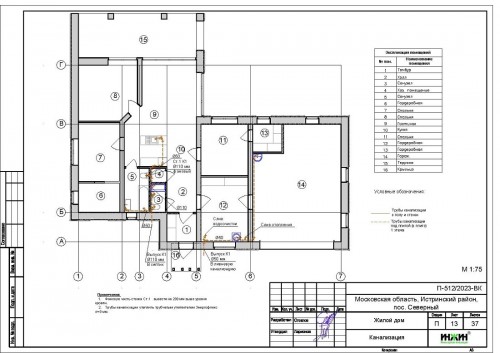
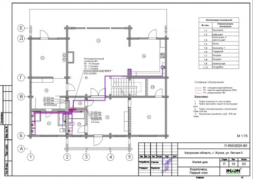
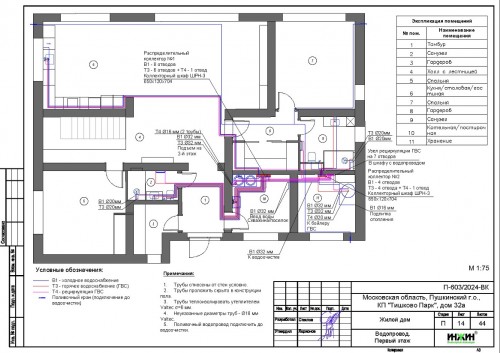
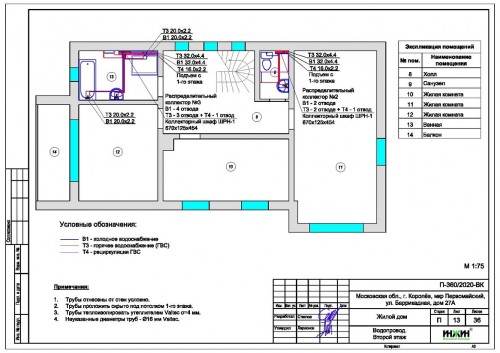
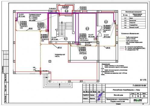
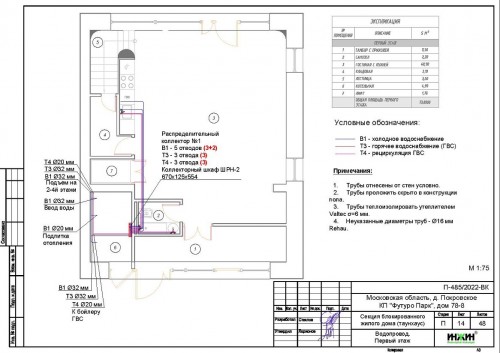
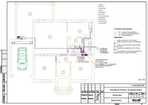
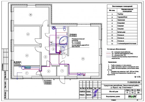
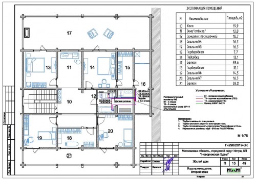
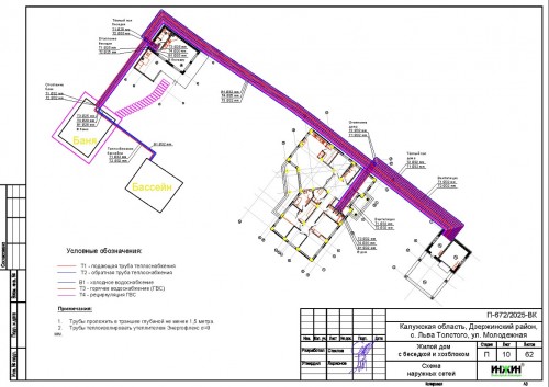
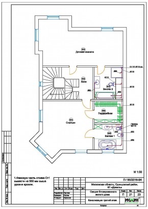
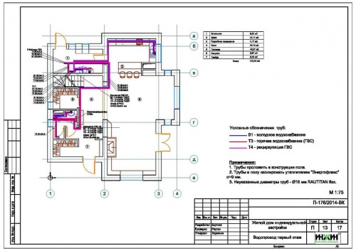
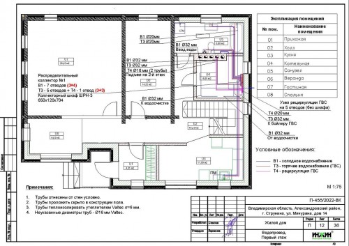
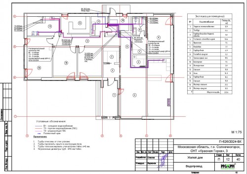
Водопровод.
Чертежи поэтажных планов с помещениями, в которых размещаются точки водоснабжения (санузлы, кухни, бассейны, душевые). На чертежах указываются:
- трассы прокладки трубопроводов, способ монтажа (скрыто, открыто);
- диаметры, материал и производитель трубопроводов водоснабжения, материал и толщина изоляции;
- ввод водопровода в дом, место подключение системы очистки воды (если предполагается);
- расположение распределительных коллекторов и шкафов водопровода;
- размещение наружных кранов для летнего водопровода.
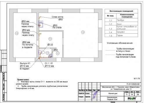
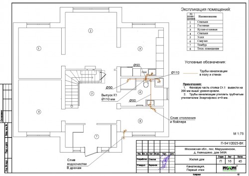
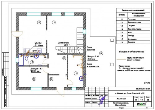
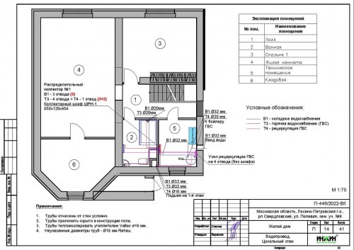
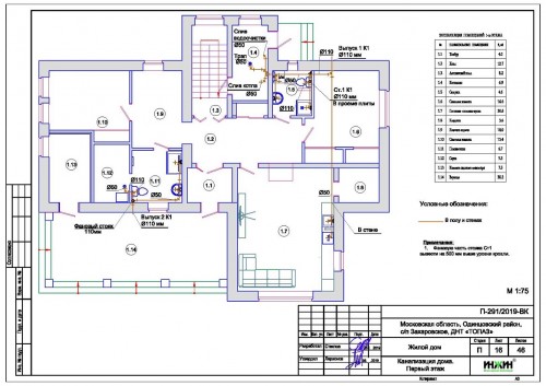
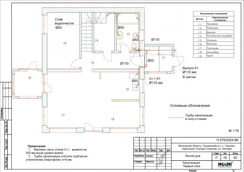
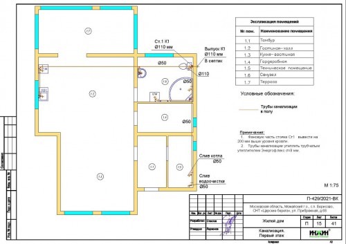
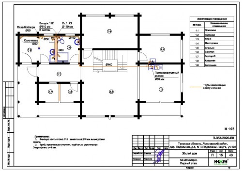
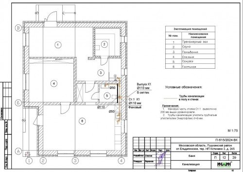
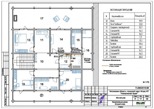
Канализация.
Чертежи трубопроводов внутренней канализации с указанием:
- места выпуска канализации из дома в наружную сеть;
- мест прокладки стояков и горизонтальных участков канализации, с указанием диаметров труб и уклонов их прокладки;
- размещения фановой части стояков и вакуумных клапанов (при наличии);
- аксонометрической схемы системы канализации.
Типовые узлы систем отопления, водоснабжения
Выполняются чертежи типовых узлов систем отопления и водоснабжения:
- подсоединения радиаторов и конвекторов отопления к подводящим трубопроводам;
- подключения точек водоснабжения (сантехнических приборов);
- подключения коллекторов отопления, водоснабжения и водяного теплого пола;
- схема укладки водяного теплого пола («пирог» пола);
- прокладки трубопроводов отопления, водопровода и канализации в строительных конструкциях дома (в полах и стенах, через наружные стены и перекрытия).
Спецификация оборудования
Разрабатывается отдельно по каждому разделу проекта отопления, водоснабжения и канализации и содержит перечень оборудования и материалов с указанием производителя, артикулов и количества, в том числе:
- основные и резервные котлы отопления, емкости для топлива (при необходимости);
- бойлеры для приготовления горячей воды;
- расширительные баки котлов, отопления и водоснабжения;
- накопительные и буферные емкости;
- блоки автоматики и управления котельной;
- магистральные коллекторы и насосные группы;
- циркуляционные насосы для отопления, теплого пола и других контуров теплоснабжения и циркуляции горячей воды;
- запорные и сливные краны, фильтры, обратные клапаны, воздухоотводчики;
- группы безопасности котлов и бойлеров, контрольно-измерительные приборы системы отопления и котельной;
- комплекты дымоходных труб котельной;
- перечень радиаторов и конвекторов отопления;
- все трубопроводы отопления, водоснабжения, канализации и теплого пола, отдельно по каждой системе и диаметру;
- трубчатый утеплитель и основание для теплого пола;
- распределительные коллекторы и шкафы отопления, теплого пола и водоснабжения (для коллекторной схемы);
- элементы автоматики регулирования отопления и теплого пола;
- канализационно-насосные станции, канализационные трапы и лотки;
- расходные материалы по системам отопления, водоснабжения и канализации канализации, трубопроводные фитинги и крепежные элементы указываются комплектами.
Тепловой расчет отопления
Выполняется в автоматизированной программе Oventrop OZC, по каждому помещению отдельно и всему строению в целом, результаты теплового расчета отопления включаются в проект отопления в виде подробного отчета. При расчете отопления учитываются:
- материал, толщина и площади всех наружных ограждающих конструкций (стен, полов, кровли, окон и дверей);
- площади и объем помещений дома или таунхауса;
- показатели температуры наружного воздуха и воздуха внутри помещений, заданные в ТЗ на проект отопления;
- расположение здания на участке по сторонам света;
- дополнительные теплопритоки от котельного оборудования, теплого пола и полотенцесушителей;
- расходы тепла на естественную вентиляцию (инфильтрацию воздуха).
Результатами теплового расчета являются теплопотери по помещениям и по зданию в целом. На основании результатов расчетов теплопотерь по помещениям производится подбор номиналов приборов отопления (тип которых задан в ТЗ). Общие результаты (по зданию) приводятся в пояснительной записке к проекту отопления.
Полезные статьи "на заметку" потребителю
Что нужно знать об отоплении Вашего дома? Пояснения к опросному листу на проект отопления.
Что нужно знать об индивидуальной котельной? Пояснения к опросному листу на проект котельной.
Размещение и оборудование помещения котельной в доме.
Цена современного отопления частного дома – от чего зависит?
Варианты комплектации систем отопления, водоснабжения и канализации, разработанные в нашей компании.
Советы по оборудованию системой отопления, водоснабжения и канализации частного дома с бассейном.
Полотенцесушители в частном доме. Варианты технических решений.
-
Проект отопления дома в Ульяновской области
04 марта 26
-
Проект отопления дома в Краснодаре
04 декабря 25
-
Проект отопления дома в Химках
17 ноября 25
-
Проект отопления дома в Республике Алтай
28 октября 25
-
Проект отопления дома в КП "Сувонтоярви 2"
19 сентября 25
-
Проект отопления дома в г. Полевской (114 м.кв.)
02 сентября 25
-
Проект отопления дома в пос. Повадино (188 м.кв.)
25 февраля 26
-
Отопление банного комплекса в Екатеринбурге, проект
04 февраля 26
-
Проект отопления дома 209 м.кв. с гаражом в г. Жуков
22 января 26
-
Отопление дома площадью 289 м.кв. в Сочи, проект
17 декабря 25
-
Проект отопления дома в СНТ «Красная Горка»
12 августа 25
-
Проект отопления дома в Москве (269 м.кв.)
14 октября 25
-
Проект отопления комплекса строений 455 м.кв.
26 сентября 25
-
Проект отопления дома в ДНП «Северное» (337 м.кв.)
18 ноября 24
-
Проект отопления дома 338 м.кв. (с отдельной баней)
10 ноября 23
-
Проект отопления дома 573 м.кв. с отдельным гаражом
27 декабря 24
-
Отопление дома 582 м.кв. в Истринском районе, проект
28 декабря 21
-
Проект отопления дома 524 м.кв. в Сходне
04 мая 21
-
Проект отопления частного дома, пример 2570
18 марта 2026 -
Проект отопления частного дома, пример 2570
18 марта 2026 -
Проект отопления частного дома, пример 2569
18 марта 2026 -
Проект отопления частного дома, пример 2569
18 марта 2026
-
Проект отопления, пример 655
10 января 2016 -
Проект отопления частного дома 1152
26 мая 2019 -
Пример проекта отопления 47
23 мая 2014 -
Проект отопления частного дома, пример 2539
01 ноября 2025
-
Проект отопления таунхауса, пример 1368
19 августа 2020 -
Проект отопления дома, пример 826
07 сентября 2016 -
Проект отопления частного дома, пример 2055
13 февраля 2024 -
Проект отопления частного дома, пример 1700
24 января 2022































