Выполненные проекты
Проект электрики дома площадью 291 м.кв.
Объект: частный жилой дом индивидуальной застройки площадью 291 м.кв., расположенный в дер. Кишлеево Владимирской области
Стоимость проекта электрики: 32 010 руб., проект аварийного питания бесплатно.
Проект электроснабжения и освещения выполнен: 30.01.2013
Состав проекта электрики дома в дер. Кишлеево Владимирской области:
Пояснительная записка. Общие данные по электроснабжению дома во Владимирской области
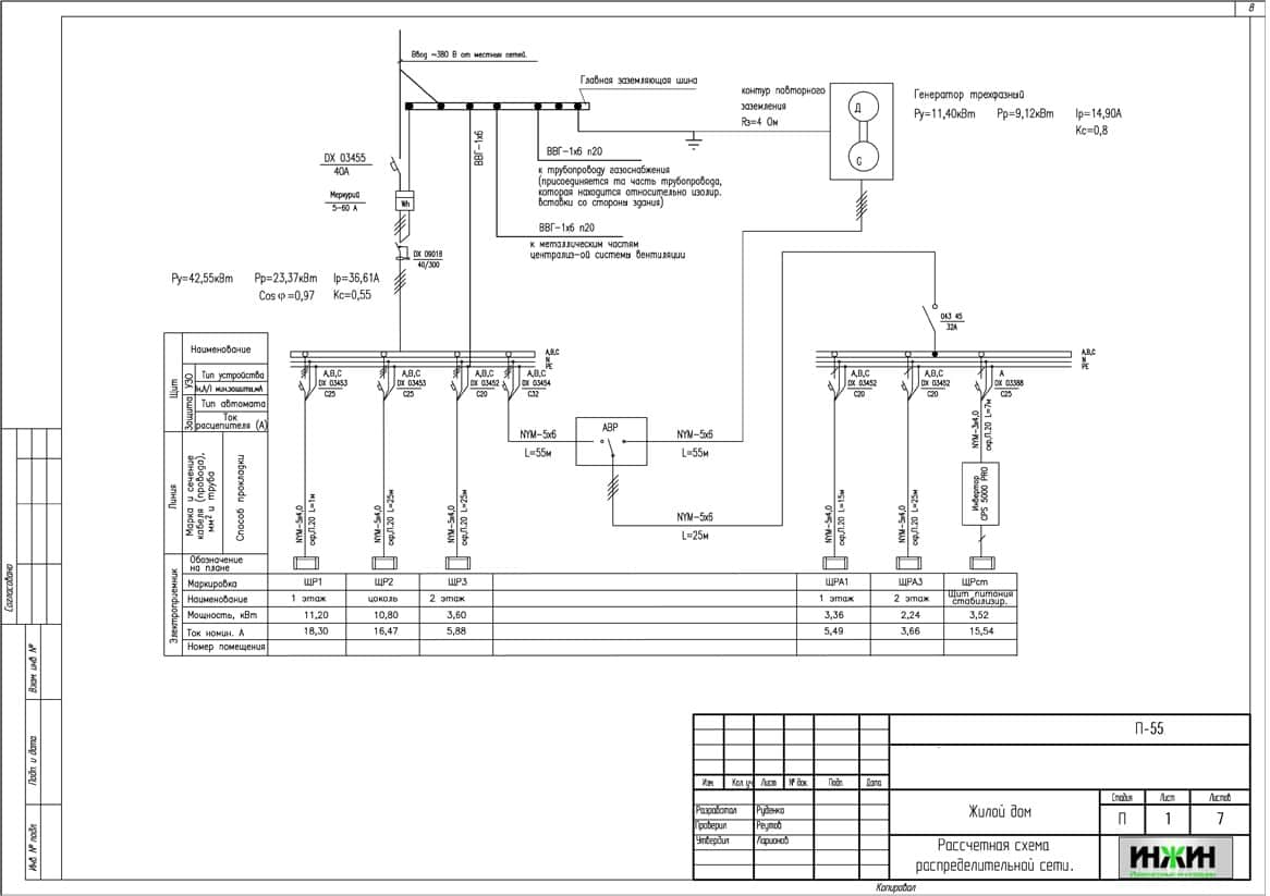
Однолинейные схемы вводного распределительного устройства и поэтажных распределительных щитов.
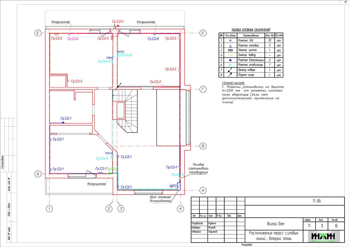
Поэтажные планы силовых электрических сетей (электропроводки).
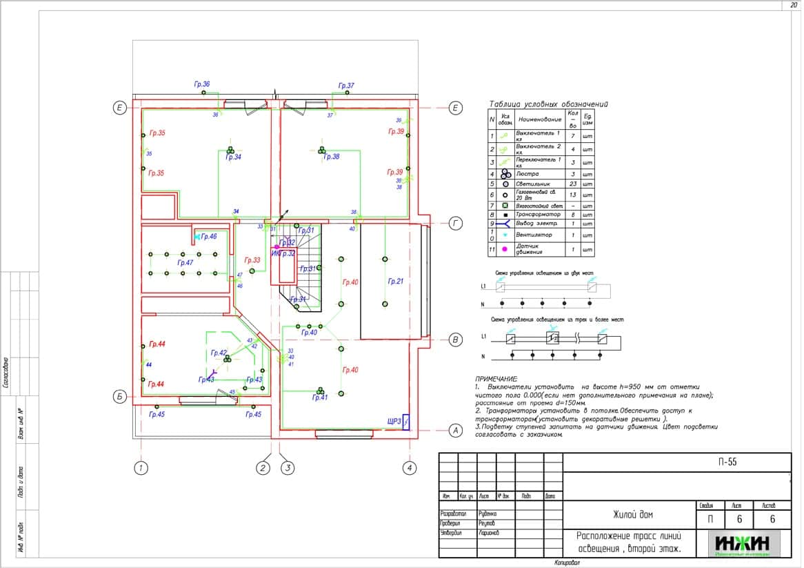
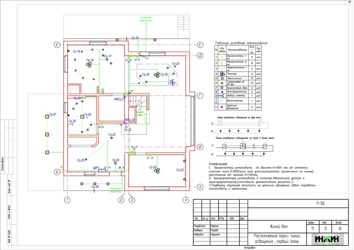
Поэтажные планы групповых осветительных сетей.
Схема системы уравнивания потенциалов.
Спецификация материалов и оборудования по электроснабжению дома во Владимирской области.
Объем проекта электрики: 28 листов.
Основные технические решения проекта электроснабжения и освещения (электрики), в соответствии с заданием Заказчика.
Электрощиты.
o Проектом предусмотрено 7 щитов, оснащенных 68-ю автоматами;
o Автоматические выключатели, дифференциальные автоматы и УЗО в щитах - Legrand;
o Предусмотрен щит стабилизированного электропитания с 11-ю автоматами;
o Корпуса щитов - Legrand и ABB, накладные.
Электропроводка (электрокабели).
o Проектом предусмотрено использование кабелей NYM (Севкабель) с медными жилами в ПВХ-оболочке;
o Общая протяженность линий электроснабжения и освещения – 4 750 метров;
o Прокладка силовых линий предусмотрена скрытым способом, в металлической гофротрубе;
o Дополнительно предусмотрены телевизионные линии, кабель SAT 703, общая длина 400 метров.
Заземление частного дома.
Для защиты людей от поражения электрическим током при повреждении изоляции проектом предусмотрена реализация контура заземления.
Стабилизированное электропитание.
Проектом предусмотрен источник стабилизированного питания, к которому подключены:
o Система охранно-пожарной сигнализации;
o Телефоны и спутниковое телевидение;
o Домофон;
o Аудио- и видеоаппаратура, телевизоры, домашний кинотеатр;
o Холодильник;
o Газовый котел отопления.
Резервное электропитание.
Проектом предусмотрено резервное электропитание, к источником которого служит дизель-генератор. К аварийному питанию подключены:
o Оборудование, подключенное к стабилизатору;
o Освещение в проходных зонах на лестницах, в холлах, в спальнях и на кухне;
o Скважный насос, КНС и септик;
o Освещение въездных ворот и периметра участка;
o Въездные ворота.
На вводе в здание проектом предусмотрена система уравнивания потенциалов путем объединения следующих проводящих частей: основного магистрального защитного проводника (4-я PEN жила питающего кабеля), основного заземляющего проводника от заземляющего устройства, стальных труб коммуникаций, металлических частей строительных конструкций, вентиляции и кондиционирования.



















