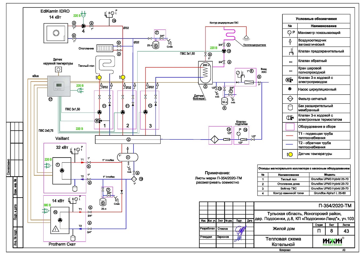
+7(495)410-12-00  ПН - ПТ: 9:00 - 18:00 info@eng-in.ru