Дома до 150 м.кв.
Дома 151-300 м.кв.
Дома 301-500 м.кв.
Дома свыше 500 м.кв.
ДЛЯ ЧАСТНЫХ ДОМОВ И ТАУНХАУСОВ
ПРОЕКТЫ ЭЛЕКТРИКИ
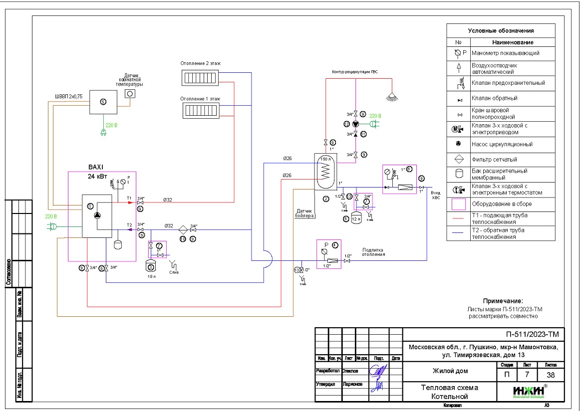
ПРОЕКТЫ ОТОПЛЕНИЯ