Проекты отопления - примеры
Примеры проектов и чертежей отопления
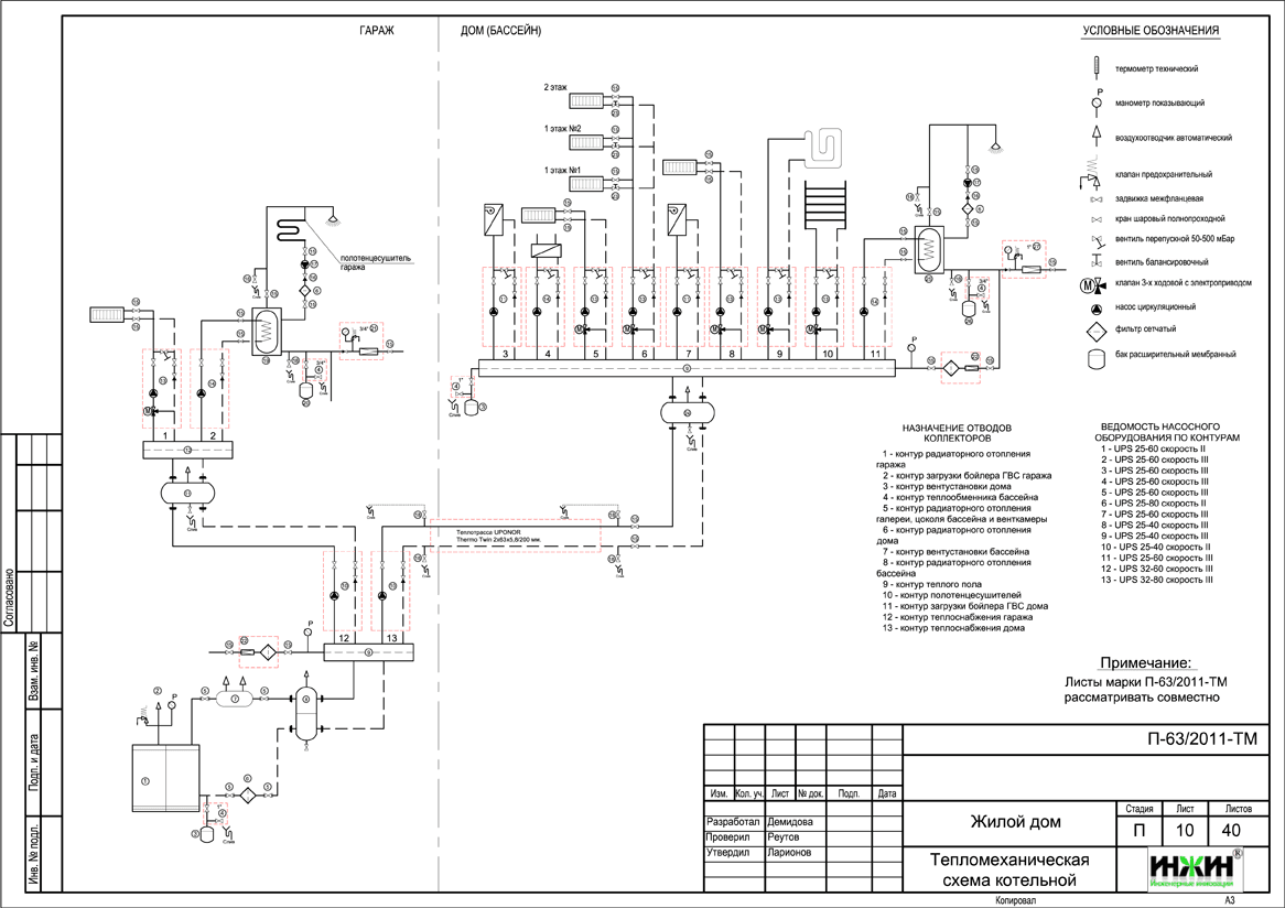
Примеры чертежей проектов котельных, отопления, водоснабжения и канализации выполненных для частных домов и коттеджей в Московской, Рязанской, Владимирской, Тульской, Тверской, Нижегородской, Калужской, Ивановской, Сахалинской и Ярославской областях. Публикуемые проекты отопления, водоснабжения и канализации выполнены в соответствии с действующими нормами и правилами, на основании исходных данных и задания Заказчика.



































