Статьи "на заметку"
Заполнение опросного листа на проект отопления. Инструкция
Разработка проекта отопления, водоснабжения и канализации для Вашего дома в нашей компании начинается с заполнения Опросного листа. Он содержит в кратком виде вопросы, ответы на которые описывают потребности по оснащению Вашего дома системами отопления, водоснабжения и канализации, а также описывают основные технические характеристики этих систем. Заполнение опросного листа обязательно перед заключением договора на проект. Ниже приведена инструкция по заполнению всех пунктов, указанных в опросном листе нашей компании.
В "шапке" опросного листа указывается информация (в соответствующих строках):
- дата заполнения опросного листа;
- полные фамилия, имя и отчество Заказчика (на имя которого будет оформляться договор на проектирование);
- контакты Заказчика - телефон/электронная почта;
- адрес объекта проектирования;
- дополнительные контакты, при необходимости (члены семьи, представители, дизайнеры/архитекторы).
1. Заполнение раздела "1. Общие сведения по дому":
- раздел заполняется исключительно Заказчиком;
- указать общую площадь дома, отапливаемую - без площадей балконов, террас и других неотапливаемых помещений;
- указать ориентацию здания по сторонам света, для чего достаточно указать ориентацию входной группы (в какую сторону света "смотрит" входная дверь);
- указать высоты помещений по каждому этажу (включая переменную высоту мансардных этажей);
- указать наличие панорамного остекления (окон "в пол"), а также производителя/модель окон;
- указать материал и толщину (в миллиметрах) плиты первого (или цокольного) этажа, наружных стен и кровли, а также материал и толщину (в миллиметрах) изолирующих материалов (утеплителя), если используются;
- отметить месторасположения котельной (отдельное строение или помещение внутри дома);
- отметить наличие дополнительных отапливаемых строений (баня/гараж/гостевой дом и т.п.).
2. Заполнение раздела "2. Требования к системе отопления, водоснабжения и канализации":
- раздел заполняется совместно со специалистом (при очной встрече в нашем офисе, по телефону или электронной почте), время осуждения согласовывается;
- можно заполнить раздел самостоятельно в той части, которая понятна и не вызывает вопросов (в последующем можно уточнить со специалистом).
Отопление:
- требуемая расчетная температура указывается в градусах Цельсия;
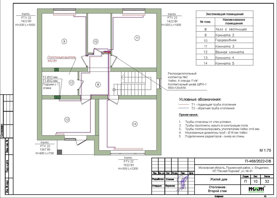
- тип радиаторов отопления, схема разводки трубопроводов, схема подключения радиаторов указывается если есть предпочтения, описание этих вопросов приведено в статье "Что нужно знать об отоплении Вашего дома";
- размещение радиаторов отопления открыто на стенах или в нишах стен (если такие ниши выполнены в стенах под окнами);
- материал трубопроводов указывается, если есть предпочтения, в противном случае - консультирует специалист;
- размещение и тип коллекторных шкафов (при коллекторно-лучевой схеме отопления) указывается, если есть предпочтения по размещению в помещениях дома, если нет - решается в процессе проектирования;
- тип теплоносителя - вода/антифриз указывается в случае предпочтения. В большинстве случае предпочтительнее вода, применение антифризов допускается не каждым оборудованием, по этому вопросу консультирует специалист;
- управление температурой радиаторов отопления: ручное (терморегуляторы на радиаторах) или электронное (комнатные термостаты и сервоприводы в коллекторных шкафах).
Теплый пол (водяной), если предполагается:
- перечислить помещения с водяным теплым полом;
- указать ориентировочную площадь теплого пола (помещений с теплым полом);
- способ теплоснабжения теплого пола - контуром котельной (при большой площади и для достижения более комфортного использования, независимо от отопления), смесительным узлом (на контуре отопления) или на рециркуляции горячей воды (для небольших площадей 10-12 м.кв., преимущественно в санузлах);
- по расположению и типу коллекторных шкафов - аналогично отоплению (см. выше);
- управление теплым полом - общее для всех помещений (присутствует по умолчанию для любого варианта организации), локальное, по помещениям, при помощи электронных (электромеханических) комнатных термостатов и сервоприводов на отводах коллекторов.
Водоснабжение:
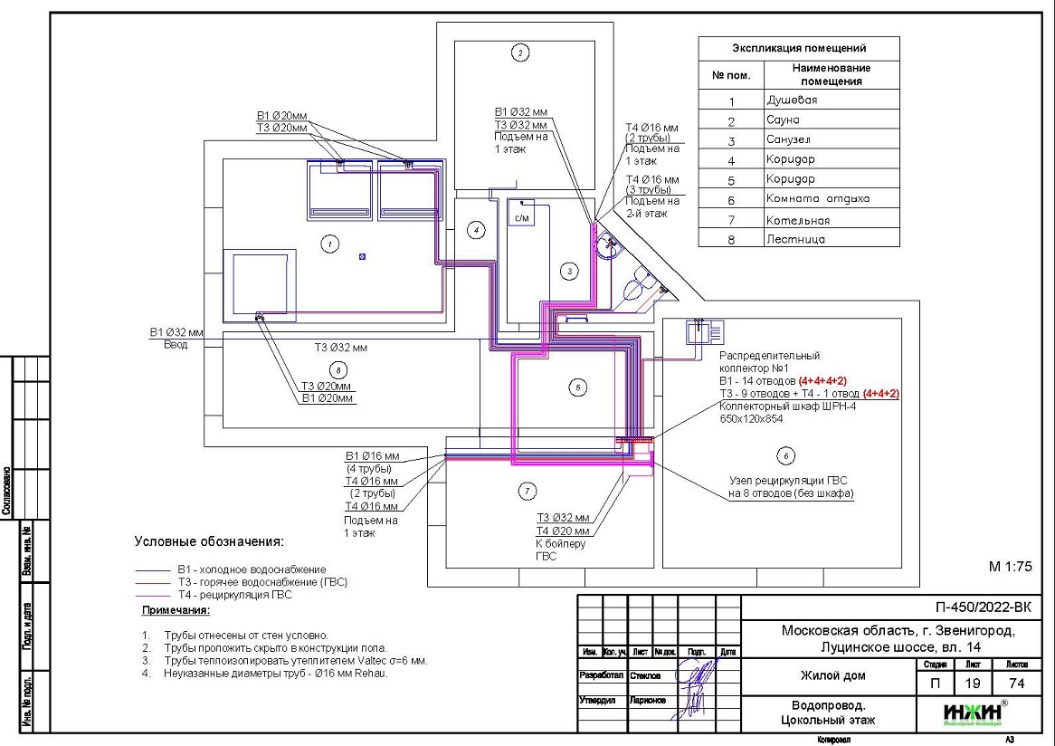
- выбрать схему организации водоснабжения (если есть понимание), тройниковую (самая "простая", сантехприборы подключаются к общей магистрами тройниками, последовательно друг за другом), такая же, но с распределительным узлом, который разделяет магистрали для отдельного подключения каждого санузла или коллекторную, при который каждый сантехнический прибор подключается отдельно (независимо) друг от друга, к отводам распределительного коллектора (в последнем случае есть возможность отключения подачи воды для каждого прибора отдельно);
- указать материал трубопроводов, если есть предпочтения (обычно используются такие же, как и в системе отопления, для унификации и сокращения расходов на оборудование);
- указать, будут ли водяные полотенцесушители и места их установки;
- определить схему рециркуляции горячей воды (консультация специалиста) - через водяные полотенцесушители и коллекторы (если есть) или у потребителей, через дополнительный коллектор рециркуляции и проходные (двойные) водорозетки;
- выбрать источник горячей воды - внешний накопительный бойлер, встроенный бойлер (в котел), второй контур двухконтурного котла (проточный нагрев);
- указать источник холодной воды (центральная магистраль, индивидуальная скважина, колодец) и место ввода воды в дом;
- указать, нужен ли поливочный кран на фасаде дома и указать место его расположения.
Канализация:
- указать предполагаемое применение напорной канализации (в местах, где невозможен естественный отвод стоков, где санузлы находятся ниже уровня выпуска канализации из дома);
- указать место основного выпуска канализации из дома и тип наружной сети (центральная/локальная);
- указать возможное место организации вентилируемого (фанового) стояка через кровлю или возможность применения противовакуумных клапанов.
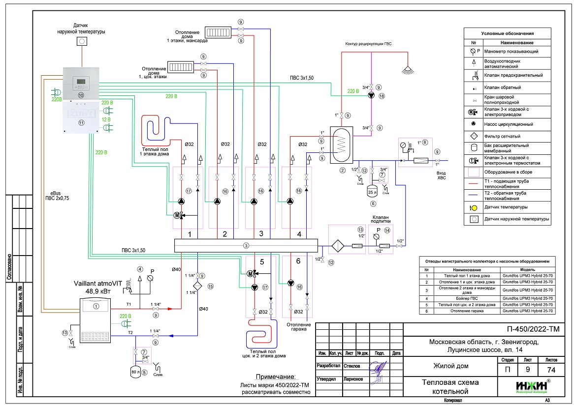
Котельная:
- указать доступный для дома основной вид топлива для котла (газ магистральный, газ сжиженный, электричество, дизель, дрова, уголь);
- требуется ли альтернативный вид топлива и (или) резервный котел;
- указать предпочитаемый тип котла - напольный/настенный, а также марку/производителя, если есть предпочтения;
- указать, выполнен ли на объекте дымоход для котла, если да, указать его тип, материал и расположение;
- если дымоход не реализован, указать предполагаемый тип (консультация со специалистом);
- перечислить контуры теплоснабжения, ра основе ранее введенной информации и наличия дополнительных потребителей тепла (бассейн, хаммам, вентиляция, дополнительные строения);
- перечислить желаемые опции управления оборудованием котельной (по наружной/комнатной температуре, дистанционно по GSM-связи), на основании этой информации проектировщик подберет оптимальную автоматику котельной.
Более подробная информация об организации котельной в статье «Что нужно знать об индивидуальной котельной».
Порядок заказа, алгоритм взаимодействия и необходимые исходные данные для заказа проекта отопления, водоснабжения и канализации указаны в памятке по проектированию.


