Выполненные проекты
Проект отопления, водоснабжения и канализации дома площадью 169 м.кв. в КП «Белояр»
![]() |
![]() |
|
|
![]() |
![]() |
![]() |
Проект системы отопления, водоснабжения и канализации: выполнен 15.02.2017
Объект: трехэтажный частный дом площадью 169 м.кв., расположенный в КП «Белояр» Дмитровского района Московской области
Вариант отопления: «Базовый»
Стоимость проекта: 21 548 руб. со скидкой 15% за комплексный проект отопления и электрики (проект котельной бесплатно).
Проект выполнен: 20.04.2017
Состав проекта:
1. Пояснительная записка проекта. Общие данные по системам отопления, водоснабжения и канализации.
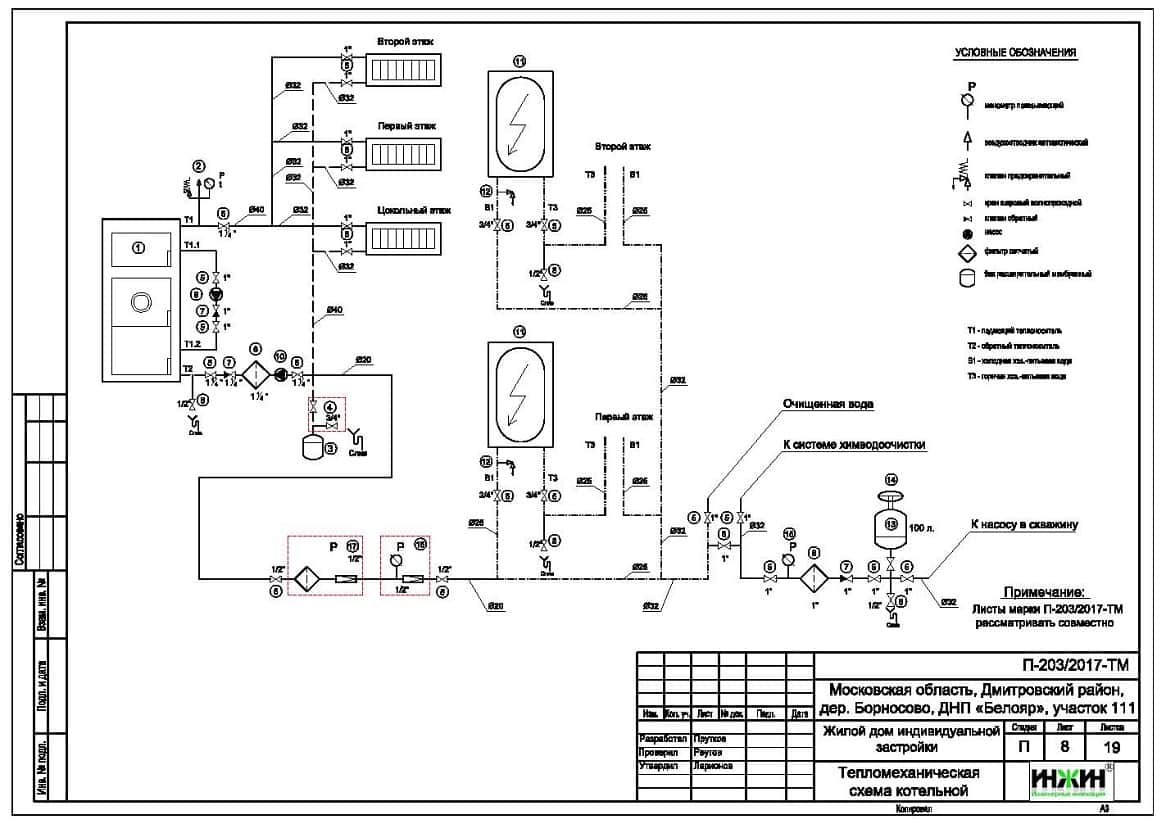
2. Тепломеханическая схема котельной с размещением оборудования в помещении.
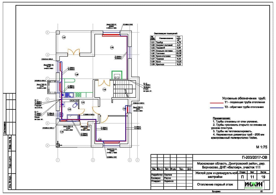
3. Комплект поэтажных чертежей радиаторного отопления частного дома.
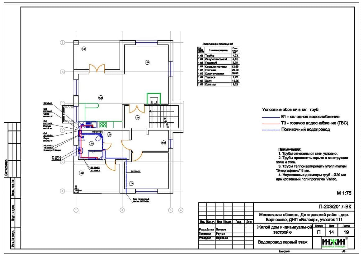
4. Комплект чертежей внутреннего водопровода.
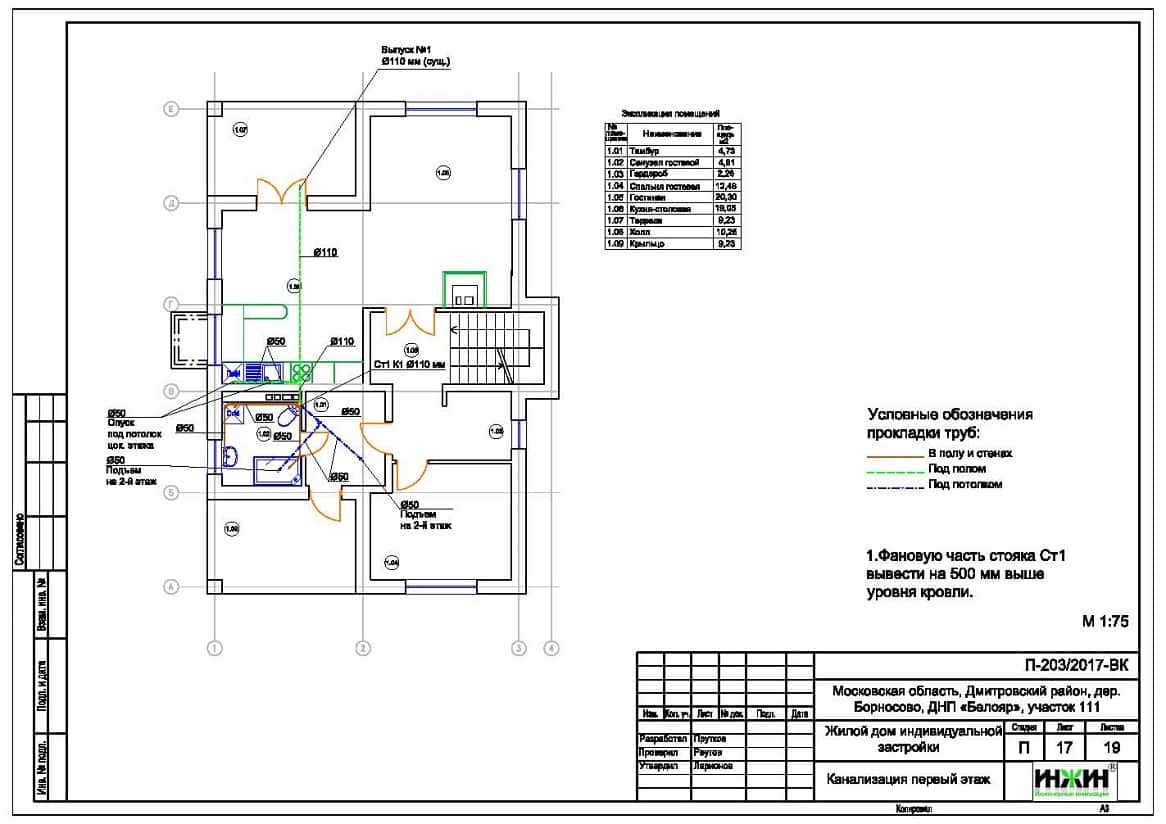
5. Комплект чертежей внутренней канализации.
6. Теплотехнический расчет дома (расчет отопления).
7. Спецификация материалов и оборудования по разделам проекта.
Объем проекта: 41 лист.
Решения, принятые в проекте котельной, отопления, водоснабжения и канализации, в соответствии с заданием Заказчика.
Котельная частного дома.
o Котел твердотопливный (пеллетный) Zota Pellet-25A, мощностью 25кВт, с комплектом ТЭНов мощностью 6кВт;
o Контур теплоснабжения котельной – радиаторное отопление дома;
o Для приготовления горячей воды предусмотрены настенные накопительные электрические бойлеры Drazice, объемом 80 литров, по одному на 1 и 2 этаж;
o Расширительный бак отопления Reflex, объемом 50 литров;
o Насосное оборудование Grundfos, использованы энергоэффективные насосы Alpha2 L;
o Дымоудаление естественное, трубы дымоходные Rosinox, утепленные (ТЕРМО), кислотостойкие, из полированной нержавеющей стали;
o Предусмотрена ручная подпитка отопления;
o Автоматика котельной – встроена в котел с дополнительным модулем дистанционного контроля GSM Pellet для пеллетного котла.
Автоматизация отопления (вариант «Базовый»).
o Регулирование температуры подающей линии котла;
o Дистанционный контроль работы котла посредством GSM-связи.
Система отопления частного дома.
o Выполнен теплотехнический расчет отопления, с учетом теплопотерь через ограждающие конструкции, теплоотдачи отопительных приборов, электрического теплого пола, полотенцесушителей (в санузлах) и оборудования в котельной;
o Приборы для системы отопления: стальные панельные радиаторы Kermi с боковым подключением;
o Схема радиаторного отопления двухтрубная, тройниковая;
o Прокладка трубопроводом открытым способам, по стенам помещений внутри дома;
o Температурный график системы отопления 80/60°С;
o Трубы отопления из полипропилена армированного PP-ALUX Valtec;
o Теплоизоляция трубопроводов отопления на предусмотрена;
o Теплоноситель в системе отопления – подготовленная вода.
Водяной теплый пол проектом не предусмотрен. При расчете отопления учтена теплоотдача электрического теплого пола в санузлах.
Водоснабжение дома.
o Схема внутреннего водопровода – тройниковая тупиковая, без рециркуляции горячей воды;
o Трубы системы водоснабжения – из армированного полипропилена Valtec PP-ALUX;
o Для полива участка предусмотрен наружный кран Meibes SEPP-Eis с защитой от замерзания;
o Теплоизоляция трубопроводов Энергофлекс, толщиной 9мм.
Система канализации.
o Предусмотрен комбинированный отвод стоков от санитарно-технических приборов – безнапорный для 1 и 2 этажей, напорный – для цокольного этажа;
o Станция канализационно-насосная Grundfos Sololift2 D-2;
o Трубопроводы раструбные, Синикон;
o Теплоизоляция трубопроводов Энергофлекс, толщиной 13мм.



















