Выполненные проекты
Проект электрики частного дома из бруса площадью 209 м.кв. во Владимирской области
![]() |
![]() |
![]() |
![]() ![]() |
![]() |
Объект: двухэтажный частный из бруса площадью 209 м.кв., расположенный во Владимирской области
Стоимость проекта электрики: 20 834 руб. со скидкой 15% за комплексный проект электрики и отопления (проект слаботочной кабельной сети – бесплатно).
Проект электрики выполнен: 05.09.2017
Состав проекта электрики частного дома:
1. Пояснительная записка. Общие данные по электроснабжению и освещению частного дома.
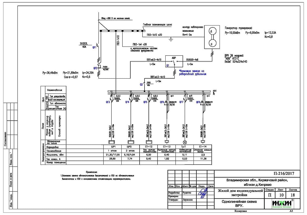
2. Однолинейные схемы вводного распределительного устройства и поэтажных распределительных щитов.
3. Чертежи трасс силовых электрических кабельных сетей.
4. Чертежи групповых осветительных сетей.
5. Чертежи линий телевидения.
6. Спецификация материалов и оборудования.
Объем проекта электрики: 18 листов.
Технические решения, принятые в проекте, в соответствии с заданием на проектирование электрики частного дома во Владимирской области.
Распределительные электрические щиты.
o Проектом предусмотрено вводно-распределительное устройство (ВРУ) и 2 распределительных электрических щита, размещенных на каждом этаже и оснащенных 37-ю автоматами;
o Автоматические выключатели, дифференциальные автоматы и УЗО в щитах - ABB;
o Щитовое оборудование размещено в навесных корпусах ABB.
Силовая и слаботочная кабельная сеть (электропроводка).
o Электропроводка предусмотрена с использованием кабелей ВВГ нг -LS с медными жилами в ПВХ-оболочке (бездымный, не поддерживающий горение);
o Общая протяженность линий электроснабжения и освещения – 1 798 метров;
o Электропроводка предусмотрена скрытым способом, в защитной гофрированной ПВХ-трубе и металлорукаве в виниловой изоляции (во всех деревянных конструкциях);
o Запроектировано 94 точки подключения розеток и выключателей освещения и 20 распаячных коробок;
o Для системы телевидения предусмотрены кабельные трассы с использованием кабеля Cavel SAT 703, в количестве 75 метров.
Заземление.
Предусмотрен контур заземления из металлических полос и штырей.



















