Выполненные проекты
Проект отопления, водоснабжения и канализации загородного дома площадью 209 м.кв. во Владимирской области
![]() |
![]() |
|
|
![]() |
![]() |
![]() |
Объект: загородный дом из бруса площадью 209 м.кв., расположенный во Владимирской области
Вариант отопления: «Комфортный»
Стоимость проекта отопления, водоснабжения и канализации: 26 648 руб. со скидкой 15% за комплексный проект отопления и электрики (проект котельной бесплатно).
Проект отопления, водоснабжения и канализации выполнен: 05.09.2017
Состав проекта котельной, отопления, водоснабжения и канализации загородного дома из профилированного бруса:
1. Пояснительная записка проекта. Общие данные по системам отопления, водоснабжения и канализации загородного дома.
2. Тепломеханическая схема котельной с размещением оборудования в отдельном строении.
3. Комплект поэтажных чертежей радиаторного отопления загородного дома.
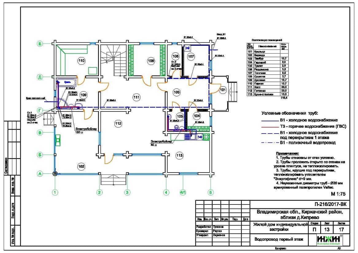
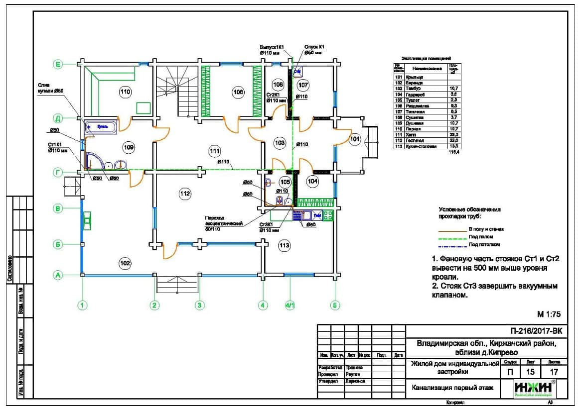
4. Комплект чертежей внутреннего водопровода и канализации 1-го и 2-го этажей дома.
5. Теплотехнический расчет отопления загородного дома.
6. Спецификация материалов и оборудования по котельной, отоплению, водоснабжению и канализации загородного дома.
Объем проекта: 40 листов.
Решения, принятые в проекте, в соответствии с заданием на проектирование систем отопления, водоснабжения и канализации дома во Владимирской области.
Котельная загородного дома (проект котельной бесплатно).
o Размещена в отдельном строении, расположенном на участке
o Котел отопительный напольный твердотопливный (пеллетный) Zota Pellet-25A, мощностью 25 кВт. Дополнительно, для резервного теплоснабжения, предусмотрен комплект ТЭНов для пеллетного котла;
o Контуры теплоснабжения котельной – радиаторное отопление 1-го и 2-го этажей дома (раздельные);
o Для приготовления горячей воды предусмотрены электрические водонагреватели Drazice объемом 160 литров (1 шт.) и 80 литров (2 шт.), которые размещены в санузлах;
o Расширительный бак отопления Reflex, объемом 50 литров;
o Насосы котлового контура Grundfos , а отопления Wilo Yonos Para, использованы энергоэффективные модели;
o Дымоудаление естественное, трубы дымоходные Rosinox, утепленные (ТЕРМО), кислотостойкие, из полированной нержавеющей стали;
o В качестве распределительного коллектора использован компактный насосно-смесительный модуль Meibes Kombimix;
o Предусмотрена ручная подпитка отопления;
o Автоматика котельной – блок Vaillant calorMATIC 630/3 с модулем дистанционного контроля GSM-climate (дополнительно).
Автоматизация отопления (вариант «Комфортный+»).
o Автоматическое регулирование отопления по наружной температуре (погодное регулирование);
o Автоматическое поддержание заданной температуры в контурах отопления обоих этажей дома;
o Дистанционный контроль работы котла посредством GSM-связи.
Система отопления частного дома.
o Выполнен теплотехнический расчет отопления, с учетом теплопотерь через ограждающие конструкции;
o Подобраны приборы для системы отопления - стальные панельные радиаторы Kermi с боковым подключением;
o Схема радиаторного отопления двухтрубная, тройниковая;
o Температурный график системы отопления 80/60°С;
o Трубы отопления из армированного полипропилена Valtec PP-ALUX;
o Теплоноситель в системе отопления и теплых полов – подготовленная вода.
Водоснабжение дома.
o Схема внутреннего водопровода – тройниковая тупиковая, без рециркуляции горячей воды;
o Выполнен гидравлический расчет 29-ти точек водопровода;
o Трубы системы водоснабжения – из армированного полипропилена Valtec PP-ALUX;
o Теплоизоляция трубопроводов Энергофлекс, толщиной 9мм.
Внутренняя канализация.
o Предусмотрен безнапорный отвод стоков от санитарно-технических приборов;
o Количество точек канализации – 16 шт.;
o Предусмотрен обратный клапан с одним затвором;
o Теплоизоляция трубопроводов Энергофлекс, толщиной 13мм.



















