Выполненные проекты
Проект отопления, водоснабжения и канализации дома площадью 320 м.кв. в с. Липицы
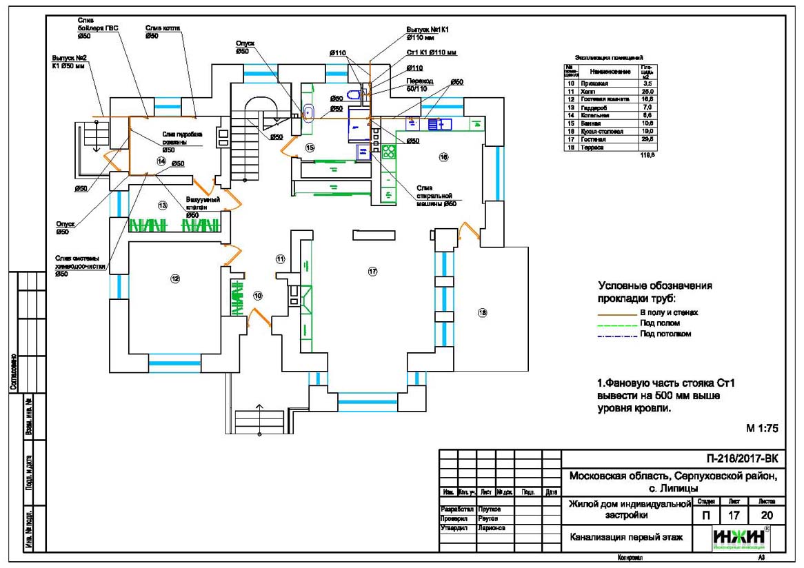
Объект: трехэтажный дом площадью 320 м.кв., расположенный в с. Липицы Серпуховского района Московской области
Вариант отопления: «Комфортный»
Стоимость проекта отопления, водоснабжения и канализации: 47 328 руб. со скидкой 15% за комплексный проект отопления и электрики.
Проект отопления, водоснабжения и канализации выполнен: 26.12.2017
Состав проекта котельной отопления, водоснабжения и канализации частного дома:
1. Пояснительная записка проекта. Общие данные по котельной, системам отопления, водоснабжения и канализации дома.
2. Тепломеханическая схема котельной с размещением оборудования в помещении.
3. Комплект поэтажных чертежей системы радиаторного отопления дома.
4. Комплект чертежей водяного теплого пола.
5. Комплект чертежей внутреннего водопровода и канализации.
6. Теплотехнический расчет отопления дома.
7. Спецификация материалов и оборудования по котельной, отоплению, теплому полу, водоснабжению и канализации загородного дома.
Объем проекта: 46 листов.
Решения, принятые в проекте, в соответствии с заданием Заказчика на проектирование систем отопления, водоснабжения и канализации дома.
Котельная частного дома (проект котельной бесплатно).
o Котел напольный Vaillant atmoVIT мощностью 41 кВт, работающий на сжиженном газе;
o Контуры теплоснабжения котельной – радиаторное отопление дома, водяной теплый пол и горячее водоснабжение (бойлер);
o Для приготовления горячей воды предусмотрен накопительный бойлер косвенного нагрева Vaillant uniSTOR, объемом 300 литров;
o Расширительные баки отопления и водоснабжения Flamco (производство на российском заводе);
o Насосы отопления и теплого пола Grundfos, использованы энергоэффективные насосы Alpha2 L (в комплекте насосных групп);
o Дымоудаление естественное, трубы дымоходные Rosinox, утепленные (ТЕРМО), кислотостойкие, из полированной нержавеющей стали;
o Распределительный коллектор Meibes «Поколение 8», с насосными группами и гидравлическим разделителем;
o Предусмотрена автоматическая подпитка отопления при помощи клапана Watts ALOMD;
o Автоматика котельной – блок Vaillant calorMATIC 630/3 с дополнительным модулем дистанционного контроля GSM ZONT H-1V.
Автоматизация отопления (вариант «Комфортный»).
o Автоматическое регулирование отопления по наружной температуре (погодное регулирование);
o Автоматическое поддержание заданной температуры в контурах отопления, теплого пола и горячего водоснабжения;
o Дистанционный контроль работы котла посредством GSM-связи;
o Дистанционное (на мобильный телефон) оповещение о срабатывании системы защиты от протечки воды.
Система отопления частного дома.
o Выполнен теплотехнический расчет отопления дома, с учетом теплопотерь через ограждающие конструкции (стены, кровля, окна и двери), теплоотдачи радиаторов отопления, теплого пола, полотенцесушителей (в санузлах) и оборудования котельной;
o Подобраны приборы для системы отопления: стальные трубчатые радиаторы Zehnder Charleston Completto и секционные биметаллические радиаторы Rifar Ventil с нижним подключением;
o Схема радиаторного отопления двухтрубная, коллекторно-лучевая, с принудительной циркуляцией теплоносителя;
o Температурный график системы радиаторного отопления 80/60°С;
o Трубы отопления из сшитого полиэтилена Rehau RAUTITAN flex;
o Коллекторы отопления – Rehau, на 9, 11 и 12 отводов, по одному на каждый этаж;
o Шкафы коллекторные Valtec, наружного исполнения
o Теплоизоляция трубопроводов отопления Энергофлекс, толщиной 9мм;
o Теплоноситель в системе отопления и теплых полов – подготовленная вода.
Водяной теплый пол.
o Водяной теплый пол в доме предусмотрен на площади 96 м.кв., 5 петель;
o Предусмотрен отдельный контур теплоснабжения водяного теплого пола (в котельной);
o Трубопроводы теплого пола - сшитый полиэтилен Rehau RAUTHERM S;
o Коллекторная группа Rehau HKV-D5 с расходомерами на 5 отводов;
o Основание теплого пола – маты из ламинированного пенополистирола Экопол EPS2102 (Автопласт);
o Регулирование температуры теплого пола – общее, автоматикой котельной.
Водоснабжение дома.
o Схема внутреннего водопровода – коллекторная, с рециркуляцией горячей воды через потребителей;
o Коллекторы водопровода – сборные, Valtec VTc.560, с запорными вентилями;
o Выполнен расчет 22-х точек водопровода, их них 14 тупиковых и 8 проходных;
o Трубы системы водоснабжения – из сшитого полиэтилена Rehau;
o Для полива участка предусмотрен наружный кран Meibes SEPP-Eis с защитой от замерзания;
o Теплоизоляция трубопроводов Энергофлекс, толщиной 9мм.
Внутренняя канализация.
o Предусмотрен безнапорный отвод стоков от санитарно-технических приборов;
o Количество точек канализации – 17 шт.;
o Теплоизоляция трубопроводов Энергофлекс, толщиной 13мм.
Система защиты от протечки воды.
o Контроллер системы - Аквасторож ЭКСПЕРТ PRO;
o Отключение подачи воды предусмотрено при помощи электрокранов Аквасторож-25 версия ЭКСПЕРТ;
o В санузлах и в кухне размещаются датчики Аквасторож ЭКСПЕРТ.
o Предусмотрена возможность дистанционного получения сигнала о протечке при помощи модуля GSM.













