Выполненные проекты
Проект электрики дома площадью 320 м.кв. в Серпуховском районе Московской области
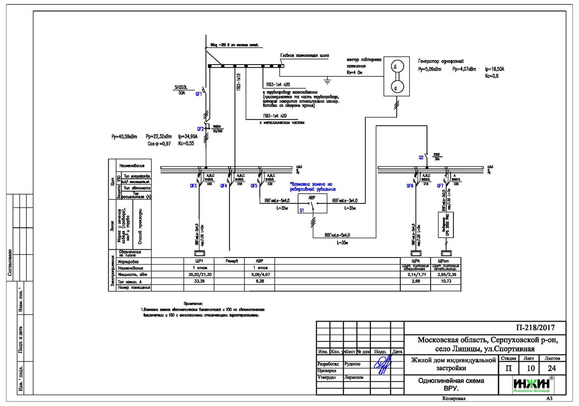
Объект: частный кирпичный дом площадью 320 м.кв., расположенный в с. Липицы Серпуховского района Московской области
Цена проекта электрики: 25 840 руб. со скидкой 15% за комплексный проект электрики и отопления (проект слаботочки – бесплатно).
Проект электрики выполнен: 28.12.2017
Состав проекта электрики кирпичного дома:
1. Пояснительная записка. Общие данные по системе электроснабжения и освещения дома.
2. Однолинейные схемы вводного распределительного устройства и распределительного щита.
3. Чертежи кабельных трасс силовых электрических сетей.
4. Чертежи групповых осветительных сетей.
5. Чертежи линий охранно-пожарной сигнализации.
6. Спецификация материалов и оборудования по электрике и слаботочке.
Объем проекта: 26 листов.
Технические решения, принятые в проекте электроснабжения и освещения кирпичного дома, в соответствии с заданием на проектирование электрики.
Распределительный электрический щит.
o Проектом предусмотрен 1 распределительный щит, размещенный на первом этаже и оснащенный 57 автоматами;
o Автоматические выключатели, дифференциальные автоматы и УЗО в щите - АВВ;
o Щитовое оборудование размещено во встроенном корпусе АВВ.
Силовая и слаботочная кабельная сеть (электропроводка в частном доме).
o Электропроводка предусмотрена с использованием электрокабелей ВВГ нг -LS с медными жилами в ПВХ-оболочке (бездымный, не поддерживающий горение);
o Общая протяженность линий электроснабжения и освещения – 2 105 метров;
o Электропроводка предусмотрена скрытым способом, в защитной гофрированной ПВХ-трубе и металлорукаве в виниловой изоляции (для мансардного этажа);
o Запроектировано 219 точек подключения розеток и выключателей освещения;
o Для системы телевидения предусмотрены слаботочные кабели Cavel SAT 703, в количестве 370 метров;
o Линии охранно-пожарной сигнализации предусмотрены с использованием провода UTP 4х2х0,51cat 5e, 1000 метров.
Технологии удобства (включены в проект электрики бесплатно).
В проекте электрике предусмотрено использование системы дистанционного управления открыванием въездных и гаражных ворот, калитки и включением въездной группы освещения.
Заземление.
Предусмотрен контур заземления на базе комплекта Ezetek EZ 6.
Для этого дома выполнен проект системы отопления, котельной, водоснабжения и канализации.
Заказать проект электрики кирпичного дома.
Узнать подробные цены на проект электрики.














