Выполненные проекты
Проект электрики частного дома площадью 304 м.кв.
Объект: трехэтажный частный дом площадью 304 м.кв., расположенный в гор. Дубна Московской области
Цена (стоимость) проекта электрики: 24 548 руб. со скидкой 15% за комплексный проект электрики и отопления (проект резервного электроснабжения – бесплатно).
Проект электрики выполнен: 17.08.2018
Состав проекта электрики дома в г. Дубна:
1. Пояснительная записка. Общие данные по электроснабжению и освещению.
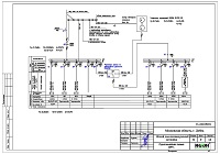
2. Однолинейные схемы вводного распределительного устройства и распределительных щитов.
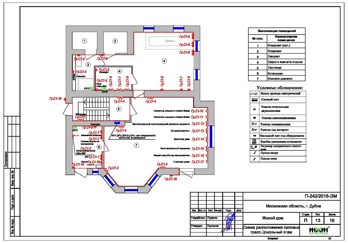
3. Чертежи электропроводки цокольного, первого и второго этажей.
4. Чертежи групповых осветительных сетей.
5. Чертежи линий слаботочных кабельных сетей.
6. Спецификация материалов и оборудования по электрике дома в г. Дубна.
Объем проекта электрики дома в г.Дубна: 15 листов.
Описание проекта электрики загородного дома из кирпича в г. Дубна.
Расчетные показатели по электроснабжению частного дома в г. Дубна.
o Расчетная электрическая мощность дома составила 37,22 кВт, с учетом коэффициента спроса 0,55, принятого согласно СП 256.1325800.2016;
o При расчете учтено силовое оборудование: сауна, электрический котел, электроплита, духовой шкаф, СПА с электрическим теплообменником, усилитель мощности, канализационно-насосные станции;
o Мощность потребителей резервного электропитания 24,40 кВт;
o Расчетная мощность бесперебойного питания 10,18 кВт.
Распределительные электрические щиты.
o Проектом предусмотрено 3 распределительных щита, размещенных на каждом этаже и оснащенных 64-мя автоматами;
o Автоматические выключатели, дифференциальные автоматы и УЗО в щитах – ABB, размещены во встроенных корпусах ABB.
Силовая кабельная сеть (проект электропроводки).
o Электропроводка предусмотрена с использованием кабелей ВВГ нг -LS с медными жилами в ПВХ-оболочке (не поддерживает горение);
o Общая протяженность линий электроснабжения и освещения – 2 450 метров;
o Электропроводка предусмотрена скрытым способом, в защитной гофрированной ПВХ-трубе (усиленной конструкции);
o Запроектировано 173 точки подключения розеток и выключателей освещения;
o Для системы телевидения предусмотрены кабельные трассы с использованием кабеля Cavel SAT 703, в количестве 380 метров.
Резервное и стабилизированное электропитание.
Предусмотрено резервное электроснабжение дома, два источника - бензиновый генератор HONDA EU70IS мощностью 5,5 кВт и инвертор Cyber Power CPS 5000PRO с блоком из 8-ми аккумуляторных батарей.
Стабилизированное электропитание обеспечивается стабилизатором («Штиль» IS1000).
Заземление.
Предусмотрен контур заземления на базе комплекта Ezetek EZ 8.
Для этого дома в г.Дубна выполнен проект отопления, водоснабжения и канализации.



















