Выполненные проекты
Проект отопления дома 146 м.кв. в ДНТ "Сосновка"
Объект: частный дом индивидуальной застройки площадью 146 кв.м. в ДНТ "Сосновка" (г.о. Пушкино) Московской области
Вариант отопления: «Базовый»
Стоимость проекта отопления, водоснабжения и канализации: 22 500 руб. (проект котельной – бесплатно)
Проект отопления, водоснабжения и канализации выполнен: 03.07.2013
Состав проекта котельной, отопления, водопровода и канализации:
1. Пояснительная записка. Общие данные по отоплению, водоснабжению и канализации дома.
2. Теплотехнический расчет отопления.
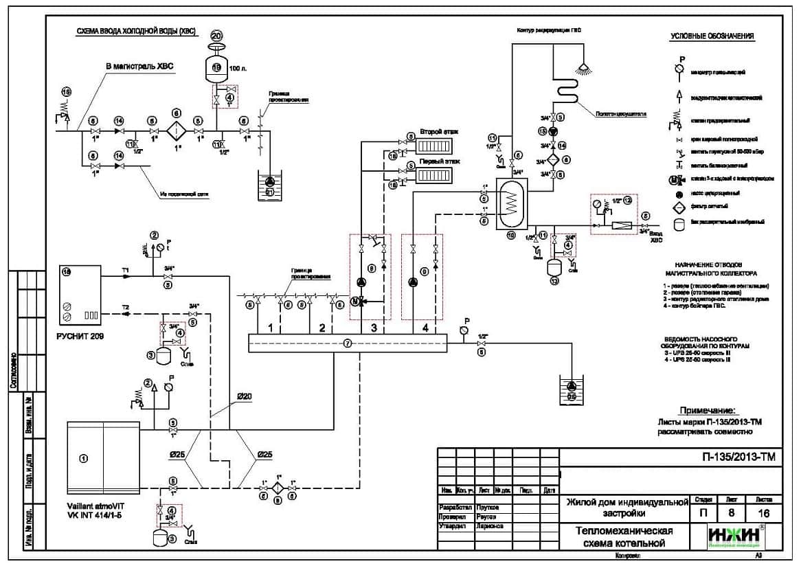
3. Тепломеханическая схема котельной с размещением оборудования.
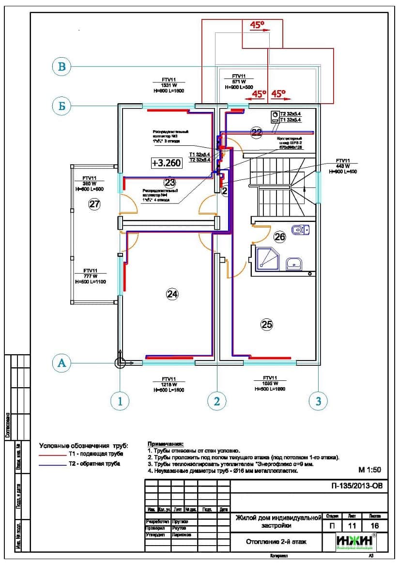
4. Комплект чертежей радиаторного отопления частного дома.
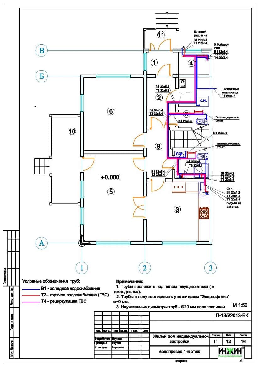
5. Комплект чертежей внутреннего водопровода и канализации жилого дома.
6. Схема системы канализации (аксонометрия).
7. Спецификация материалов и оборудования по котельной, систем отопления, водоснабжения и канализации частного дома в ДНТ "Сосновка" (г.о. Пушкино).
Объем проекта отопления: 36 листов.
Описание проекта отопления. водопровода, канализации и котельной дома в ДНТ "Сосновка" (г.о. Пушкино).
Котельная (проект котельной бесплатно):
o На базе напольного газового котла Vaillant мощностью 41 кВт;
o Контуры котельной – отопление дома, горячее водоснабжение (бойлер), теплоснабжение вентиляции, отопление дополнительного строения;
o Приготовление горячей воды при помощи бойлера Reflex SF200, объемом 200 литров;
o Расширительные баки отопления и водоснабжения Reflex;
o Насосы отопления и водоснабжения Grundfos;
o Трубы дымоходные из керамики Schiedel и нержавеющей стали Rosinox;
o Распределительная гребенка с насосно-смесительными узлами Meibes;
o Автоматика котельной – основной блок Vaillant calorMATIC 630/3, задатчик-регулятор температуры в помещении Vaillant VR 90/3.
Автоматизация отопления и котельной (вариант «Базовый»).
o Автоматическое регулирование отопления по наружной температуре (погодное регулирование) и температуре в помещении;
o Автоматическое поддержание заданной температуры в контурах отопления и горячего водоснабжения.
Отопление дома (проект отопления) в ДНТ "Сосновка" (г.о. Пушкино).
o Отопление дома радиаторное, использованы панельные радиаторы Kermi с нижней подводкой;
o Схема радиаторного отопления двухтрубная, коллекторная, с принудительной циркуляцией теплоносителя. Прокладка трубопроводов предусмотрена скрытая – под потолком нижнего этажа;
o Температурный график отопления 80/60°С;
o Трубопроводы отопления – металлопластик Valtec.
Водяные полотенцесушители.
Источником теплоснабжения полотенцесушителей принят контур рециркуляции бытовой горячей воды. Модели полотенцесушителей в проекте не указывались, в тепловом расчете учитывалась теплоотдача 150 Вт от каждого полотенцесушителя.
Внутренний водопровод дома в ДНТ "Сосновка" (г.о. Пушкино).
o Схема внутреннего водоснабжения – тройниковая;
o Трубопроводы системы водоснабжения – полипропилен армированный Valtec PP-ALUX;
o В системе горячего водоснабжения предусмотрена рециркуляция горячей воды.
Внутренняя канализация (проект канализации) дома в ДНТ "Сосновка" (г.о. Пушкино).
o Предусмотрен безнапорный отвод стоков от санитарно-технических приборов;
o Трубопроводы канализации – полипропилен Синикон (Россия).
По этому проекту выполнен монтаж котельной и отопления дома в ДНТ "Сосновка" (г.о. Пушкино).



















