Новости компании
Выполнен проект отопления для дома в Сергиевом Посаде
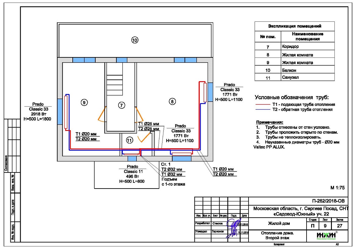
Для двухэтажного дома из блоков "Дюрисол", площадью 110 м.кв., расположенного в СНТ «Садовод-Южный», г. Сергиев Посад (Московской области), разработан проект котельной отопления и водоснабжения, в котором реализованы следующие основные технические решения:
- Вариант котельной и отопления «Базовый», с автоматикой, встроенной в настенный газовый котел;
- Теплогенератор размещен в помещении кухни 1-го этажа дома, использован настенный газовый двухконтурный котел Buderus мощностью 24 кВт (в наличии на объекте);
- Предусмотрено два контура теплоснабжения – отопления и горячей воды (проточным способом, встроен в двухконтурный котел);
- Расчет отопления определил расход тепла на отопление дома - 14,23 кВт (удельные теплопотери 129 Вт/м.кв.);
- Отопление дома спроектировано по двухтрубной тупиковой схеме, трубопроводы из армированного полипропилена Valtec PP-ALUX;
- Приборы для системы отопления - стальные панельные радиаторы Prado с боковым подключением.
Стоимость проекта отопления и водоснабжения - 12 200 руб., проект котельной бесплатно, объем проекта 27 листов.

Заказать проект отопления и водоснабжения дома.
12 декабря 2018 года














