Выполненные проекты
Проект отопления дома площадью 600 м.кв. с бассейном
![]() |
![]() |
![]() |
![]() |
![]() |
![]() |
Объект: частный дом площадью 600 кв.м. с бассейном, расположенный в Истринском районе Московской области
Вариант отопления: «Комфортный»
Стоимость проекта: 99 600 руб. (проект котельной – бесплатно)
Проект отопления выполнен: 16.10.2014
Состав проекта котельной, отопления, водоснабжения и канализации:
Пояснительная записка. Общие данные по отоплению, водоснабжению и канализации.
Теплотехнический расчет отопления дома.
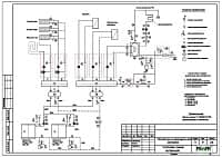
Тепломеханическая схема котельной с размещением оборудования.
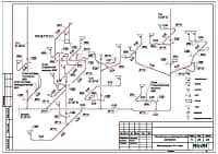
Комплект чертежей радиаторного отопления дома.
Комплект чертежей теплого пола.
Комплект чертежей внутреннего водопровода и канализации.
Схемы типовых узлов.
Спецификация оборудования.
Объем проекта: 63 листа.
Основные решения проекта отопления, водоснабжения и канализации, в соответствии с заданием Заказчика.
Котельная частного дома (проект котельной бесплатно).
o Применена двухкотельная установка Viessmann Vitogas 100F, общей мощностью 96 кВт;
o Контуры теплоснабжения – 5 шт.: радиаторного отопления дома, теплого пола, теплоснабжения теплообменника бассейна, теплоснабжения вентиляции бассейна и подогрева бойлера (ГВС);
o Приготовление горячей воды при помощи бойлеров Viessmann Vitocell 100-V, объемом 300 литров;
o Расширительные баки отопления и водоснабжения Reflex;
o Насосы оборудования и водоснабжения Grundfos;
o Трубы дымоходные из нержавеющей стали Rosinox;
o Распределительные гребенки с насосно-смесительными узлами Meibes, «Поколение 8»;
o Автоматика котельной – Vitotronic 300-К, входит в комплект котельной установки, телекоммуникационный модуль GSM Vitocom 100.
Автоматизация (вариант «Комфортный»).
o Автоматическое регулирование отопления по наружной температуре (погодное регулирование);
o Автоматическое поддержание заданной температуры контуров отопления, теплых полов и горячего водоснабжения;
o Каскадное управление работой 2-х котлов;
o Дистанционное управление работой котельной установки.
Система отопления частного дома.
o Приборы отопления - стальные панельные конвекторы Kermi FKV с подключением снизу из пола, встроенные в пол конвекторы Tehnoheat, стальные трубчатые радиаторы Zehnder Completto-5200;
o Схема радиаторного отопления двухтрубная, коллекторно-лучевая с принудительной циркуляцией теплоносителя;
o Температурный график отопления 80/60° С;
o Магистральные и подводящие трубопроводы отопления дома – сшитый полиэтилен Rehau.
Водяной теплый пол.
o Трубопроводы теплого пола - сшитый полиэтилен Rehau RAUTHERM S;
o Теплый пол запроектирован на площади 120 м.кв.;
o Напольный утеплитель – ячеистый пенополистирол «Формат».
Внутренний водопровод.
o Схема внутреннего водоснабжения – коллекторная;
o Трубопроводы системы водоснабжения – сшитый полиэтилен Rehau;
o В системе горячего водоснабжения предусмотрена рециркуляция горячей воды;
o Предусмотрено поэтажное перекрытие горячей и холодной воды.
Внутренняя канализация.
o Предусмотрен безнапорный отвод стоков от санитарно-технических приборов;
o Трубопроводы канализации Синикон - раструбные, из полипропилена.


















