Выполненные проекты
Проект отопления, водоснабжения и канализации дома площадью 400 м.кв. с бассейном
![]() |
![]() |
![]() |
![]() |
![]() |
![]() |
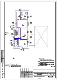
Объект: жилой дом индивидуальной застройки площадью 400 кв.м. с бассейном, в г.Москве
Отопление частного дома: вариант «Комфортный»
Стоимость проекта: 73 600 руб. (проект котельной – бесплатно)
Проект отопления дома выполнен: 27.03.2015
Состав проекта отопления, индивидуальной котельной, водоснабжения и канализации:
1. Пояснительная записка. Общие данные по котельной, отоплению частного дома, водопроводу и канализации.
2. Теплотехнический расчет отопления.
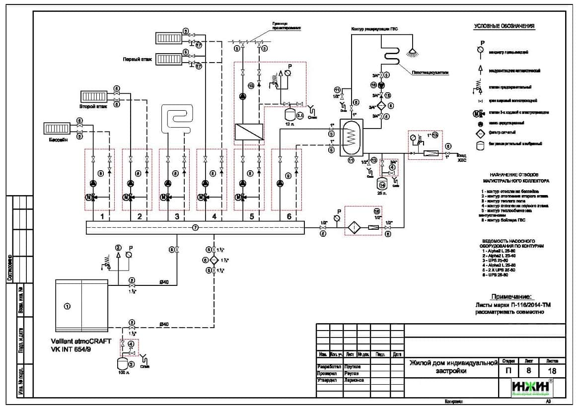
3. Тепломеханическая схема котельной с размещением оборудования.
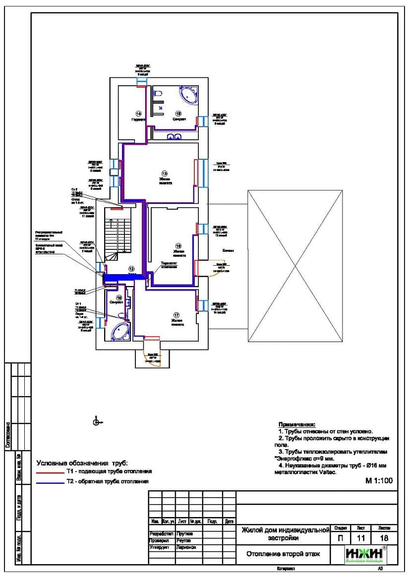
4. Комплект чертежей радиаторного отопления жилого дома.
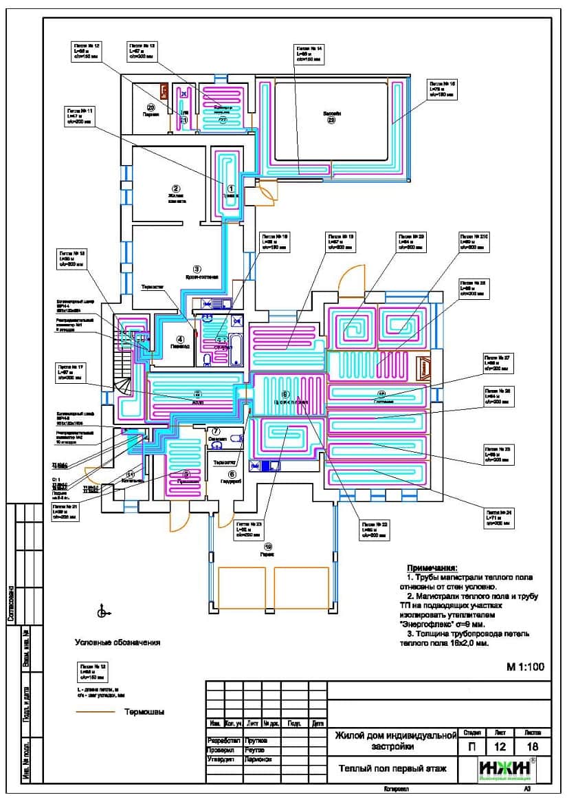
5. Комплект чертежей напольного отопления (теплого пола) жилого дома.
6. Комплект чертежей внутреннего водопровода и канализации жилого дома.
7. Схема системы канализации (аксонометрия).
8. Спецификация материалов и оборудования.
Объем проекта: 45 листов.
Основные проектные решения, в соответствии с заданием Заказчика.
Котельная частного дома (проект котельной бесплатно).
o На базе напольного чугунного Vaillant atmoCRAFT мощностью 65 кВт с атмосферной газовой горелкой;
o Контуры котельной: отопление бассейна, отопление 1 этажа, отопление 2 этажа, горячее водоснабжение, водяной теплый пол, теплоснабжение вентиляции (с раздельным теплообменником);
o Приготовление горячей воды при помощи бойлера Reflex Storatherm Aqua, объемом 300 литров;
o Расширительные баки отопления и водоснабжения Reflex объемом 100 и 25 литров соответственно;
o Насосное оборудование Grundfos;
o Трубы дымоходные Rosinox, из нержавеющей стали;
o Распределительная гребенка с насосно-смесительными узлами Meibes, Поколение 8;
o Автоматика котельной – основной блок Vaillant calorMATIC 630/3, дополнительные блоки для управления контурами со смесителем Vaillant VR60 (2 шт.), задатчик-регулятор температуры в помещении Vaillant VR90/3 (2 шт.), с комнатными датчиками.
Автоматизация (вариант «Комфортный»).
o Автоматическое регулирование отопления по наружной температуре (погодное регулирование);
o Автоматическое регулирование работы котла в зависимости от температуры в доме;
o Автоматическое поддержание заданной температуры в контурах отопления, теплого пола и горячего водоснабжения.
Отопление частного дома (система отопления).
o Отопление дома радиаторное, использованы стальные панельные радиаторы Kermi с нижним подключением (11 шт.), радиаторы секционные биметаллические Rifar Base Ventil с нижним подключением (24 шт.), встроенные в пол конвекторы «Бриз» (КЗТО) (4 шт.).
o Схема радиаторного отопления коллекторно-лучевая с принудительной циркуляцией теплоносителя;
o Температурный график отопления 80/60° С;
o Трубопроводы отопления металлопластик Valtec.
Водяной теплый пол.
Теплые полы проектом предусмотрены на площади 182 м.кв.
Трубопроводы теплого пола - сшитый полиэтилен Valtec.
Управление теплым полом – общее, контуром котельной.
Внутренний водопровод.
o Схема внутреннего водоснабжения – коллекторная, с рециркуляцией горячей воды у потребителей;
o Трубопроводы системы водоснабжения – металлопластик Valtec.
Внутренняя канализация.
Предусмотрен безнапорный отвод стоков от санитарно-технических приборов. На фановых стояках предусмотрены канализационные аэраторы Синикон.
![]() |
По этому проекту выполнен монтаж отопления, водоснабжения и канализации |




















