Выполненные проекты
Проект отопления, водоснабжения и канализации частного дома 210 м.кв.
![]() |
![]() |
![]() |
![]() |
![]() |
![]() |
Объект: жилой дом индивидуальной застройки площадью 210 кв.м. в КП "Ла-Манш" Истринского района Московской области
Вариант отопления: «Комфортный»
Стоимость проекта: 38 300 руб. (проект котельной – бесплатно)
Проект отопления, водоснабжения и канализации выполнен: 28.05.2015
Состав проекта отопления, водоснабжения и канализации :
1. Пояснительная записка. Общие данные
2. Теплотехнический расчет.
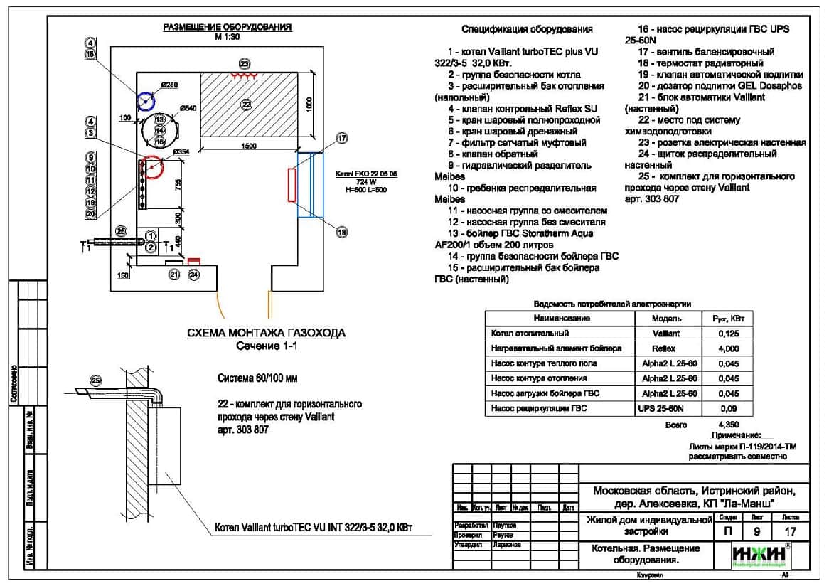
3. Тепломеханическая схема котельной с размещением оборудования.
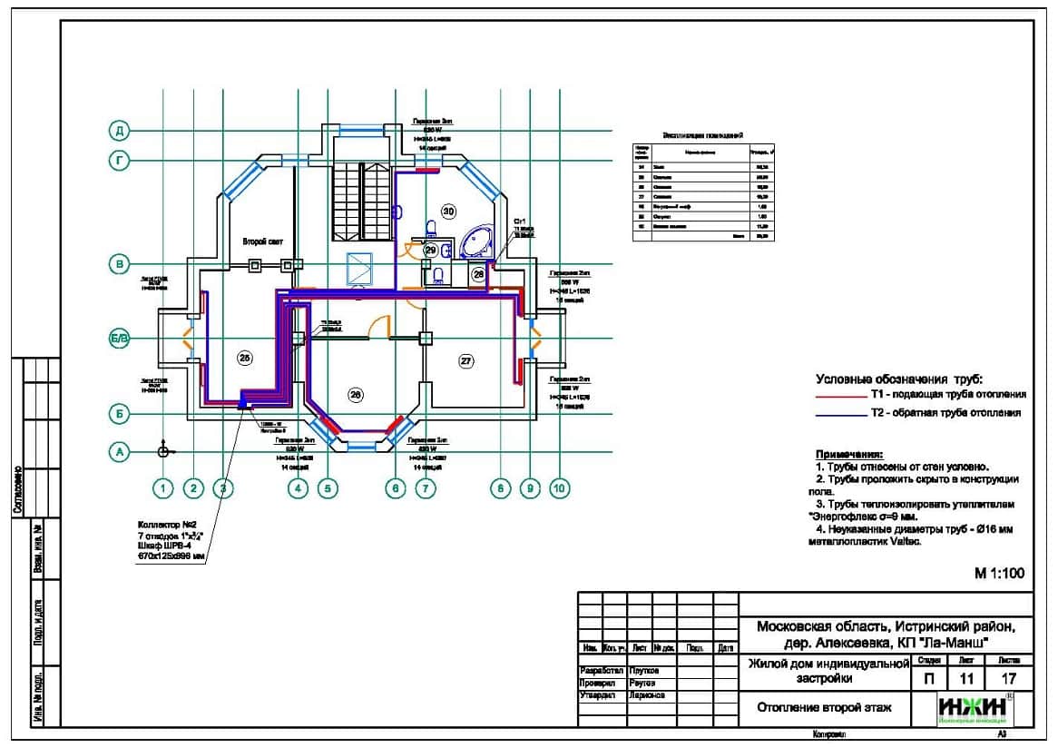
4. Комплект чертежей радиаторного отопления жилого дома.
5. Чертежи теплого пола.
6. Комплект чертежей внутреннего водопровода и канализации жилого дома.
7. Схема системы канализации (аксонометрия).
8. Спецификация материалов и оборудования.
Объем проекта: 41 лист.
Решения, принятые в проекте, в соответствии с заданием на проектирование систем отопления, водоснабжения и канализации.
Котельная частного дома.
o На базе настенного газового котла Vaillant turboTEC plus мощностью 32 кВт с закрытой камерой сгорания;
o Контуры котельной – отопление дома, теплый пол и горячее водоснабжение (бойлер);
o Приготовление горячей воды при помощи бойлера Reflex АF200, объемом 200 литров;
o Расширительные баки отопления и водоснабжения Reflex;
o Насосное оборудование Grundfos;
o Трубы дымоходные Vaillant, пластиковые, коаксиальные, в исполнении «через стену»;
o Распределительная гребенка с насосно-смесительными узлами Meibes;
o Автоматика котельной – выносной блок Vaillant calorMATIC 630/3.
Автоматизация (вариант «Комфортный»).
o Автоматическое регулирование отопления по наружной температуре (погодное регулирование);
o Автоматическое поддержание заданной температуры в контурах отопления, теплого пола и горячего водоснабжения.
Система отопления частного дома.
o Выполнен теплотехнический расчет отопления, с учетом теплопотерь через наружные стены, окна, двери и кровлю;
o Отопление дома радиаторное, использованы панельные радиаторы Kermi с нижней подводкой и стальные трубчатые радиаторы Гармония (КЗТО) с нижним подключением;
o Схема радиаторного отопления двухтрубная, коллекторная, с принудительной циркуляцией теплоносителя;
o Температурный график отопления 80/60°С;
o Трубопроводы отопления – металлопластик Valtec.
Водяной теплый пол.
o Водяной теплый пол в доме предусмотрен на площади 104 м.кв.;
o Предусмотрен отдельный контур теплоснабжения водяного теплого пола;
o Трубопроводы теплого пола - сшитый полиэтилен Valtec PEX-EVON;
o Коллекторные группы Valtec с расходомерами;
o Основание теплого пола – маты из ламинированного пенополистирола Экопол EPS2102;
o Регулирование температуры теплого пола – общее, автоматикой котельной.
Водяные полотенцесушители.
Источником теплоснабжения полотенцесушителей принят контур рециркуляции бытовой горячей воды. Модели полотенцесушителей в проекте не указывались, в тепловом расчете учитывалась теплоотдача 150 Вт от каждого полотенцесушителя.
Внутренний водопровод.
o Схема внутреннего водоснабжения – коллекторно-лучевая;
o Трубопроводы системы водоснабжения – металлопластик Valtec;
o В системе горячего водоснабжения предусмотрена рециркуляция горячей воды.
Внутренняя канализация.
o Предусмотрен безнапорный отвод стоков от санитарно-технических приборов;
o Трубопроводы канализации – раструбные, из полипропилена Синикон.



















