Выполненные проекты
Проект отопления и водоснабжения дома площадью 260 м.кв.
![]() |
![]() |
![]() |
![]() |
![]() |
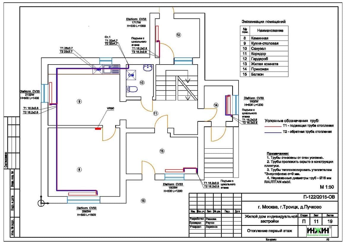
Объект: жилой дом индивидуальной застройки площадью 260 кв.м., в г. Троицке (Новая Москва)
Вариант отопления: «Комфортный»
Стоимость проекта отопления, водоснабжения и канализации: 28 600 руб. (проект котельной – бесплатно)
Проект выполнен: 20.07.2015г.
Состав проекта отопления, водоснабжения и канализации:
1. Пояснительная записка. Общие данные
2. Расчет отопления (теплотехнический).
3. Тепломеханическая схема котельной с размещением оборудования.
4. Комплект чертежей радиаторного отопления жилого дома.
5. Комплект чертежей напольного отопления (теплого пола) жилого дома.
6. Комплект чертежей внутреннего водопровода жилого дома.
7. Спецификация материалов и оборудования.
Объем проекта: 44 листа.
Основные проектные решения, в соответствии с заданием Заказчика.
Котельная частного дома.
o На базе напольного чугунного Bosch GAZ 2000F FN50HN мощностью 50 кВт с атмосферной газовой горелкой;
o Контуры котельной: отопление дома, горячее водоснабжение и водяной теплый пол. На коллекторе предусмотрены резервные отводы для 2-х дополнительных контуров (перспектива);
o Приготовление горячей воды при помощи бойлера Bosch WST, объемом 200 литров;
o Расширительные баки отопления и водоснабжения Reflex объемом 50 и 25 литров соответственно;
o Насосное оборудование Grundfos;
o Трубы дымоходные Rosinox, из нержавеющей стали;
o Распределительная гребенка с насосно-смесительными узлами Meibes, Поколение 8;
o Автоматика котельной – основной блок Vaillant calorMATIC 630/3, задатчик-регулятор температуры в помещении Vaillant VR90/3.
Автоматизация (вариант «Комфортный»).
o Автоматическое регулирование отопления по наружной температуре (погодное регулирование);
o Автоматическое регулирование работы котла в зависимости от температуры в доме;
o Автоматическое поддержание заданной температуры в контурах отопления, теплого пола и горячего водоснабжения.
Система отопления частного дома.
o Отопление дома радиаторное, использованы панельные радиаторы DIA NORM с нижним подключением (20 шт.);
o Схема радиаторного отопления двухтрубная, с принудительной циркуляцией теплоносителя;
o Температурный график отопления 80/60° С;
o Трубопроводы отопления сшитый полиэтилен Rehau.
Водяной теплый пол (проект теплого пола).
o Теплые полы проектом предусмотрены на площади 39 м.кв.;
o Трубопроводы теплого пола - сшитый полиэтилен Rehau;
o Управление теплым полом – общее, контуром котельной.
Водяные полотенцесушители.
Источником теплоснабжения полотенцесушителей принят контур рециркуляции бытовой горячей воды.
Внутренний водопровод.
o Схема внутреннего водоснабжения – тройниковая, тупиковая, с рециркуляцией горячей воды;
o Трубопроводы системы водоснабжения – сшитый полиэтилен Rehau.

















