Выполненные проекты
Проект отопления дома площадью 100 м.кв. в СНТ «Фортуна»
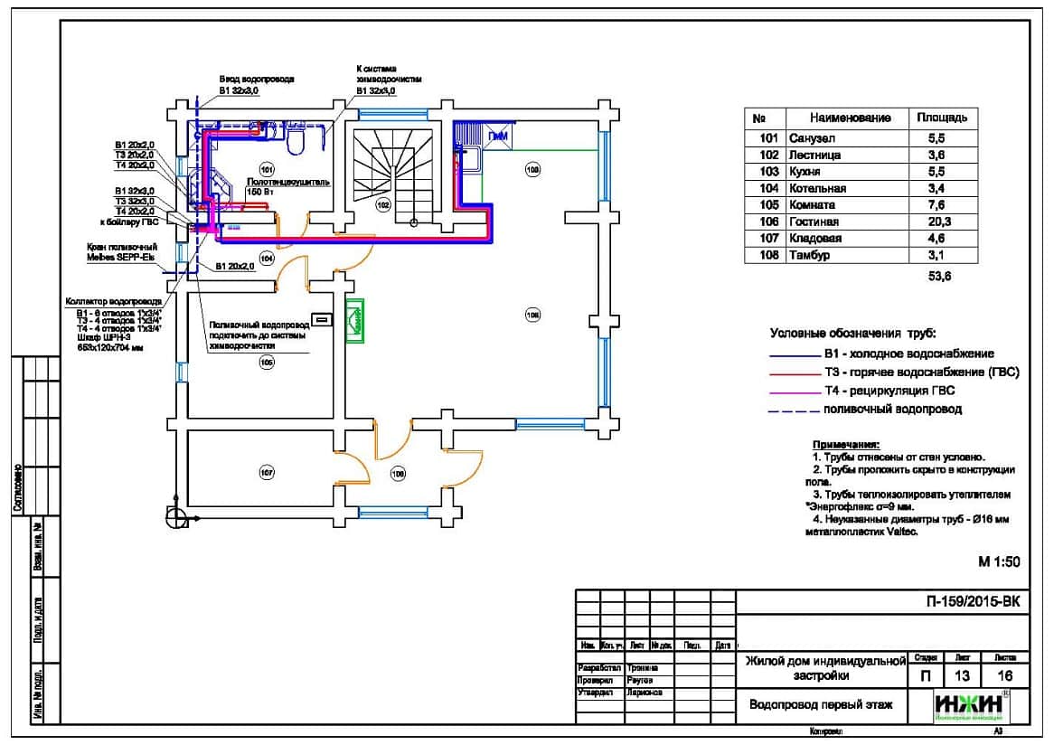
![]() |
![]() |
![]() |
![]() |
![]() |
![]() |
Проект отопления, водоснабжения и канализации: выполнен 30.06.2016
Объект: дом площадью 100 кв.м. в СНТ «Фортуна» Одинцовского района Московской области
Вариант отопления: «Комфортный»
Стоимость проекта: 22 500 руб. (минимальная стоимость проектирования)
Состав проекта отопления, водоснабжения, канализации:
1. Пояснительная записка. Общие данные
2. Теплотехнический расчет дома.
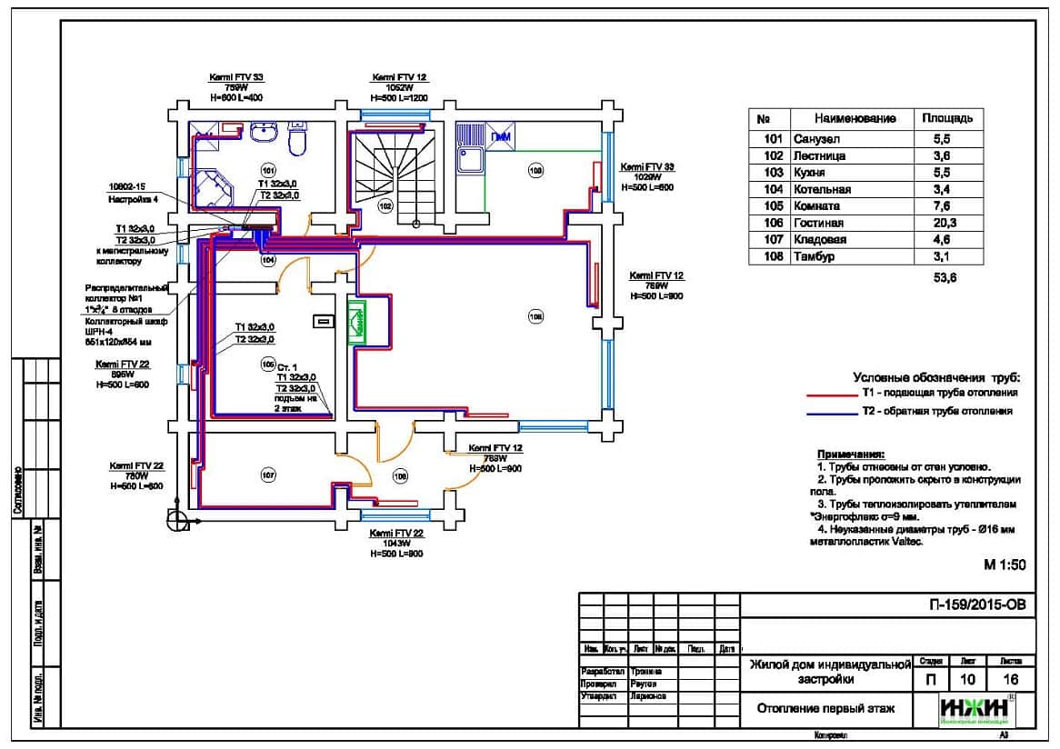
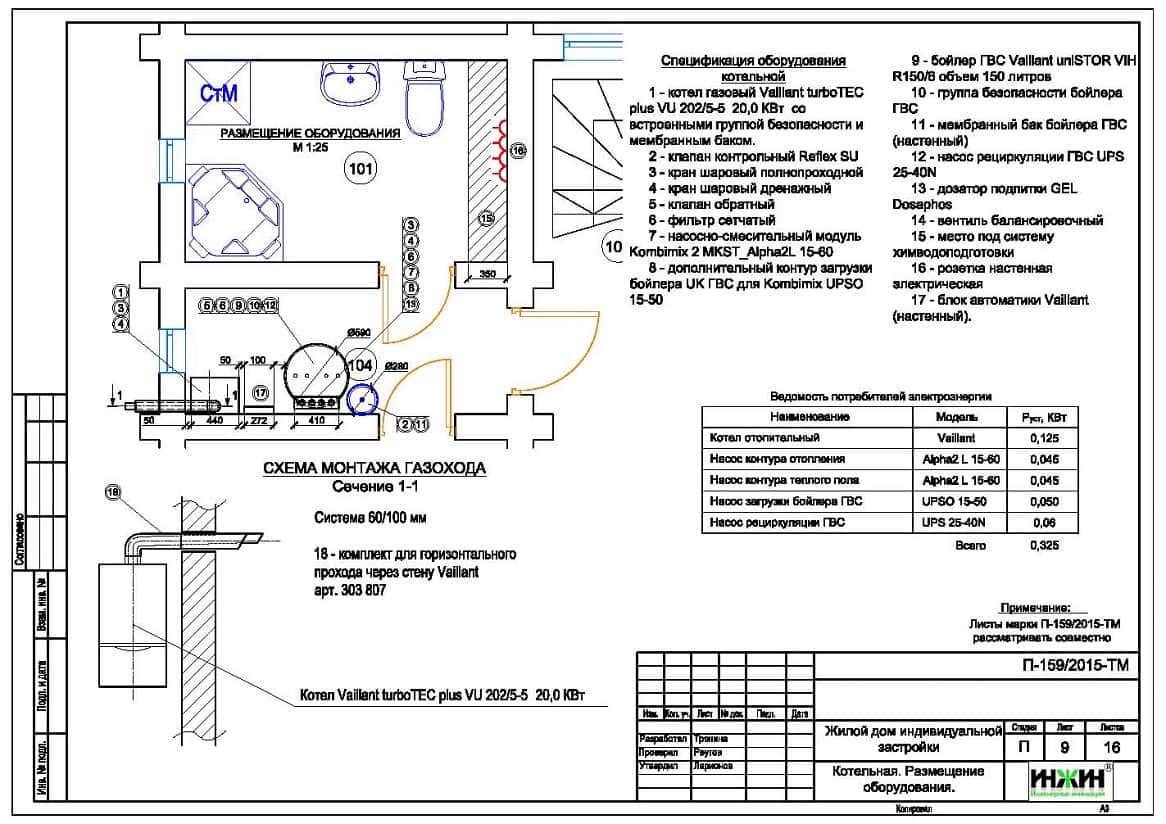
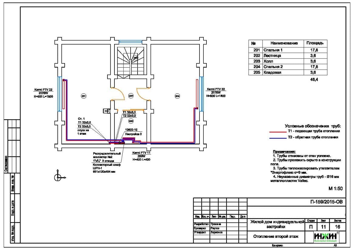
3. Тепломеханическая схема котельной с размещением оборудования.
4. Комплект чертежей радиаторного отопления.
5. Комплект чертежей водяного теплого пола.
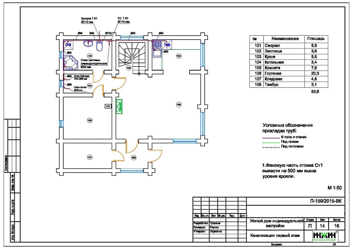
6. Комплект чертежей внутреннего водопровода и канализации.
7. Схема системы канализации (аксонометрия).
8. Спецификация материалов и оборудования.
Объем проекта: 35 листов.
Технические решения, реализованные в проекте отопления, котельной, водоснабжения и каналзации в соответствие с заданием Заказчика.
Котельная частного дома.
o Котел настенный газовый Vaillant turboTEC plus мощностью 20 кВт, с комплектом перенастройки для работы на сжиженном газе;
o Контуры котельной – отопление дома, водяной теплый пол и горячее водоснабжение (бойлер);
o Приготовление горячей воды при помощи бойлера Vaillant uniSTOR, объемом 150 литров;
o Расширительные баки отопления и водоснабжения Reflex;
o Насосное оборудование Grundfos;
o Трубы дымоходные Vaillant, коаксиальные;
o Универсальный насосно-смесительный модуль Meibes Kombimix с опциональным контуром загрузки бойлера;
o Теплоноситель для контуров отопления и теплого пола – подготовленная вода;
o Подпитка отопления – ручная;
o Автоматика котельной – погодозависимый блок Vaillant calorMATIC 630/3.
Автоматизация отопления (вариант «Комфортный»).
o Автоматическое регулирование отопления по наружной температуре (погодное регулирование);
o Автоматическое поддержание заданной температуры в контурах отопления, теплого пола и горячего водоснабжения.
Система радиаторного отопления.
o Отопление дома радиаторное, использованы панельные стальные радиаторы Kermi, нижнее подключение;
o Схема радиаторного отопления двухтрубная, коллекторно-лучевая, с принудительной циркуляцией теплоносителя;
o Температурный график отопления 80/60°С;
o Трубопроводы отопления – металлопластик Valtec;
o Коллекторы отопления Valtec на 3 и 8 оводов;
o Шкафы коллекторные Valtec, пристраиваемые;
o Теплоизоляция трубопроводов Энергофлекс Супер, толщиной 9мм.
Водяной теплый пол.
o Водяной теплый пол в доме спроектирован на площади 40 м.кв., 5 петель;
o Теплоснабжение теплого пола запроектировано отдельным контуром котельной;
o Трубопроводы теплого пола - сшитый полиэтилен Valtec PEX-EVON;
o Использована коллекторная группа в сборе с расходомерами Valtec на 5 отводов;
o Основание теплого пола – маты из ламинированного пенополистирола «Формат FT40/20L».
Регулирование температуры теплого пола – общее, контуром котельной.
Водяные полотенцесушители.
Источником теплоснабжения полотенцесушителей принят контур рециркуляции бытовой горячей воды. Модели полотенцесушителей в проекте не указывались, в тепловом расчете учитывалась теплоотдача 150 Вт от каждого полотенцесушителя.
Внутренний водопровод.
o Схема внутреннего водоснабжения – коллекторно-лучевая, с рециркуляцией горячей воды у потребителей;
o Трубопроводы системы водоснабжения – металлопластик Valtec;
o Теплоизоляция трубопроводов Энергофлекс Супер, толщиной 9мм;
o Для летнего водопровода предусмотрен кран Meibes SEPP-Eis с защитой от замерзания (не требующий слива в зимний период).
Внутренняя канализация.
o Предусмотрен безнапорный отвод стоков от санитарно-технических приборов;
o Трубопроводы канализации – раструбные SINIKON.
Заказать проект отопления, водоснабжения и канализации частного дома в нашей компании.



















