Выполненные проекты
Проект отопления дома из бревна в дер. Тишково
![]() |
![]() |
![]() |
![]() |
![]() |
![]() |
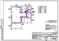
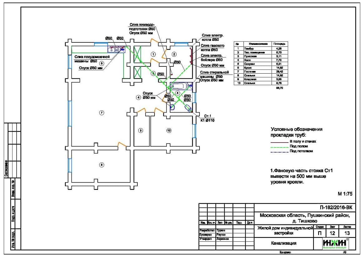
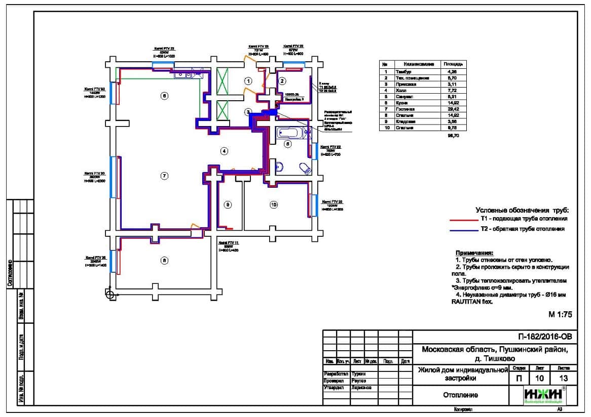
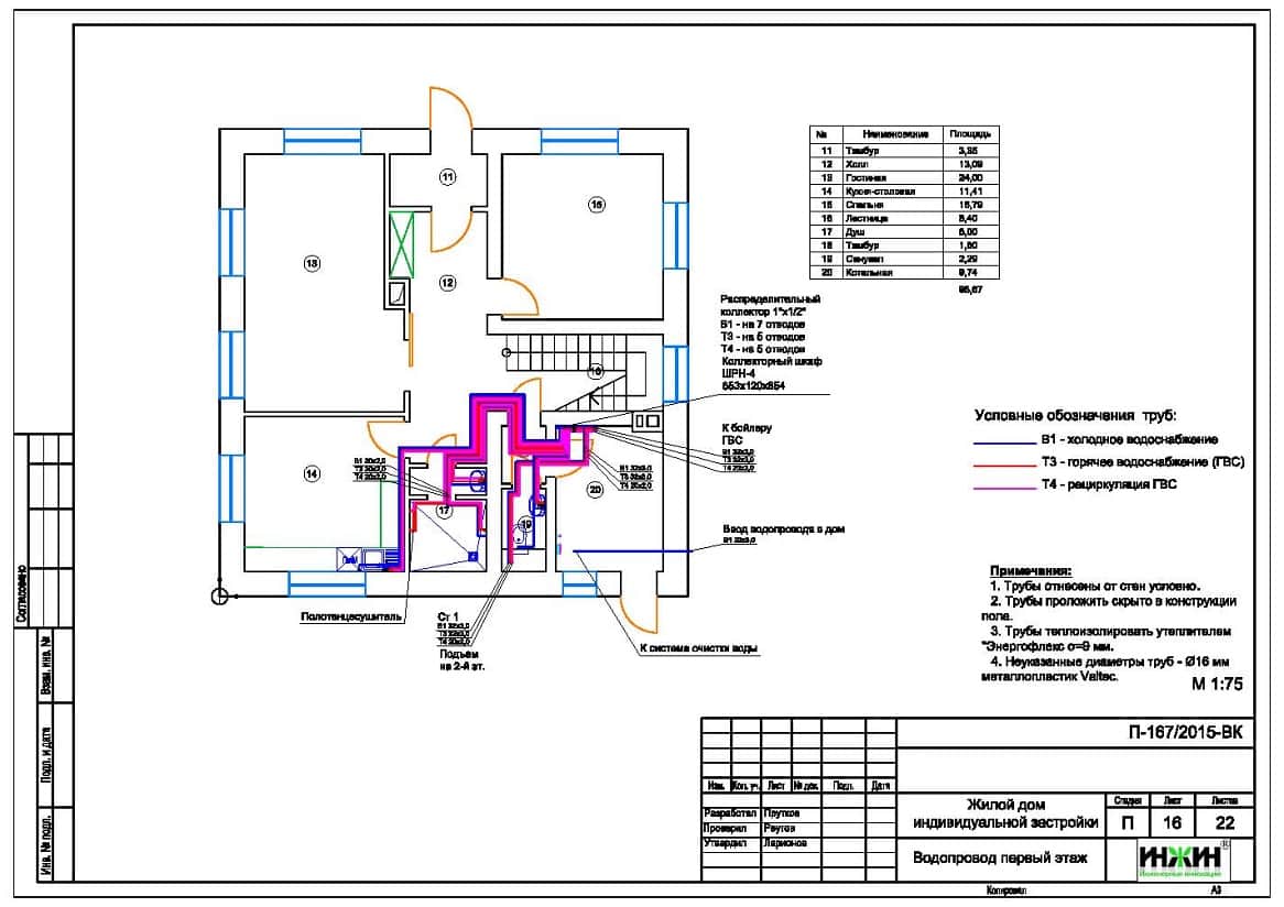
Проект отопления, водоснабжения и канализации: выполнен 08.09.2016
Объект: загородный дом из бревна площадью 100 кв.м. в дер. Тишково Пушкинского района Московской области
Вариант отопления: «Базовый»
Стоимость проекта: 22 500 руб. (минимальная стоимость проектирования)
Состав проекта:
1. Пояснительная записка. Общие данные
2. Теплотехнический расчет дома.
3. Тепломеханическая схема котельной с размещением оборудования.
4. Комплект чертежей радиаторного отопления дома.
5. Комплект чертежей внутреннего водопровода и канализации.
6. Схема системы канализации (аксонометрия).
7. Спецификация материалов и оборудования.
Объем проекта: 40 листов.
Технические решения, реализованные в проекте котельной, отопления, водоснабжения и канализации в соответствие с заданием Заказчика.
Индивидуальная котельная дома.
o Основной котел - настенный двухконтурный газовый BOSCH GAZ WBN6000-24C RN S5700 мощностью 24 кВт (в наличии на объекте), резервный котел электрический Protherm Скат 9 KR 13 мощностью 9 кВт;
o Контуры котельной – радиаторное отопление дома;
o Приготовление горячей воды при помощи бойлера электрического настенного Drazice, объемом 152 литра;
o Расширительные баки бойлера и колодезного насоса Reflex;
o Трубы дымоходные Bosch, коаксиальные, в исполнении «через стену»;
o Распределительный коллектор в котельной не предусмотрен;
o Подпитка отопления – ручная;
o Автоматика котельной встроена в котел.
Система радиаторного отопления.
o Отопление радиаторное, использованы панельные стальные радиаторы Kermi с нижним подключением;
o Схема радиаторного отопления двухтрубная, коллекторно-лучевая, с принудительной циркуляцией теплоносителя;
o Температурный график отопления 80/60°С;
o Трубопроводы отопления – сшитый полиэтилен Rehau;
o Распределительный коллектор отопления с термостатическими клапанами – Valtec, в сборе, на 9 отводов;
o Шкаф коллекторный Valtec, пристраиваемый;
o Теплоизоляция трубопроводов Энергофлекс Супер, толщиной 9мм;
o Теплоноситель в системе отопления – подготовленная вода.
Внутренний водопровод.
o Схема внутреннего водоснабжения – коллекторная, без рециркуляции горячей воды;
o Коллектор водопровода – Valtec VTc.560, сборный, с запорными вентилями;
o Трубопроводы системы водоснабжения – сшитый полиэтилен Rehau;
o Теплоизоляция трубопроводов Энергофлекс Супер, толщиной 9мм.
Внутренняя канализация.
o Предусмотрен безнапорный отвод стоков от санитарно-технических приборов;
o Трубопроводы канализации – раструбные SINIKON;
o Теплоизоляция трубопроводов Энергофлекс Супер, толщиной 13мм.
Заказать проект отопления, водоснабжения и канализации частного дома в нашей компании.
|
|
По этому проекту выполнен монтаж отопления, водоснабжения и канализации |




















