Выполненные проекты
Проект электрики дома площадью 326 м.кв. в г. Щелково Московской области
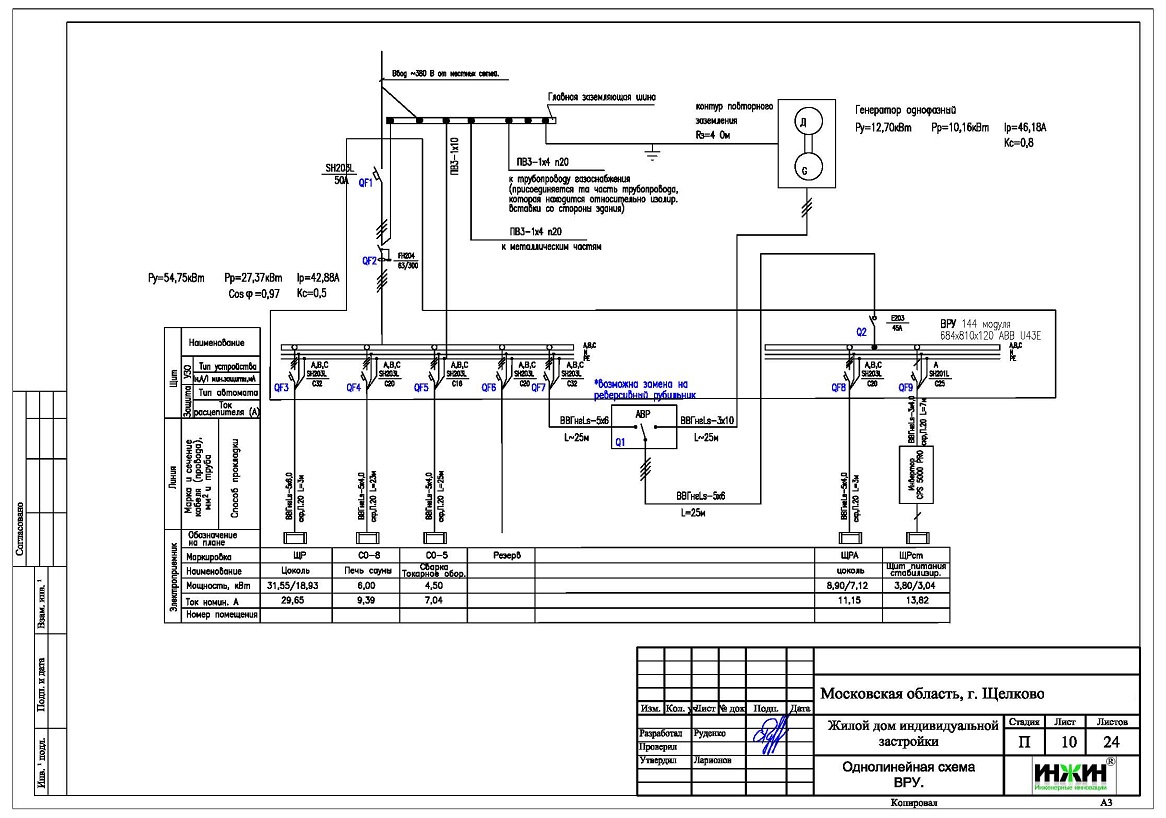
Объект: частный дом площадью 326 м.кв. из газобетонных блоков YTONG, расположенный в г. Щелково Московской области
Цена (стоимость) проекта электрики: 26 325 руб., со скидкой 15%.
Проект электрики выполнен: 27.02.2018
Состав проекта электрики дома из газобетонных блоков:
1. Пояснительная записка. Общие данные
2. Однолинейные схемы вводного распределительного устройства и поэтажных распределительных щитов.
3. Чертежи кабельных трасс силовых электрических сетей до распаечных коробок.
4. Чертежи групповых осветительных сетей до распаечных коробок.
5. Спецификация материалов и оборудования по системе электроснабжения и освещения.
Объем проекта: 24 листа.
Технические решения, принятые в проекте электрики частного дома, в соответствии с заданием на проектирование.
Распределительные электрические щиты.
o Проектом предусмотрено 4 распределительных щита, включая вводное распределительное устройство (ВРУ) и оснащенных 68 автоматами;
o Автоматические выключатели, дифференциальные автоматы и УЗО в щитах - ABB;
o Щитовое оборудование размещено во встроенных корпусах ABB.
Силовая кабельная сеть (электропроводка в частном доме).
o Электропроводка предусмотрена с использованием электрических кабелей ВВГ нг -LS с медными жилами в тройной изоляции;
o Общая протяженность линий электроснабжения и освещения – 1 636 метров, прокладка кабелей проектом предусмотрена от распределительных щитов до распаечных коробок, установленных в помещениях (комнатах) дома;
o Прокладка электропроводки от распаечных коробок до розеток и выключателей в помещениях проектом не предусматривалась (по Заданию Заказчика);
o Электропроводка предусмотрена скрытым способом, в защитной гофрированной ПВХ-трубе и металлорукаве в виниловой изоляции (в деревянных конструкциях мансарды).
Резервное электропитание.
Предусмотрено резервное электроснабжение дома, источник – дизельный генератор. К источнику резервного электропитания подключены следующие потребители электроэнергии:
- Освещение в проходных зонах на лестницах, в холлах, в спальнях и на кухне.
- Котлы газовые, циркуляционные насосы и система очистки воды;
- Розетки «фартука» кухни;
- Освещение въездных ворот и периметра участка;
- Привод въездных ворот.
Подробнее о резервном электропитании можно прочесть в нашей статье «Что нужно знать о резервном электроснабжении частного дома? Советы потребителю».
Заказать проект электрики дома из газобетонных блоков.



















