Выполненные проекты
Отопление и водоснабжение, проект для дома площадью 72 м.кв. в дер. Лопотово
Объект: одноэтажный дом площадью 72 м.кв., расположенный в дер. Лопотово Солнечногорского района Московской области
Вариант отопления: «Базовый»
Стоимость (цена) проекта отопления и водоснабжения дома: 19 125 руб. со скидкой 15% за комплексный проект отопления и электрики (проект котельной дома бесплатно).
Проект отопления и водоснабжения выполнен: 23.05.2018
Состав проекта котельной отопления и водоснабжения загородного дома:
1. Пояснительная записка проекта. Общие данные по системам отопления, водоснабжения и котельной.
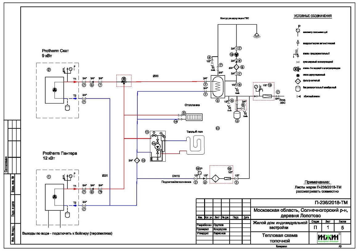
2. Тепломеханическая схема котельной с размещением оборудования.
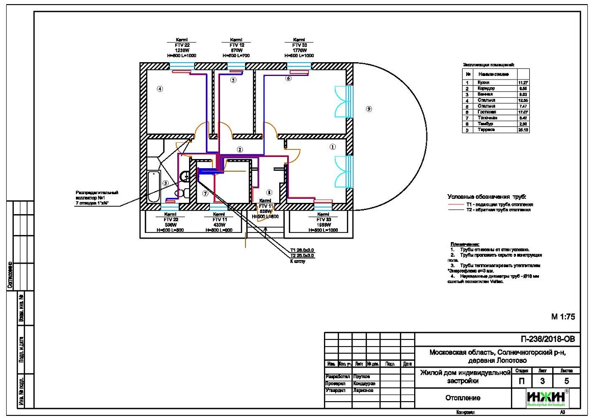
3. Комплект чертежей радиаторного и напольного отопления дома.
4. Комплект чертежей внутреннего водопровода.
5. Теплотехнический расчет отопления дома.
6. Спецификация материалов и оборудования котельной, отопления, теплого пола и водопровода.
Объем проекта: 32 листа.
Технические решения проекта отопления и водоснабжения, принятые в соответствии с заданием Заказчика.
Котельная дома (проект котельной бесплатно).
o Основной котел – настенный электрический Protherm Скат мощностью 9 кВт, резервный котел - газовый настенный Protherm Пантера 12 КТО мощностью 12 кВт;
o Размещение котельной – в отдельном помещении внутри дома;
o Контуры теплоснабжения котельной – радиаторное отопление дома, водяной теплый пол и горячее водоснабжение (бойлер косвенного нагрева);
o Для приготовления горячей воды предусмотрен накопительный бойлер Baxi Premier Plus 100, объемом 100 литров;
o Расширительные баки горячего водоснабжения и колодезного насоса Flamco, соответственно, 12 и 50 литров;
o Насос теплого пола Wilo (в комплекте насосно-смесительного узла для систем теплых полов), насос рециркуляции ГВС - Grundfos;
o Дымоудаление резервного котла принудительное – дымоход коаксиальный, комплект Protherm для горизонтального прохода через стену, 750мм;
o Коллектор в котельной не предусмотрен, бойлер подключен непосредственно к котлу через 3-ходовой клапан;
o Предусмотрена ручная подпитка отопления;
o Автоматика котельной – встроена в котел.
Система радиаторного отопления дома (проект отопления).
o Выполнен теплотехнический расчет отопления, расчетный расход тепла на отопление дома составил 7,35 кВт;
o Подобраны приборы для системы отопления: стальные панельные радиаторы Kermi с нижним подключением;
o Схема радиаторного отопления двухтрубная, коллекторно-лучевая, с принудительной циркуляцией теплоносителя;
o Температурный график системы отопления 80/60°С;
o Трубы отопления из полиэтилена повышенной термостойкости PE-RT Valtec;
o Коллектор отопления – Valtec, на 7 отводов, расположен в помещении котельной без коллекторного шкафа;
o Теплоизоляция трубопроводов отопления Энергофлекс, толщиной 9мм;
o Теплоноситель в системе отопления и теплых полов – подготовленная вода.
Водяной теплый пол дома (проект теплого пола).
o Водяной теплый пол в доме предусмотрен на площади 8 м.кв., 3 петли;
o Предусмотрен насосно-смесительный узел Valtec VT.COMBI с термоголовкой;
o Трубопроводы теплого пола - сшитый полиэтилен PEX-EVOH Valtec;
o Коллектор теплого пола Valtec с расходомерами на 3 отвода;
o Основание теплого пола – маты из пенополистирола Формат FT40/20;
o Регулирование температуры теплого пола общее, термоголовкой смесительного узла.
Водоснабжение дома (проект водопровода).
o Схема внутреннего водоснабжения – коллекторно-лучевая, с рециркуляцией горячей воды через полотенцесушитель;
o Коллектор водопровода – сборный, Valtec VTc.560, с запорными вентилями;
o Выполнен расчет 9-ти точек водопровода;
o Трубы системы водоснабжения – из полиэтилена повышенной термостойкости PE-RT Valtec;
o Для наружного использования предусмотрен кран шаровой водоразборный со штуцером, со сливом в зимний период;
o Теплоизоляция трубопроводов Энергофлекс, толщиной 9мм.




















