Выполненные проекты
Проект электрики дома с баней 131 м.кв. в дер. Орудьево
Объект: дом с баней и хозблоком площадью 131 м.кв. в дер. Орудьево, СНТ "Черкизовский Молзавод" Дмитровского района Московской области
Цена (стоимость) проекта электрики: 11 200 руб. со скидкой 10%.
Проект электрики выполнен: 20.05.2019
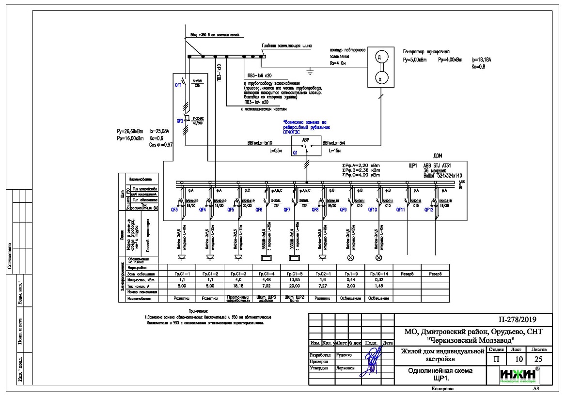
Состав проекта электрики дома в СНТ "Черкизовский Молзавод":
1. Пояснительная записка. Общие данные по электроснабжению и освещению дома, бани, хозблока и гаража.
2. Однолинейные схемы вводного распределительного устройства и электрических распределительных щитов (отдельно для каждого строения).
3. Чертежи электропроводки 1 и 2 этажей дома и бани в дер. Орудьево.
4. Чертежи групповых осветительных сетей дома с баней в дер. Орудьево.
5. Спецификация материалов и оборудования по электрике и электропроводке дома в дер. Орудьево.
Объем проекта электрики дома с баней 131 м.кв.: 25 листов.
Описание проекта электрики частного дома с баней площадью 131 м.кв.
Расчетные показатели по электроснабжению и освещению частного дома с баней в СНТ "Черкизовский Молзавод".
o Расчетная электрическая мощность дома составила 16,00 кВт, с учетом коэффициента спроса 0,6, принятого согласно СП 256.1325800.2016;
o При расчете учтено силовое оборудование: газовый котел, электрические водонагреватели (3шт.), духовой шкаф.
Распределительные электрические щиты дома с баней в СНТ "Черкизовский Молзавод".
o Проектом предусмотрено семь распределительных щитов, размещенных в доме, бане, хозблоке, душевой, беседке, летней кухне и навесе гаража;
o Автоматические выключатели, дифференциальные автоматы, рубильники и УЗО в щитах – ABB, в количестве 61 шт. размещены в электрических распределительных щитах.
Силовая кабельная сеть (электропроводка) дома в СНТ "Черкизовский Молзавод".
o Электропроводка дома, бани и хозблока предусмотрена с использованием кабелей ВВГ нг -LS с медными жилами в ПВХ-оболочке (не поддерживает горение), а также ретро-кабель (цвет - слоновая кость) Retrika;
o Общая протяженность линий электроснабжения и освещения – 1040 метров;
o Электропроводка предусмотрена скрытым и открытым способом, в защитной гофрированной ПВХ-трубе (усиленной конструкции) и на фарфоровых изоляторах Retrika (для ретро-кабеля);
o Запроектировано 110 точек подключения розеток и выключателей освещения в доме, бане, хозблоке и гараже;
o Электрический счетчик марки ЦЭ2727А, расположен во вводном щите на территории участка.
Предусмотрен контур повторного заземления для всех строений.
Заказать проект электрики дома.






















