Выполненные проекты
Проект электрики деревянного дома в СНТ Мельник
Объект: деревянный дом (брус) общей площадью 110 м.кв. в СНТ "Мельник" Солнечногорского района Московской области
Цена (стоимость) проекта электрики (электропроводки): 9 405 руб. со скидкой 10%, проект слаботочных кабельных линий - бесплатно.
Проект электрики выполнен: 15.02.2021
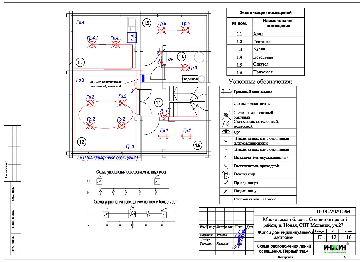
Состав проекта электрики дома в СНТ "Мельник":
1. Пояснительная записка. Общие данные по электроснабжению и освещению частного дома в СНТ "Мельник".
2. Однолинейные схемы вводного распределительного устройства и электрического распределительного щита дома 110 м.кв.
3. Чертежи электропроводки дома в СНТ "Мельник".
4. Чертежи групповых осветительных сетей дома в СНТ "Мельник".
5. Спецификация материалов и оборудования по электрике и электропроводке дома в СНТ "Мельник".
Объем проекта электрики дома 110 м.кв.: 16 листов.
Проект электрики дома площадью 110 м.кв. в СНТ "Мельник"- подробное описание.
Расчетные показатели по электроснабжению и освещению дома в СНТ "Мельник".
o Расчетная электрическая мощность дома составила 22,07 кВт, с учетом коэффициента спроса 0,6, принятого согласно СП 256.1325800.2016;
o При расчете учтено силовое оборудование: септик, электрический котел, колодезный насос, парогенератор, электроплита, кондиционеры.
Распределительный электрический щит дома площадью 110 м.кв.
o Проектом предусмотрен распределительный электрический щит, размещенный в коридоре;
o Автоматические выключатели, дифференциальные автоматы, рубильники и УЗО в щите – ABB, в количестве 24 шт. размещены в пристраиваемом корпусе.
Силовая кабельная сеть (электропроводка) дома в СНТ "Мельник".
o Электропроводка дома предусмотрена с использованием кабелей ВВГ нг -LS с медными жилами в ПВХ-оболочке (не поддерживает горение);
o Общая протяженность линий электроснабжения и освещения – 650 метров, вводная кабельная линия - бронированный кабель 60 метров;
o Электропроводка предусмотрена скрытым способом, в металлорукаве в виниловой оболочке;
o Запроектировано 78 точек подключения розеток и выключателей освещения в доме;
o Предусмотрены слаботочные линии телевидения, общая протяженность - 50 метров.
Предусмотрена система резервного электропитания с использованием дизельного генератора (по выбору Заказчика).
Заказать проект электрики деревянного дома дистанционно.
Для этого дома в СНТ "Мельник" выполнен проект отопления, водоснабжения и канализации.



















