Выполненные проекты
Отопление дома 197 м.кв. в СНТ "Загорново-2", проект
Объект: трехэтажный загородный дом из бруса, площадью 197 м.кв., расположенный в АДНП "Загорново-2" Московской области.
Цена проекта отопления, канализации и водоснабжения: 29 595 руб. со скидкой 10%, проект котельной - бесплатно.
Проект котельной, отопления, водоснабжения и канализации выполнен: 10.02.2021
Состав проекта котельной, отопления, канализации и водоснабжения дома в АДНП "Загорново-2":
1. Пояснительная записка проекта, общие данные по системам отопления, канализации и водоснабжения дома 197 м.кв. в АДНП "Загорново-2".
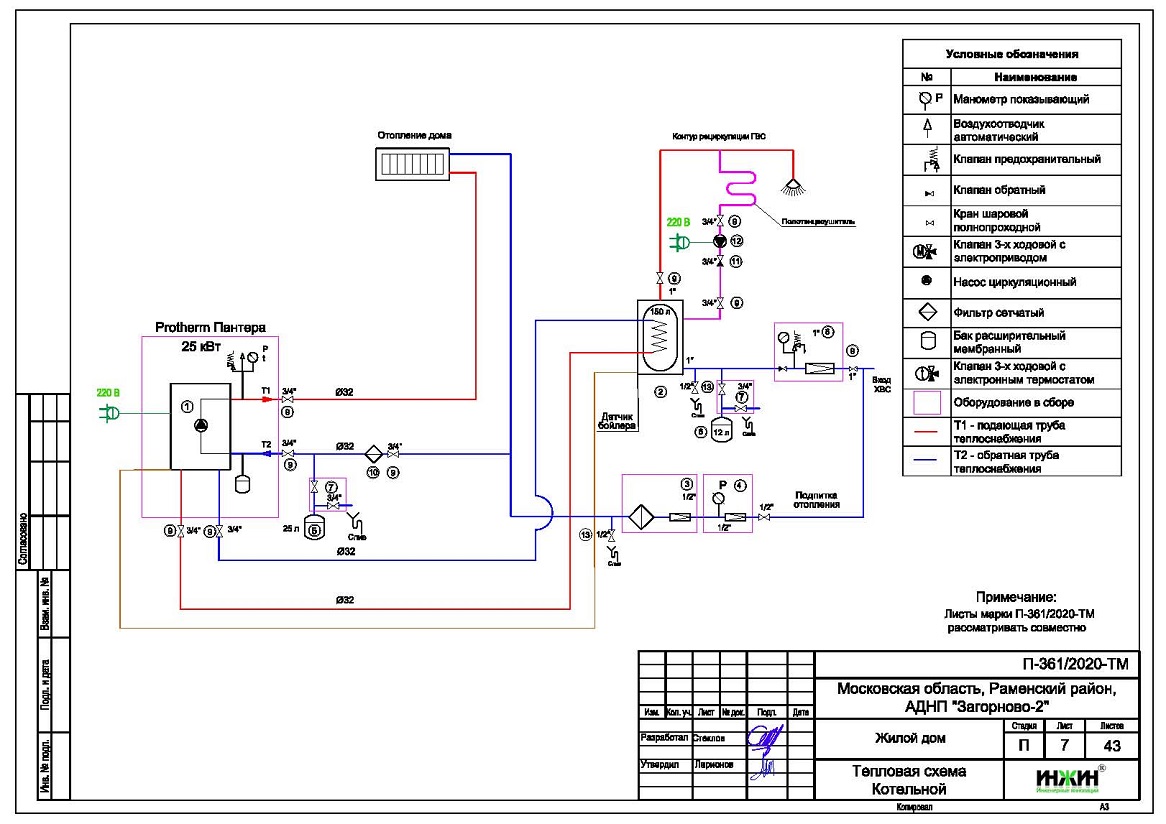
2. Тепломеханическая схема котельной с размещением оборудования в отдельном помещении дома из бруса.
3. Комплект поэтажных чертежей радиаторного отопления дома в АДНП "Загорново-2".
4. Комплект чертежей водоснабжения и канализации частного дома из бруса в АДНП "Загорново-2".
5. Типовые схемы системы отопления канализации и водоснабжения дома 197 м.кв.
6. Теплотехнический расчет отопления дома из бруса.
7. Спецификация материалов и оборудования по котельной, отоплению, канализации и водоснабжению дома в АДНП "Загорново-2".
Объем проекта отопления, канализации и водоснабжения дома в АДНП "Загорново-2": 43 листа.
Описание проекта отопления, котельной, канализации и водоснабжения частного дома 197 м.кв. в АДНП "Загорново-2".
Котельная частного дома в АДНП "Загорново-2"(проект котельной бесплатно).
o Размещена в отдельном помещении дома 197 м.кв.;
o Теплогенератор - настенный газовый котел Protherm Пантера, мощностью 25 кВт;
o Контуры теплоснабжения котельной – радиаторное отопление дома и горячее водоснабжение, для которого предусмотрен накопительный бойлер Vaillant uniSTOR, объемом 150 литров (подключение к котлу);
o Расширительные баки отопления и бойлера Flamco, объемом 12 и 25 литров соответственно;
o Дымоудаление принудительное, дымоход коаксиальный, комплект Protherm для прохода через кровлю, диаметр 80/125 мм;
o Распределительный коллектор не предусмотрен;
o Автоматика котельной – встроена в котел.
Отопление дома в АДНП "Загорново-2" (проект отопления дома).
o Выполнен теплотехнический расчет отопления дома из бруса (утеплитель стен, пола и кровли - базальтовая вата 200мм) с учетом теплопотерь через ограждающие конструкции при наружной температуре -35°С (по запросу Заказчика), расчетный расход тепла на отопление дома составил 14,67 кВт, удельные теплопотери 76,1 Вт/м.кв.;
o Подобраны приборы для отопления дома: стальные панельные радиаторы KERMI с боковым подключением;
o Схема радиаторного отопления дома двухтрубная, стояковая, с принудительной циркуляцией теплоносителя и температурным графиком 80/60°С;
o Трубы отопления из сшитого полиэтилена Rehau;
o Теплоизоляция трубопроводов отопления не предусмотрена;
o Теплоноситель в системе радиаторного отопления дома – подготовленная вода, предусмотрены средства защиты от образования накипи.
Внутренний водопровод дома в АДНП "Загорново-2" (проект водоснабжения).
o Схема внутреннего водоснабжения дома – тройниковая с рециркуляцией горячей воды через водяные полотенцесушители, выполнен расчет 18-ти точек водоснабжения и полотенцесушителей;
o Трубопроводы системы водоснабжения – из сшитого полиэтилена Rehau;
o Теплоизоляция трубопроводов водоснабжения не предусмотрена;
o Для летнего водопровода предусмотрен незамерзающий кран Meibes SEPP-Eis.
Внутренняя канализация (проект канализации) дома в АДНП "Загорново-2".
o Безнапорная, отвод стоков от санитарно-технических приборов предусмотрен в септик;
o Произведен расчет 11-ти точек бытовой канализации;
o Канализационные трубы Синикон, раструбные, из полипропилена.
Заказать в нашей компании проект отопления, водоснабжения и канализации загородного дома дистанционно со скидкой.
По этому проекту выполнен монтаж систем отопления, водоснабжения и канализации.






















