Выполненные проекты
Проект отопления загородного дома 317 м.кв. с бассейном
Объект: частный дом с бассейном площадью 317 м.кв. в КП "Лосиноостровские Усадьбы" Щелковского района Московской области
Вариант отопления: «Комфортный»
Стоимость проекта отопления: 57 150 руб., проект котельной - бесплатно
Проект отопления дома с бассейном: выполнен 16.04.2013
Состав проекта отопления, водоснабжения и канализации:
Пояснительная записка. Общие данные по котельной, отоплению, водоснабжению и канализации
Теплотехнический расчет отопления.
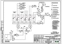
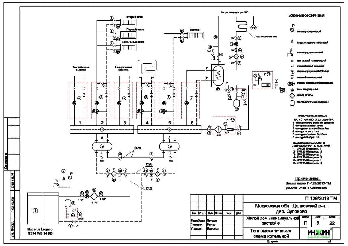
Тепломеханическая схема котельной с размещением оборудования.
Комплект рабочих чертежей радиаторного отопления и теплого пола частного дома.
Комплект рабочих чертежей внутреннего водопровода и канализации жилого дома.
Спецификация оборудования котельной, отопления, водоснабжения и канализации.
Объем проекта отопления: 47 листов.
Описание проекта отопления, водоснабжения и канализации деревянного дома с бассейном.
Котельная деревянного дома (проект котельной бесплатно).
o На базе напольного газового котла Buderus Logano G334WS мощностью 94 кВт;
o Контуры теплоснабжения – 6 шт.: радиаторного отопления дома, радиаторного отопления бассейна, теплого пола, теплоснабжения вентиляции бассейна и подогрева воды в бассейне, бойлера горячего водоснабжения дома;
o Приготовление горячей воды при помощи бойлера Buderus Logalux SU300 объемом 300 литров;
o Расширительные баки отопления и водоснабжения Reflex (Германия);
o Насосы отопления, теплого пола, теплообменника бассейна и горячего водоснабжения - Grundfos, в составе насосных групп котельной;
o Трубы дымоходные – Rosinox (Россия);
o Распределительные коллекторы с насосно-смесительными узлами Meibes (Германия), заводской готовности – 2 шт.;
o Автоматика котельной – Buderus, Logamatic 4321.
Автоматизация котельной и отопления (вариант «Комфортный»).
o Автоматическое регулирование отопления по наружной температуре (погодное регулирование);
o Автоматическое поддержание заданной температуры контуров отопления, теплых полов и горячего водоснабжения.
Система отопления (проект отопления дома с бассейном).
o Проектом предусмотрено использование стальных панельных радиаторов Kermi FTV с подключением снизу из пола, а также встроенных в пол конвекторов EVA (в местах панорамного остекления бассейна);
o Схема радиаторного отопления двухтрубная, коллекторно-лучевая с принудительной циркуляцией теплоносителя;
o Температурный график радиаторного отопления 80/60° С;
o Магистральные и подводящие трубопроводы отопления – сшитый полиэтилен Rehau RAUTITAN flex.
Водяной теплый пол.
o Теплый пол запроектирован на площади 132 м.кв.;
o Трубопроводы теплого пола - сшитый полиэтилен Rehau RAUTHERM S;
o Напольный утеплитель – ячеистый пенополистирол «Формат» (Россия).
Система теплоснабжения вентиляции и бассейна
В соответствии с исходными данными Заказчика для теплоснабжения вентиляции и теплообменника бассейна запроектированы отдельные контуры котельной со следующими показателями:
o Контур теплоснабжения вентиляции бассейна - 15 кВт;
o Контур теплообменника бассейна - 40 кВт.
Внутренний водопровод.
o Схема внутреннего водоснабжения – коллекторная с рециркуляцией горячей воды;
o Трубопроводы системы водоснабжения – Армированный полипропилен Valtec.
Внутренняя канализация.
o Предусмотрен безнапорный отвод стоков от санитарно-технических приборов дома;
o Участок напорной канализации предусмотрен в цокольном этаже с использованием КНС Grundfos Sololift2 С-3;
o Трубопроводы канализации – полипропилен Политрон (Россия).




















По этому проекту выполнен монтаж отопления, водоснабжения и канализации