Выполненные проекты
Отопление дома 582 м.кв. в Истринском районе, проект
Объект: двухэтажный загородный дом из бетона, площадью 582 м.кв., расположенный в дер. Лобаново Истринского района Московской области
Вариант отопления: «Комфортный»
Цена проекта отопления, канализации и водоснабжения: 151 245 руб. со скидкой 10%, проект котельной - бесплатно.
Проект котельной, отопления, водоснабжения и канализации выполнен: 28.12.2021
Состав проекта котельной, отопления, канализации и водоснабжения дома в дер. Лобаново:
1. Пояснительная записка проекта, общие данные по системам отопления, канализации и водоснабжения дома 582 м.кв. в дер. Лобаново.
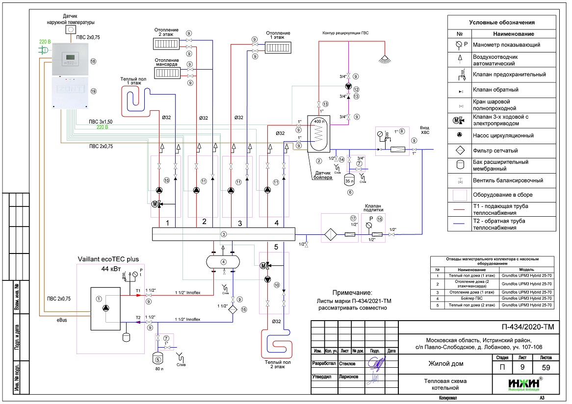
2. Тепломеханическая схема котельной с размещением оборудования в отдельном помещении дома из бетона.
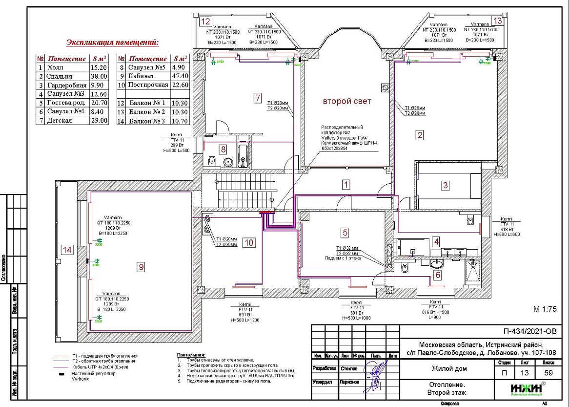
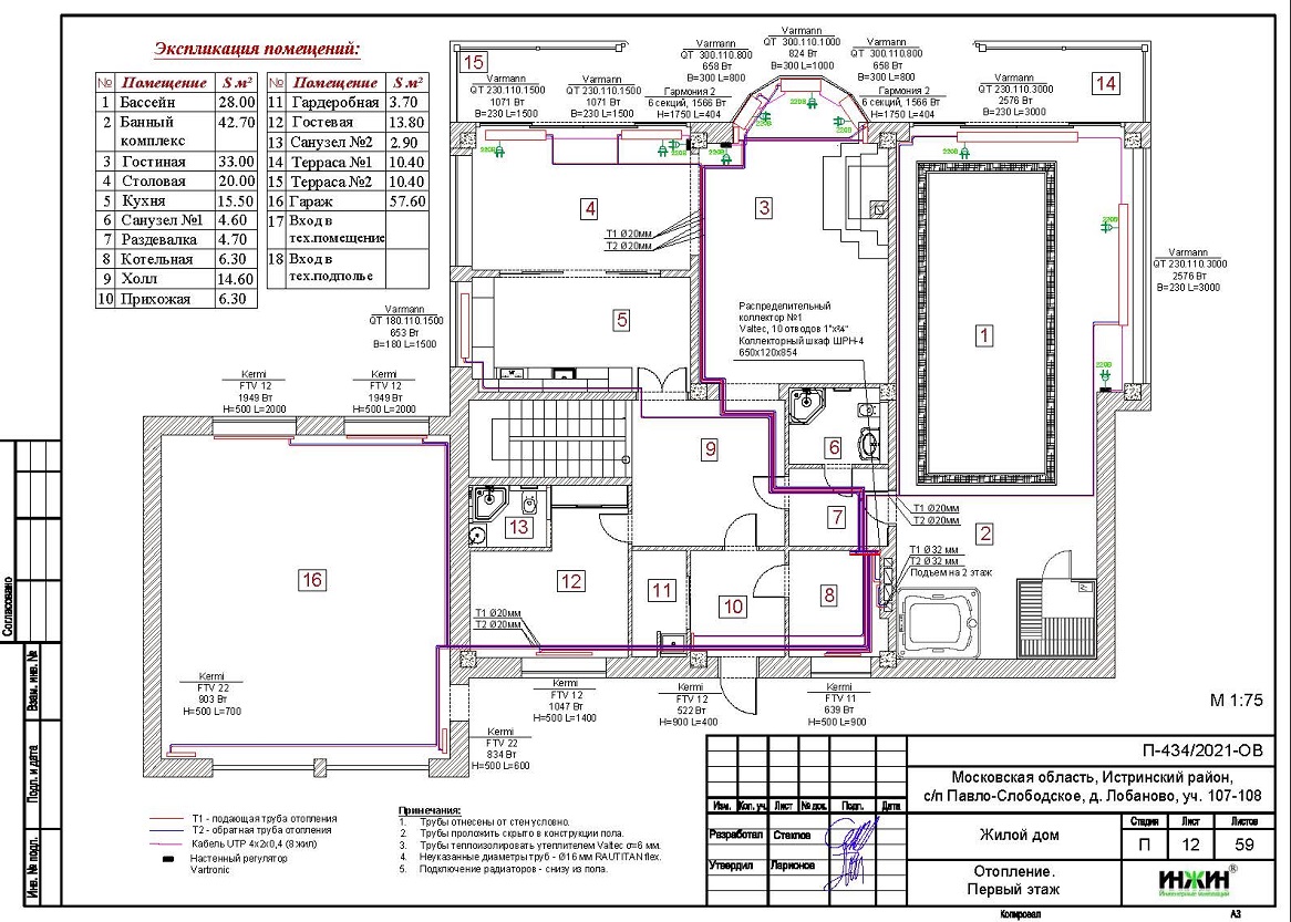
3. Комплект поэтажных чертежей радиаторного отопления дома в дер. Лобаново.
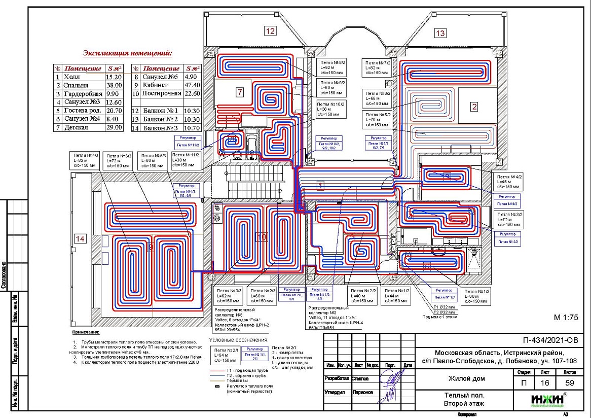
4. Комплект чертежей теплого пола на площади 349 м.кв.
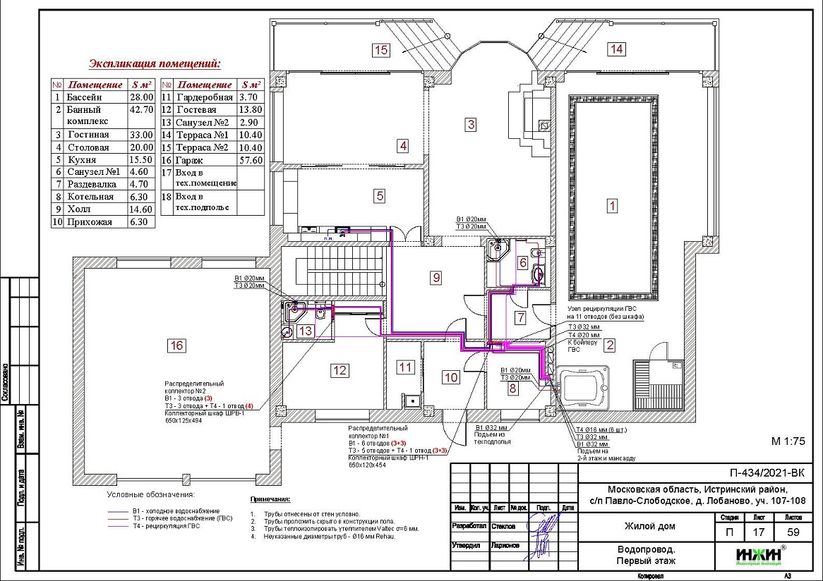
5. Комплект чертежей водоснабжения и канализации частного дома из бетона в дер. Лобаново.
6. Типовые схемы системы отопления канализации и водоснабжения дома 582 м.кв.
7. Теплотехнический расчет отопления дома из бетона.
8. Спецификация материалов и оборудования по котельной, отоплению, канализации и водоснабжению дома в дер. Лобаново.
Объем проекта отопления, канализации и водоснабжения дома в дер. Лобаново: 59 листов.
Описание проекта отопления, котельной, канализации и водоснабжения частного дома 582 м.кв. в дер. Лобаново.
Котельная частного дома в дер. Лобаново(проект котельной бесплатно).
o Размещена в отдельном помещении подвального этажа дома 582 м.кв.;
o Теплогенераторы - два настенных газовых котла Vaillant turboTEC plus, мощностью 36 кВт каждый (итоговый вариант котельной);
o Контуры теплоснабжения котельной – радиаторное отопление 1 и 2 этажей дома, теплый пол (по одному на этаж) и горячее водоснабжение, для которого предусмотрен накопительный бойлер Vaillant uniSTOR, объемом 400 литров (подключение к коллектору);
o Расширительные баки отопления и бойлера Flamco, объемом 80 и 35 литров, соответственно;
o Дымоудаление принудительное, дымоход коаксиальный, два комплекта Vaillant для горизонтального прохода через стену, диаметр 60/100 мм;
o Распределительный коллектор - Meibes с насосными группами;
o Автоматика котельной – контроллер ZONT Climatic 1.3 со встроенным GSM-модулем.
Отопление дома в дер. Лобаново (проект отопления дома).
o Выполнен теплотехнический расчет отопления дома из бетона (утеплитель кровли и стен - минеральная вата 150мм) с учетом теплопотерь через ограждающие конструкции при наружной температуре -28°С для Московской области (по СП 131.13330.2012), расчетный расход тепла на отопление дома составил 51,3 кВт, удельные теплопотери 82,7 Вт/м.кв.;
o Подобраны приборы для отопления дома: стальные панельные радиаторы Kermi с нижним подключением, в вентильном исполнении, а также встроенные в пол конвекторы Varmann c принудительной конвекцией;
o Схема радиаторного отопления дома двухтрубная, коллекторно-лучевая, с принудительной циркуляцией теплоносителя и температурным графиком 80/60°С;
o Трубы отопления из сшитого полиэтилена Rehau;
o Теплоизоляция трубопроводов отопления Valtec, толщиной 6мм;
o Теплоноситель в системе радиаторного отопления дома – подготовленная вода, предусмотрены средства защиты от образования накипи.
Водяной теплый пол дома в дер. Лобаново (проект теплого пола).
o Водяной теплый пол в доме предусмотрен на площади 349 м.кв., коллекторы теплого пола Valtec на 6, 11 и 12 отводов;
o Предусмотрено два насосно-смесительных узла для теплоснабжения водяного теплого пола дома (по одному на этаж) - в составе насосных групп;
o Трубопроводы теплого пола – сшитый полиэтилен Rehau;
o Регулирование температуры теплого пола - общее, регулятором на смесительной группе, а также локальное - по помещениям, при помощи электронных комнатных термостатов.
Внутренний водопровод дома в дер. Лобаново (проект водоснабжения).
o Схема внутреннего водоснабжения дома – коллекторно-лучевая с рециркуляцией горячей воды через водяные полотенцесушители, выполнен расчет 38-и точек водоснабжения и полотенцесушителей;
o Трубопроводы системы водоснабжения – из сшитого полиэтилена Rehau;
o Теплоизоляция трубопроводов Энергофлекс Супер, толщиной 9мм;
o Для летнего водопровода предусмотрен незамерзающий кран Meibes SEPP-Eis.
Внутренняя канализация (проект канализации) дома в дер. Лобаново.
o Безнапорная, отвод стоков от санитарно-технических приборов предусмотрен в септик, слив бассейна - в ливневую канализацию;
o Произведен расчет 23-х точек бытовой канализации;
o Канализационные трубы Rehau, раструбные, в шумозащитном исполнении.






















