Выполненные проекты
Отопление твинхауса 340 м.кв. в КП "Суханово Парк"
Объект: твинхаус из блоков Porotherm, площадью 340 м.кв., расположенный в КП "Суханово Парк" Московской области
Вариант отопления: «Комфортный»
Цена проекта отопления, канализации и водоснабжения: 78 228 руб. со скидкой 10%, проект котельной - бесплатно.
Проект котельной, отопления, водоснабжения и канализации выполнен: 09.09.2022
Состав проекта котельной, отопления, канализации и водоснабжения дома в КП "Суханово Парк":
1. Пояснительная записка проекта, общие данные по системам отопления, канализации и водоснабжения дома 340 м.кв. в КП "Суханово Парк".
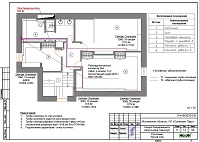
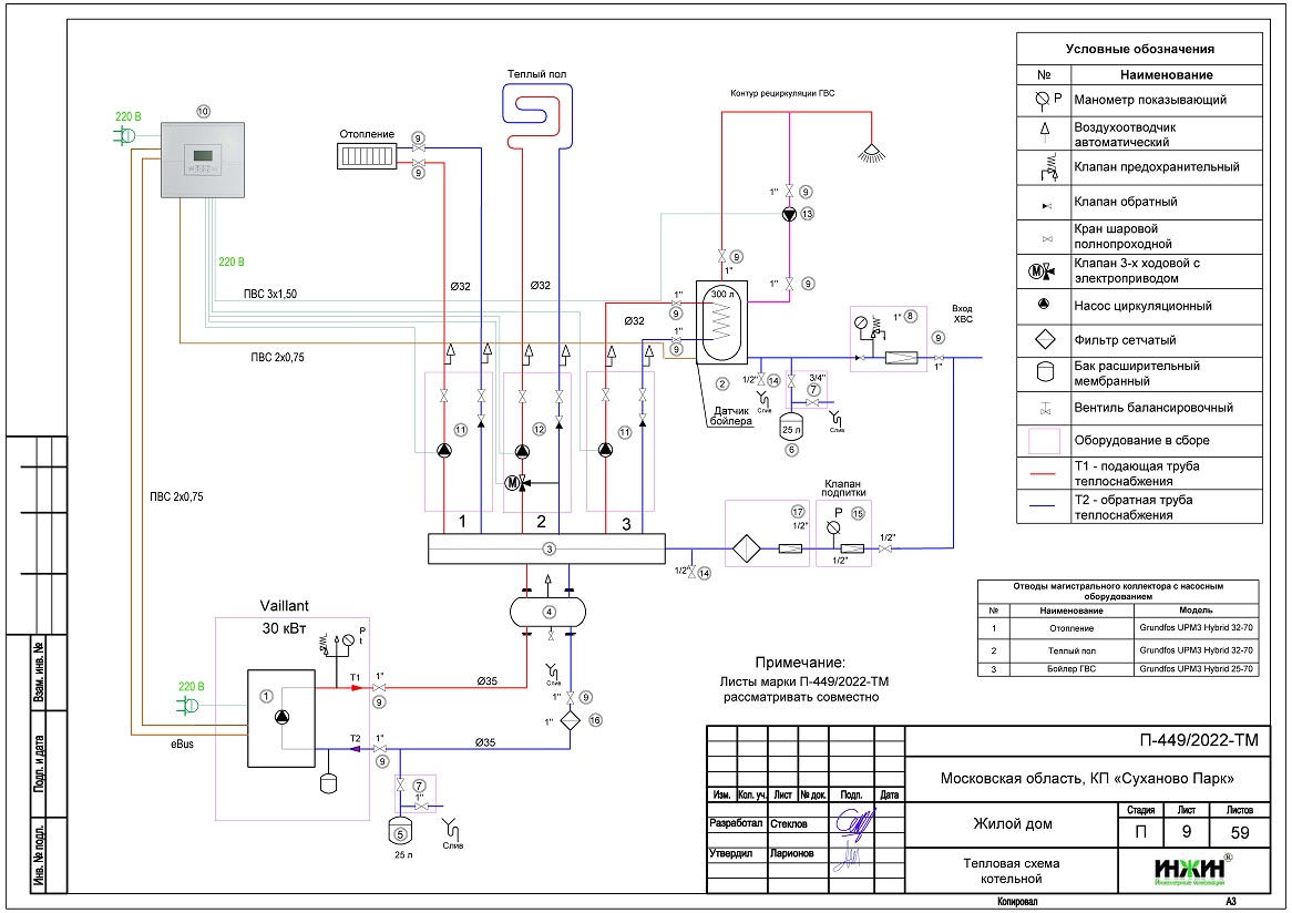
2. Тепломеханическая схема котельной с размещением оборудования в отдельном помещении дома (твинхауса) из блоков Porotherm.
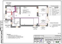
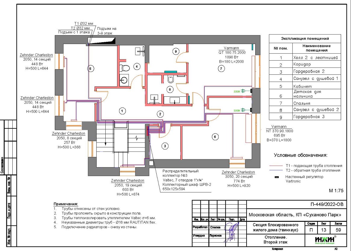
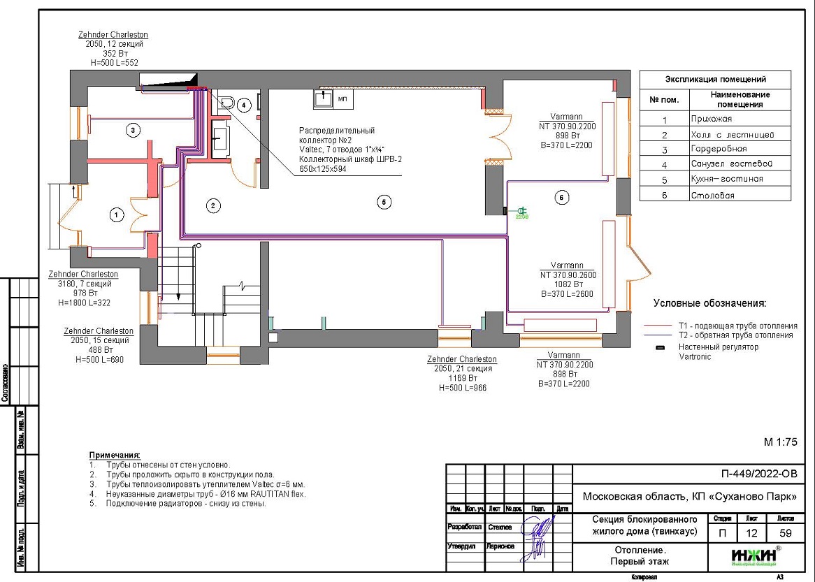
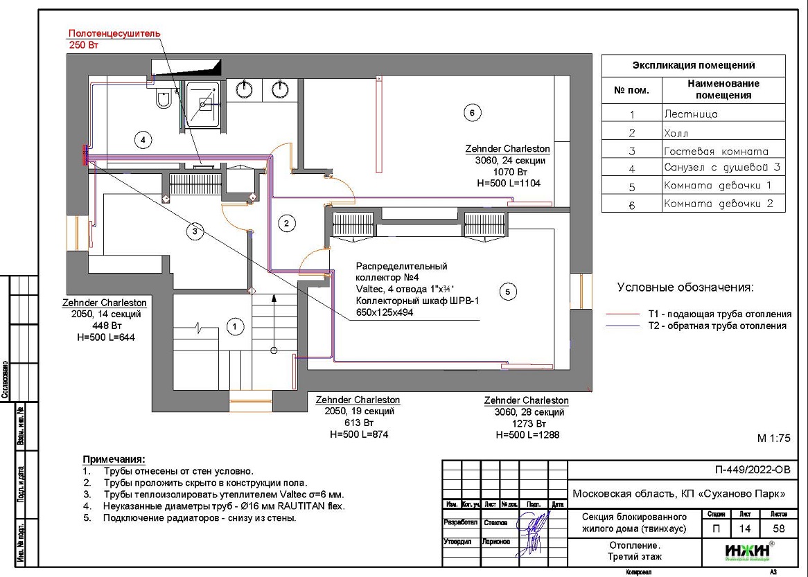
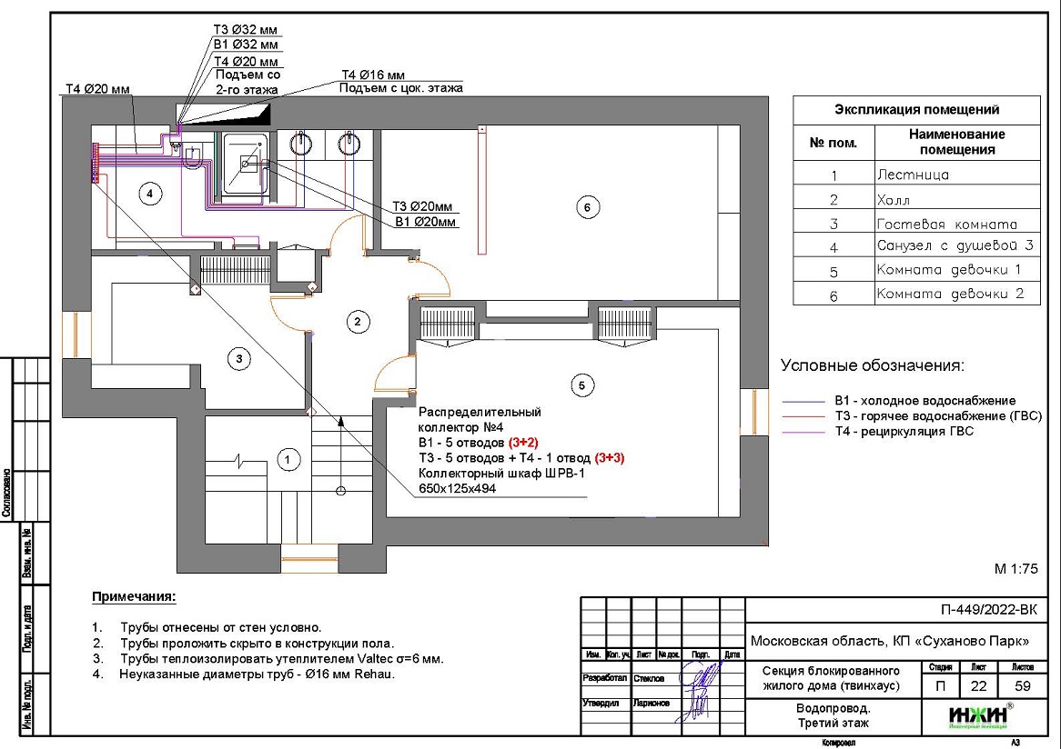
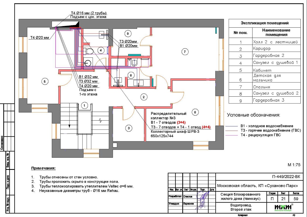
3. Комплект поэтажных чертежей радиаторного отопления дома в КП "Суханово Парк".
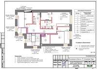
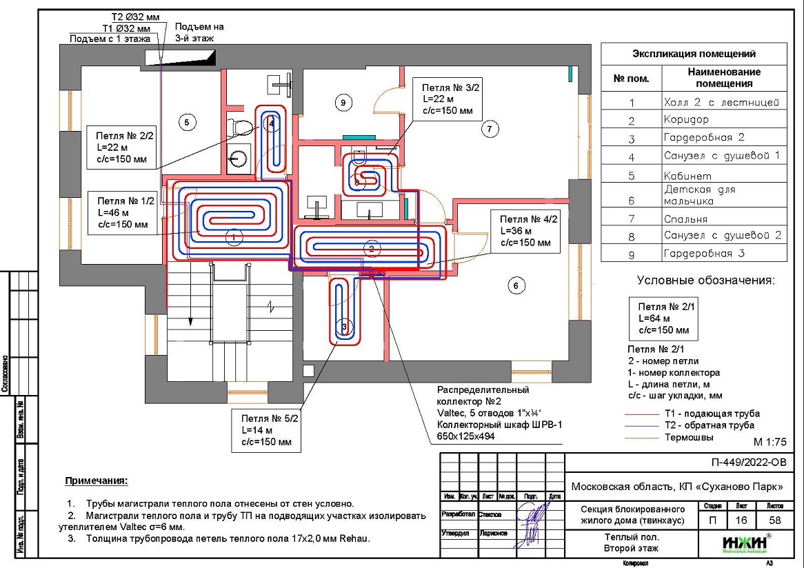
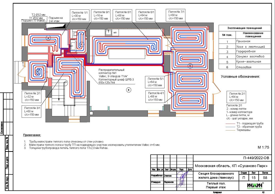
4. Комплект чертежей теплого пола на площади 109 м.кв.
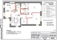
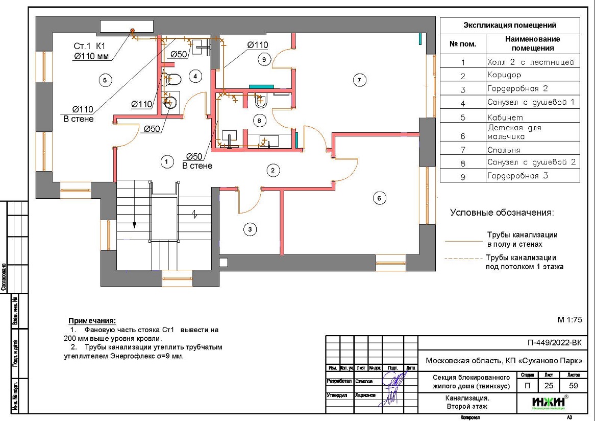
5. Комплект чертежей водоснабжения и канализации частного дома из блоков Porotherm в КП "Суханово Парк".
6. Типовые схемы системы отопления канализации и водоснабжения дома 340 м.кв.
7. Теплотехнический расчет отопления дома из блоков Porotherm.
8. Спецификация материалов и оборудования по котельной, отоплению, канализации и водоснабжению дома в КП "Суханово Парк".
Объем проекта отопления, канализации и водоснабжения дома в г. Звенигород: 59 листов.
Описание проекта отопления, котельной, канализации и водоснабжения частного дома 340 м.кв. в КП "Суханово Парк".
Котельная частного дома в КП "Суханово Парк"(проект котельной бесплатно).
o Размещена в отдельном помещении дома 340 м.кв.;
o Теплогенератор - настенный газовый конденсационный котел Vaillant, мощностью 30 кВт;
o Контуры теплоснабжения котельной – радиаторное отопление дома, теплый пол и горячее водоснабжение, для которого предусмотрен накопительный бойлер Vaillant, объемом 300 литров (подключение к коллектору);
o Расширительные баки отопления и бойлера Flamco, объемом 25 литров каждый;
o Дымоудаление принудительное, дымоход коаксиальный, в строительной шахте с выводом через кровлю;
o Распределительный коллектор Meibes, с насосно-смесительными группами;
o Автоматика котельной – контроллер ZONT Climatic 1.2 со встроенным GSM-модулем.
Отопление дома в КП "Суханово Парк" (проект отопления дома).
o Выполнен теплотехнический расчет отопления дома из блоков Porotherm (утеплитель кровли базальтовая вата, 200мм, стен - пеноплекс 50мм) с учетом теплопотерь через ограждающие конструкции при наружной температуре -28°С для Московской области (по СП 131.13330.2012), расчетный расход тепла на отопление дома составил 19,79 кВт, удельные теплопотери 58,8 Вт/м.кв.;
o Подобраны приборы для отопления дома и гаража: стальные дизайн-радиаторы Zehnder с нижним подключением, в вентильном исполнении и встроенные в пол конвекторы Varmann с естественной и принудительной конвекцией;
o Схема радиаторного отопления дома двухтрубная, коллекторно-лучевая, с принудительной циркуляцией теплоносителя и температурным графиком 80/60°С;
o Трубы отопления из сшитого полиэтилена Rehau;
o Теплоизоляция трубопроводов отопления Valtec, толщиной 6мм;
o Теплоноситель в системе радиаторного отопления дома – подготовленная вода, предусмотрены средства защиты от образования накипи.
Водяной теплый пол дома в КП "Суханово Парк" (проект теплого пола).
o Водяной теплый пол в доме предусмотрен на площади 109 м.кв., 21 петля, коллекторы теплого пола Valtec на 3, 5, 6 и 9 отводов;
o Предусмотрен насосно-смесительный узел для теплоснабжения водяного теплого пола в котельной;
o Трубопроводы теплого пола – сшитый полиэтилен Rehau RAUTHERM S, основание - плиты пенополистирольные с покрытием и фиксирующими бобышками EasyFix L (Формат);
o Регулирование температуры теплого пола - общее, контуром котельной.
Внутренний водопровод дома в КП "Суханово Парк" (проект водоснабжения).
o Схема внутреннего водоснабжения дома – коллекторно-лучевая с рециркуляцией горячей воды через полотенцесушители, выполнен расчет 49-и точек водоснабжения и полотенцесушителей;
o Трубопроводы системы водоснабжения – из сшитого полиэтилена Rehau;
o Теплоизоляция трубопроводов Valtec, толщиной 6мм.
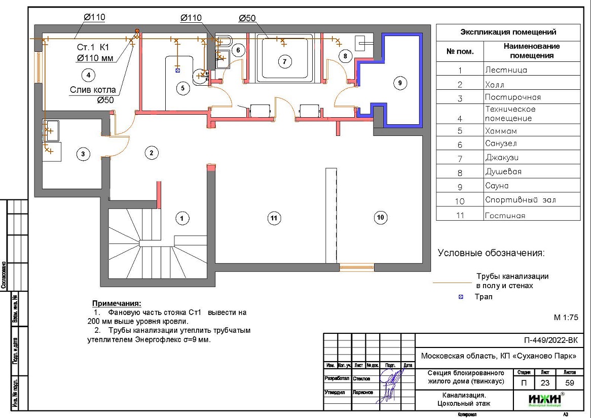
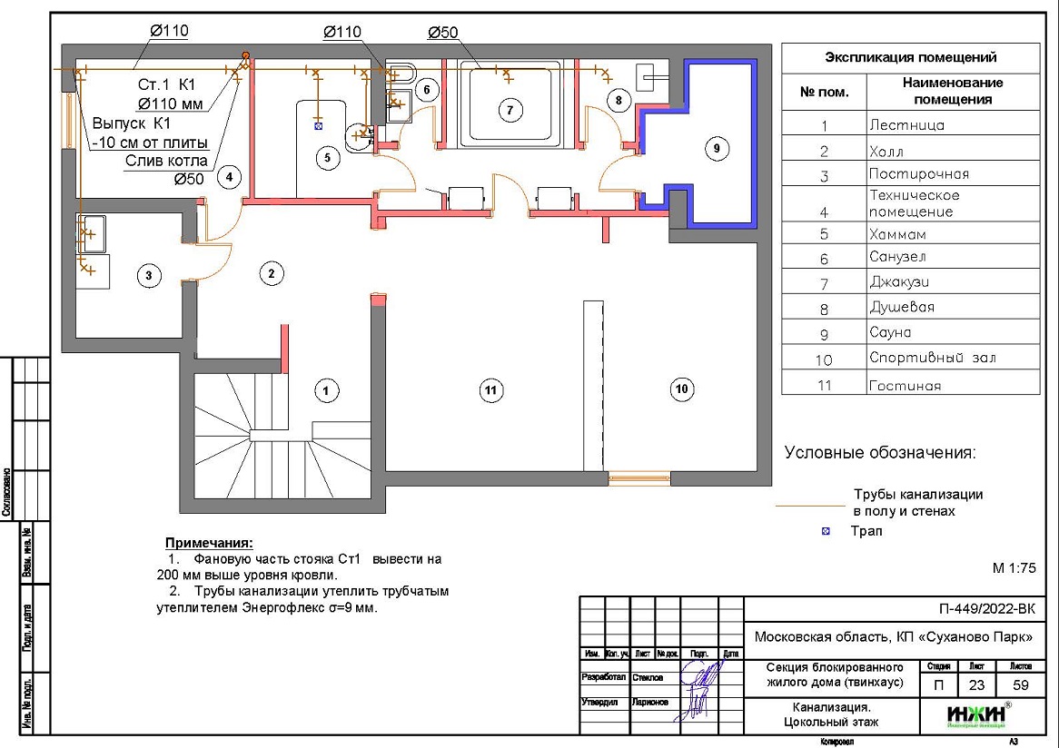
Внутренняя канализация (проект канализации) дома в КП "Суханово Парк".
o Безнапорная, отвод стоков от санитарно-технических приборов предусмотрен в септик;
o Произведен расчет 19-и точек бытовой канализации, в том числе 1 трап с "сухим" затвором;
o Канализационные трубы Синикон, раструбные, из полипропилена, утепленные трубчатым утеплителем Энергофлекс Супер, 9мм.































