Выполненные проекты
Проект электрики дома 200 м.кв. во Владимирской области
Объект: частный деревянный дом (бревно), площадью 200 м.кв., расположенный в пос. Бавлены, Владимирской области
Цена (стоимость) проекта электрики (электропроводки): 23 940 руб. со скидкой 10%, проект слаботочных кабельных линий - бесплатно.
Проект электрики выполнен: 27.07.2023
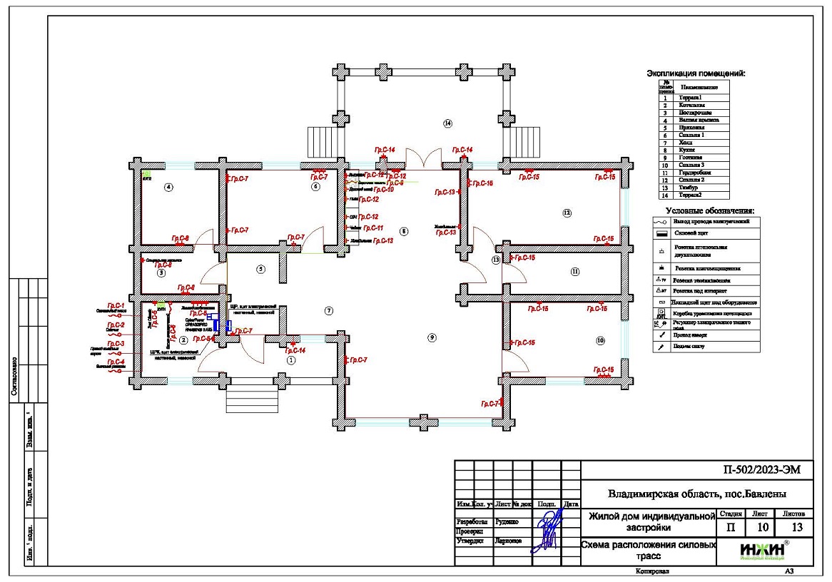
Состав проекта электрики дома в пос. Бавлены, Владимирской области:
1. Пояснительная записка. Общие данные по электроснабжению и освещению частного дома в пос. Бавлены, Владимирской области.
2. Однолинейные схемы вводного распределительного устройства и электрического распределительного щита дома 200 м.кв.
3. Чертежи электропроводки дома в пос. Бавлены, Владимирской области.
4. Чертежи групповых осветительных сетей дома в пос. Бавлены, Владимирской области.
5. Спецификация материалов и оборудования по электрике и электропроводке дома в пос. Бавлены, Владимирской области.
Объем проекта электрики дома 200 м.кв.: 13 листов.
Проект электрики дома площадью 200 м.кв. в пос. Бавлены, Владимирской области- подробное описание.
Расчетные показатели по электроснабжению и освещению дома в пос. Бавлены, Владимирской области.
o Расчетная электрическая мощность дома составила 19,15 кВт, с учетом коэффициента спроса 0,55, принятого согласно СП 256.1325800.2016;
o При расчете учтено силовое оборудование: электрический котел, скважинный насос, газовый котел, приводы ворот, водоочистка, электроплита.
Распределительные электрические щиты дома площадью 200 м.кв.
o Проектом предусмотрен распределительный электрический щит, размещенный в помещении прихожей;
o Автоматические выключатели, дифференциальные автоматы, рубильники и УЗО в щите – ABB, в количестве 27 шт. размещены в навесном корпусе.
Силовая кабельная сеть (электропроводка) дома в пос. Бавлены, Владимирской области.
o Электропроводка дома предусмотрена с использованием кабелей ВВГнг с медными жилами в ПВХ-оболочке (не поддерживает горение), а также ретро-кабелей;
o Общая протяженность линий электроснабжения и освещения – 590 метров, вводные кабельные линии - бронированные кабели (ВБбШв) 65 метров;
o Электропроводка предусмотрена скрытым способом, в гофрированной ПВХ-трубе, а также открытым способом, на керамических изоляторах;
o Запроектировано 102 точки подключения розеток и выключателей освещения в доме;
o Предусмотрены слаботочные линии телевидения протяженностью 60 метров.
Предусмотрена система резервного электропитания с использованием инвертора CyberPower CPS 1000 PRO с АКБ, а также бензинового генератора A-iPower 6 кВт.


















