Выполненные проекты
Проект отопления дома в дер. Карабаново
Объект: загородный деревянный дом (брус) общей площадью 124 м.кв., расположенный в дер. Карабаново Ногинского района Московской области
Цена проекта отопления, канализации и водоснабжения: 9 486 руб. со скидкой 10%, проект котельной - бесплатно.
Проект котельной, отопления, водоснабжения и канализации выполнен: 09.06.2023
Состав проекта котельной, отопления, канализации и водоснабжения дома в дер. Карабаново:
1. Пояснительная записка проекта, общие данные по системам отопления, канализации и водоснабжения дома 124 м.кв. в дер. Карабаново.
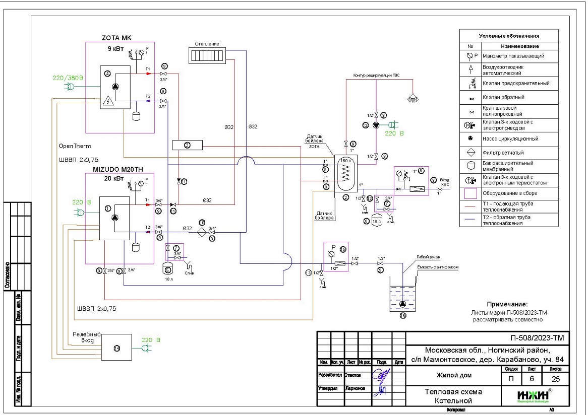
2. Тепломеханическая схема котельной с размещением оборудования в отдельном помещении дома из бруса.
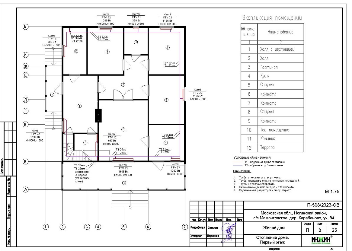
3. Комплект поэтажных чертежей радиаторного отопления дома в дер. Карабаново.
4. Типовые схемы системы отопления канализации и водоснабжения дома 124 м.кв.
5. Теплотехнический расчет отопления дома из бруса.
6. Спецификация материалов и оборудования по котельной и отоплению дома в дер. Карабаново.
Объем проекта отопления дома в дер. Карабаново: 25 листов.
Описание проекта отопления и котельной, дома 124 м.кв. в дер. Карабаново.
Котельная частного дома в дер. Карабаново(проект котельной бесплатно).
o Размещена в отдельном помещении дома 124 м.кв.;
o Теплогенераторы - настенный газовый котел MIZUDO, мощностью 20 кВт (перспектива), основной - электрический котел ZOTA MK, мощностью 9 кВт;
o Контуры теплоснабжения котельной – радиаторное отопление;
o Расширительны бак отопления Flamco объемом 18 литров;
o Дымоудаление принудительное, дымоход коаксиальный, с проходом через стену;
o Распределительный коллектор не предусмотрен, распределение теплоносителя встроено в котел;
o Автоматика котельной – встроена в котлы с дополнительным GSM-контроллером ZONT H-1V.02.
Отопление дома в дер. Карабаново (проект отопления дома).
o Выполнен теплотехнический расчет отопления дома из бруса (утеплитель кровли и стен - базальтовая вата 100мм) с учетом теплопотерь через ограждающие конструкции при наружной температуре -28°С для Московской области (по СП 131.13330.2012), расчетный расход тепла на отопление дома составил 9,97 кВт, удельные теплопотери 80,3 Вт/м.кв.;
o Подобраны приборы для отопления дома: стальные панельные радиаторы Kermi с нижним подключением;
o Схема радиаторного отопления дома двухтрубная с принудительной циркуляцией теплоносителя и температурным графиком 80/60°С;
o Трубы отопления из полипропилена Valtec;
o Теплоизоляция трубопроводов отопления не предусмотрена;
o Теплоноситель в системе радиаторного отопления дома – незамерзающая жидкость Warme Eco Pro 30.
Заказать в нашей компании проект отопления, водоснабжения и канализации деревянного дома дистанционно со скидкой.
Для этого загородного дома в дер. Карабаново выполнен проект электрики.
















