Выполненные проекты
Отопление таунхауса площадью 168 м.кв., проект
Объект: трехэтажный таунхаус из газобетона, площадью 168 м.кв., расположенный в КП "Каскад парк", г.о. Подольск Московской области
Вариант отопления: «Комфортный+»
Цена проекта отопления, канализации и водоснабжения: 29 548 руб. со скидкой 10%, проект котельной - бесплатно.
Проект котельной, отопления, водоснабжения и канализации выполнен: 25.08.2023
Состав проекта котельной, отопления, канализации и водоснабжения таунхауса в КП "Каскад парк":
1. Пояснительная записка проекта, общие данные по системам отопления, канализации и водоснабжения таунхауса 168 м.кв. в КП "Каскад парк".
2. Тепломеханическая схема котельной с размещением оборудования в отдельном помещении таунхауса из газобетона.
3. Комплект поэтажных чертежей радиаторного отопления таунхауса в КП "Каскад парк".
4. Комплект чертежей теплого пола на площади 40 м.кв.
5. Комплект чертежей водоснабжения и канализации частного таунхауса в КП "Каскад парк".
6. Типовые схемы системы отопления канализации и водоснабжения таунхауса в КП "Каскад парк".
7. Теплотехнический расчет отопления таунхауса из газобетона.
8. Спецификация материалов и оборудования по котельной, отоплению, канализации и водоснабжению таунхауса в КП "Каскад парк".
Объем проекта отопления, канализации и водоснабжения таунхауса в КП "Каскад парк": 38 листов.
Описание проекта отопления, котельной, канализации и водоснабжения таунхауса в КП "Каскад парк".
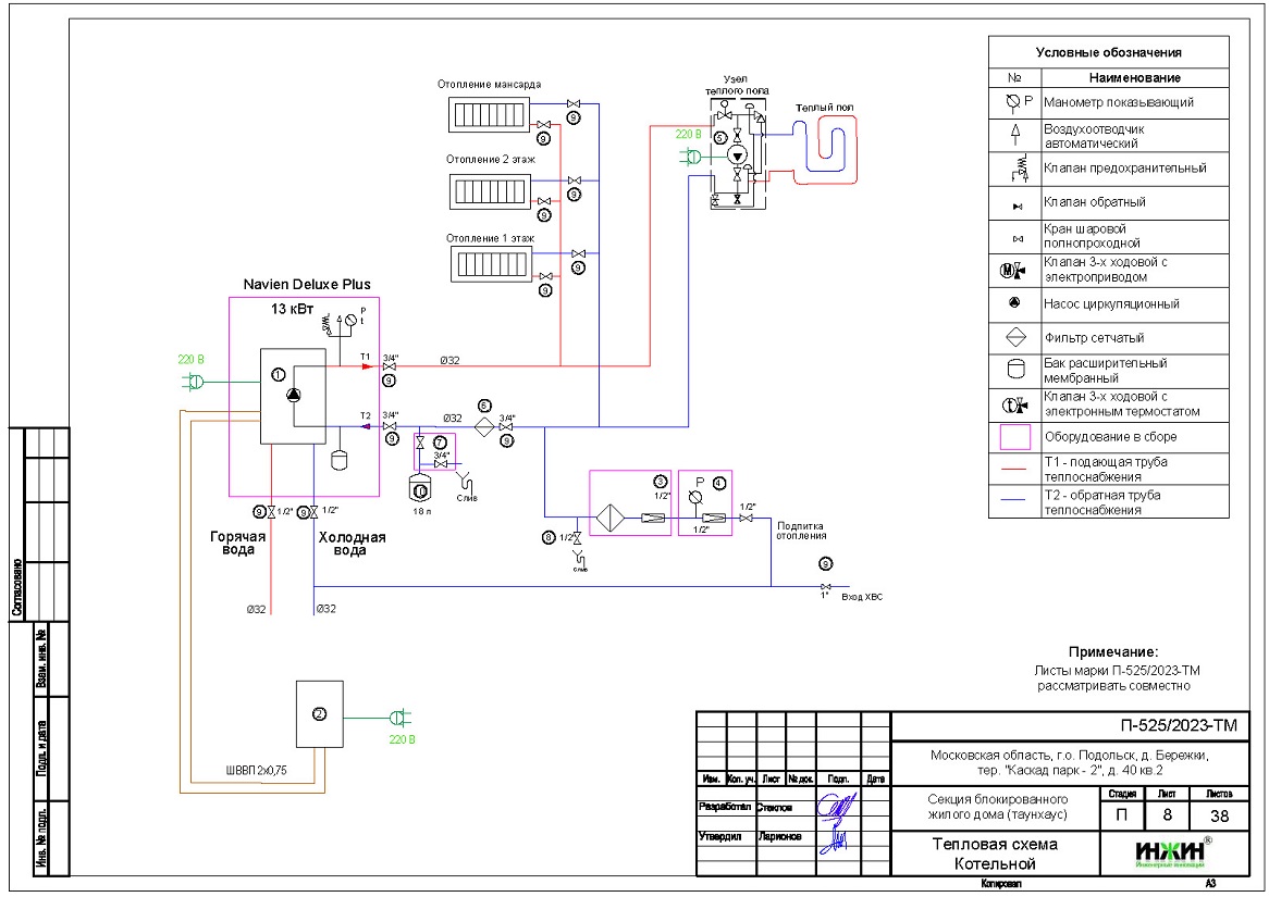
Котельная таунхауса в КП "Каскад парк"(проект котельной бесплатно).
o Размещена в помещении кухни таунхауса в КП "Каскад парк";
o Теплогенератор настенный газовый котел Navien, мощностью 13 кВт (в наличии);
o Контуры теплоснабжения котельной – отопление и теплый пол, горячее водоснабжение обеспечивается вторым контуром котла;
o Расширительный бак отопления Flamco, объемом 18 литров;
o Дымоудаление принудительное, дымоход выполнен на объекте;
o Распределительный коллектор не предусмотрен;
o Автоматика котельной – контроллер Myheat GO! со встроенным GSM-модулем.
Отопление таунхауса в КП "Каскад парк" (проект отопления дома).
o Выполнен теплотехнический расчет отопления таунхауса из газобетона (утеплитель кровли - минвата 250мм) с учетом теплопотерь через ограждающие конструкции при наружной температуре -26°С для Московской области (по СП 131.13330.2020), расчетный расход тепла на отопление таунхауса составил 9,89 кВт, удельные теплопотери 58,6 Вт/м.кв.;
o Подобраны приборы для отопления таунхауса: панельные радиаторы Kermi с нижним подключением и встроенные в пол конвекторы Varmann с естественной конвекцией;
o Схема радиаторного отопления дома двухтрубная, коллекторно-лучевая, с принудительной циркуляцией теплоносителя и температурным графиком 80/60°С;
o Трубы отопления из сшитого полиэтилена Valtec;
o Теплоизоляция трубопроводов отопления Valtec, толщиной 6 мм;
o Теплоноситель в системе радиаторного отопления таунхауса – подготовленная вода, предусмотрены средства защиты от образования накипи в системе отопления.
Водяной теплый пол таунхауса в КП "Каскад парк" (проект теплого пола).
o Водяной теплый пол в доме предусмотрен на площади 40 м.кв., коллектор теплого пола Valtec на 6 отводов;
o Предусмотрен насосно-смесительный узел VT.COMBI.0.180 для теплоснабжения водяного теплого пола дома - на контуре отопления;
o Трубопроводы теплого пола – сшитый полиэтилен Valtec (400 метров погонных);
o Регулирование температуры теплого пола - общее, регулятором на смесительной группе, а также зональное, по помещениям при помощи электронных комнатных термостатов.
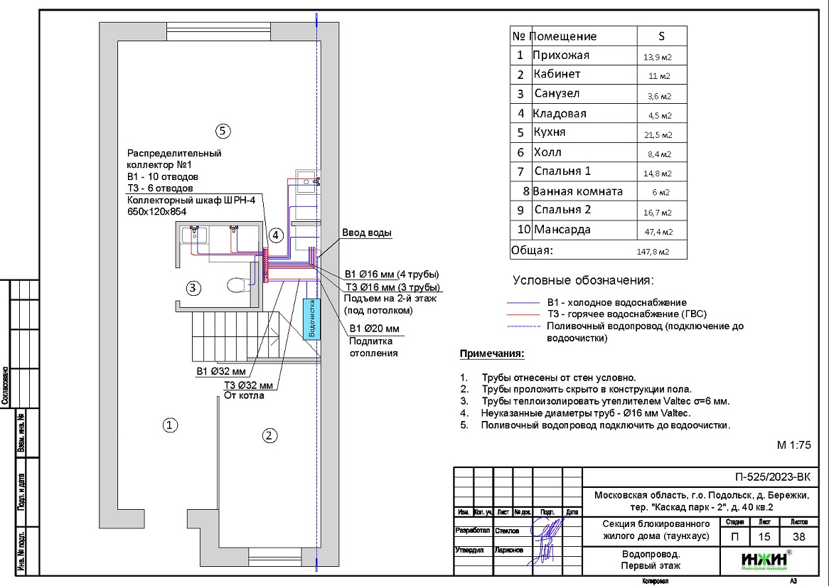
Внутренний водопровод таунхауса в КП "Каскад парк" (проект водоснабжения).
o Схема внутреннего водоснабжения дома – коллекторно-лучевая с рециркуляцией горячей воды через водяные полотенцесушители, выполнен расчет 18-и точек водоснабжения и полотенцесушителей;
o Трубопроводы системы водоснабжения – из сшитого полиэтилена Valtec;
o Теплоизоляция трубопроводов Valtec, толщиной 6мм.
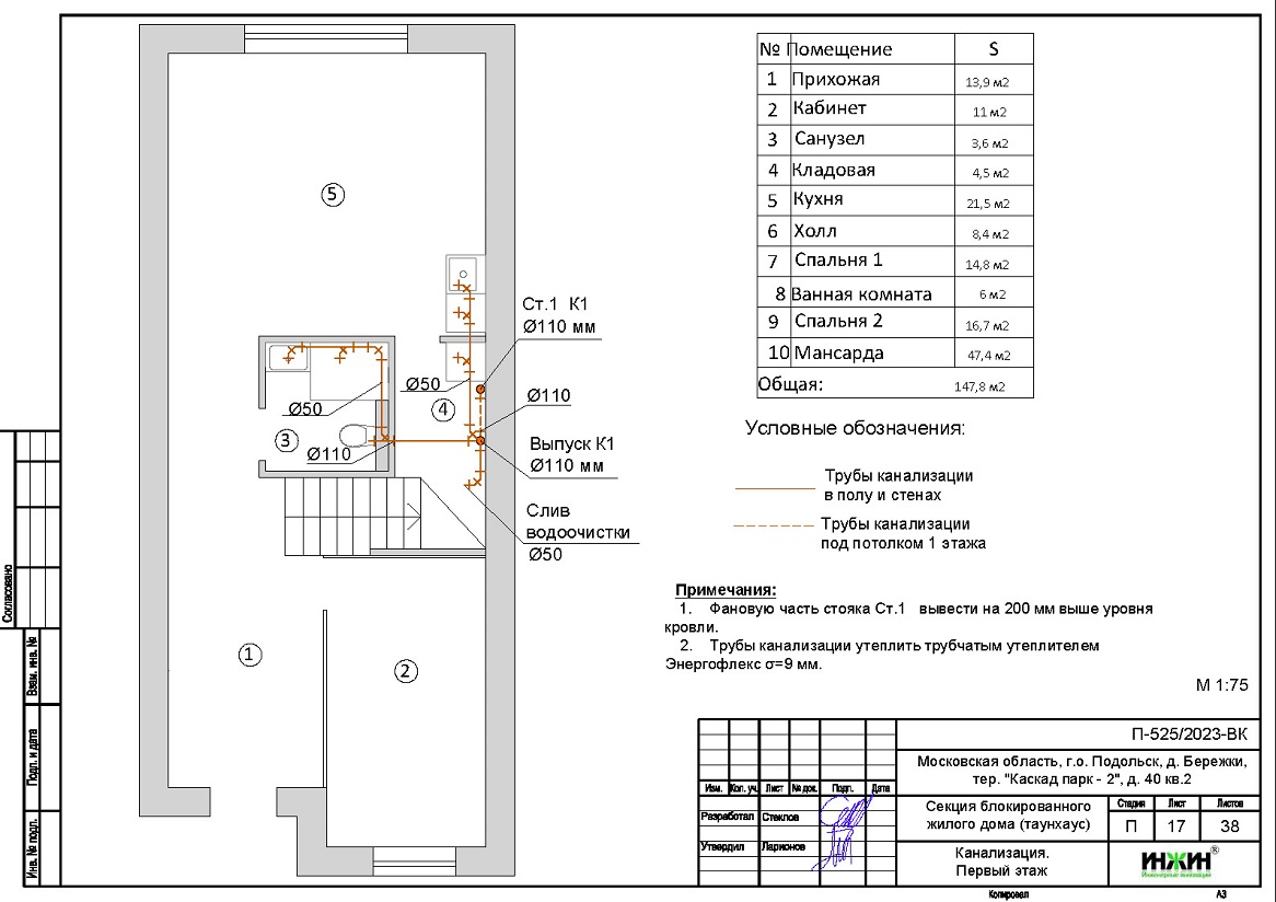
Внутренняя канализация (проект канализации) таунхауса в КП "Каскад парк".
o Безнапорная, отвод стоков от санитарно-технических приборов предусмотрен в септик;
o Произведен расчет 12-ти точек бытовой канализации;
o Канализационные трубы Синикон, раструбные, из полипропилена.
Заказать в нашей компании проект отопления, водоснабжения и канализации таунхауса дистанционно со скидкой.
Для этого таунхауса в КП "Каскад парк" выполнен проект электрики.






















