Выполненные проекты
Проект отопления дома пос. Южный Краснодарского края
Объект: частный дом (1 этаж) из блоков Poromax, площадью 163 м.кв., расположенный в пос. Южный, Динского района Краснодарского края.
Вариант отопления: «Комфортный».
Цена проекта отопления: 19 563 руб. со скидкой 10%, проект котельной - бесплатно.
Проект котельной, отопления выполнен: 15.05.2025
Состав проекта котельной и отопления дома в пос. Южный Краснодарского края:
1. Пояснительная записка проекта, общие данные по системам отопления и водоснабжения дома 163 м.кв. в пос. Южный Краснодарского края.
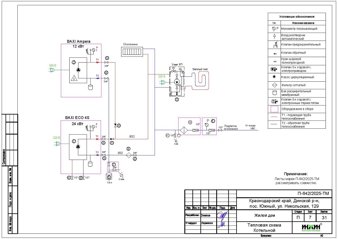
2. Тепломеханическая схема котельной с размещением оборудования в отдельном помещении дома из блоков Poromax.
3. Комплект поэтажных чертежей радиаторного отопления дома в пос. Южный Краснодарского края.
4. Комплект чертежей теплого пола на площади 70 м.кв.
5. Типовые схемы системы отопления дома 163 м.кв.
6. Теплотехнический расчет отопления дома из блоков Poromax.
7. Спецификация материалов и оборудования по котельной и отоплению дома в пос. Южный Краснодарского края.
Объем проекта отопления дома в пос. Южный Краснодарского края: 31 лист.
Описание проекта отопления, котельной частного дома 163 м.кв. в пос. Южный Краснодарского края.
Котельная частного дома в пос. Южный Краснодарского края(проект котельной бесплатно).
o Размещена в отдельном помещении дома 163 м.кв.;
o Теплогенераторы - настенный газовый котел Baxi ECO 4S, мощностью 24 кВт (основной) и настенный электрический котёл Baxi Ampera, мощностью 12 кВт (резервный);
o Контуры теплоснабжения котельной (3 шт.) – отопление дома, теплый пол и горячее водоснабжение (встроен в основной котёл);
o Расширительный бак отопления Flamco, объемом 18 литров;
o Дымоход из нержавеющей стали, в строительной шахте (диаметр 120мм);
o Распределительный коллектор не предусмотрен;
o Автоматика котельной – встроена в котлы.
Отопление дома в пос. Южный Краснодарского края (проект отопления дома).
o Выполнен теплотехнический расчет отопления дома из блоков Poromax (утеплитель кровли - минвата 100мм) с учетом теплопотерь через ограждающие конструкции при наружной температуре -15°С для Краснодарского края (по СП 131.13330.2020), расчетный расход тепла на отопление дома составил 14,33 кВт, удельные теплопотери 88 Вт/м.кв.;
o Подобраны приборы для отопления дома: секционные радиаторы Rifar Base Ventilс нижним подключением;
o Схема радиаторного отопления дома двухтрубная, коллекторно-лучевая, с принудительной циркуляцией теплоносителя и температурным графиком 80/60°С;
o Трубы отопления из сшитого полиэтилена Valtec;
o Теплоизоляция трубопроводов отопления Valtec, толщиной 6мм;
o Теплоноситель в системе радиаторного отопления дома – подготовленная вода, предусмотрены средства защиты от образования накипи.
Водяной теплый пол дома в пос. Южный Краснодарского края (проект теплого пола).
o Водяной теплый пол в доме предусмотрен на площади 70 м.кв., коллектор теплого пола Valtec на 9 отводов (всего 9 петель);
o Предусмотрен насосно-смесительный узел для теплоснабжения водяного теплого пола дома - на контуре отопления;
o Трубопроводы теплого пола – сшитый полиэтилен Valtec, основание - плиты пенополистирольные с покрытием и фиксирующими бобышками EasyFix L (Формат);
o Регулирование температуры теплого пола - общее, смесительным узлом.
















