Выполненные проекты
Проект отопления дома в с. Ельдигино
Объект: частный дом из СИП-панелей, общей площадью 140 м.кв., расположенный в с. Ельдигино Пушкинского района Московской области
Цена проекта отопления и водоснабжения: 19 404 руб. со скидкой 10%, проект котельной - бесплатно.
Проект котельной, отопления и водоснабжения выполнен: 19.08.2025
Состав проекта котельной, отопления и водоснабжения дома в с. Ельдигино Пушкинского района Московской области:
1. Пояснительная записка проекта, общие данные по системам отопления и водоснабжения дома 140 м.кв. в с. Ельдигино.
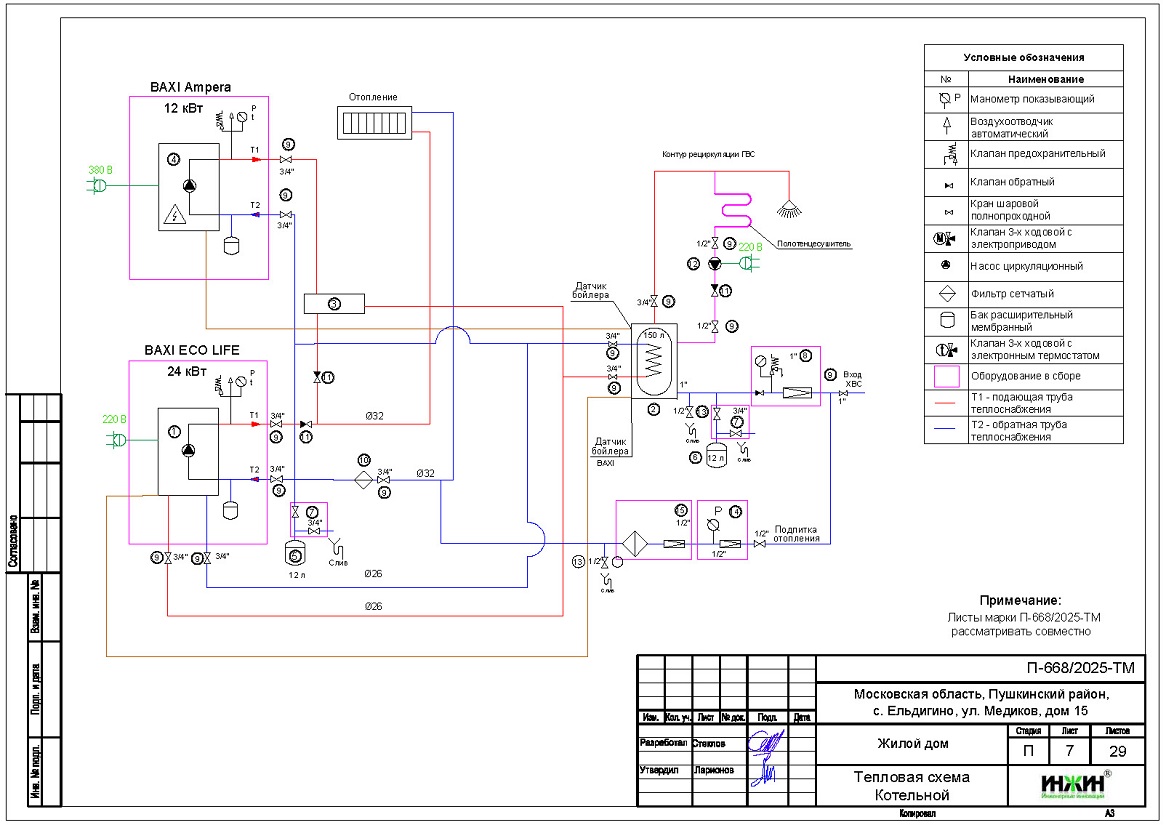
2. Тепломеханическая схема котельной с размещением оборудования в отдельном помещении дома из СИП-панелей.
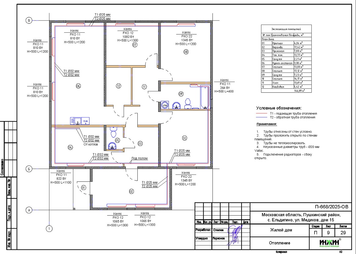
3. Комплект поэтажных чертежей радиаторного отопления дома в с. Ельдигино.
4. Комплект чертежей водоснабжения и канализации частного дома из СИП-панелей в с. Ельдигино.
5. Типовые схемы системы отопления и водоснабжения дома 140 м.кв.
6. Теплотехнический расчет отопления дома из СИП-панелей.
7. Спецификация материалов и оборудования по котельной, отоплению и водоснабжению дома в с. Ельдигино.
Объем проекта отопления и водоснабжения дома в с. Ельдигино Московской области: 29 листов.
Описание проекта отопления, котельной и водоснабжения частного дома 140 м.кв. в с. Ельдигино.
Котельная частного дома в с. Ельдигино(проект котельной бесплатно).
o Размещена в отдельном помещении первого этажа дома 140 м.кв.;
o Теплогенераторы - настенный газовый котел Baxi ECO Life, мощностью 24 кВт (основной) и настенный электрический котёл Baxi Ampera, мощностью 12 кВт (резервный);
o Контуры теплоснабжения котельной – радиаторное отопление дома и горячее водоснабжение, для которого предусмотрен накопительный бойлер STOUT, объемом 150 литров;
o Расширительные баки отопления и бойлера Flamco, объемом 12 литров каждый;
o Дымоудаление принудительное, дымоход коаксиальный, в исполнении "через кровлю";
o Распределительный коллектор не предусмотрен;
o Автоматика котельной – встроена в котлы.
Отопление дома в с. Ельдигино Московской области (проект отопления дома).
o Выполнен теплотехнический расчет отопления дома (утеплитель стен и кровли дома - ППС 200мм) с учетом теплопотерь через ограждающие конструкции при наружной температуре -26°С для Московской области (по СП 131.13330.2020), расчетный расход тепла на отопление дома составил 9,67 кВт, удельные теплопотери 67,7 Вт/м.кв.;
o Подобраны приборы для отопления дома: стальные панельные радиаторы Kermi с боковым подключением;
o Схема радиаторного отопления основного и гостевого дома двухтрубная, с принудительной циркуляцией теплоносителя и температурным графиком 80/60°С;
o Трубы отопления из полипропилена Valtec;
o Теплоизоляция трубопроводов отопления не предусмотрена;
o Теплоноситель в системе радиаторного отопления дома – вода.
Внутренний водопровод дома в с. Ельдигино Московской области (проект водоснабжения).
o Схема внутреннего водоснабжения дома – тройниковая с рециркуляцией горячей воды через тройники, выполнен расчет 14-ти точек водоснабжения и полотенцесушителей;
o Трубопроводы системы водоснабжения – из полипропилена Valtec;
o Теплоизоляция трубопроводов Valtec, толщиной 6мм.
Заказать в нашей компании проект отопления, водоснабжения и канализации загородного дома дистанционно со скидкой.
Для этого дома в с. Ельдигино выполнен проект электрики.
















