Выполненные проекты
Проект электрики дома в Калужской области (брус)
Объект: деревянный дом (брус) общей площадью 209 м.кв., расположенный в г. Жуков Калужской области
Цена (стоимость) проекта электрики (электропроводки): 27 275 руб. со скидкой 10%, проект слаботочных кабельных линий - бесплатно.
Проект электрики выполнен: 23.01.2026
Состав проекта электрики дома в г. Жуков Калужской области:
1. Пояснительная записка. Общие данные по электроснабжению и освещению частного дома в г. Жуков Калужской области.
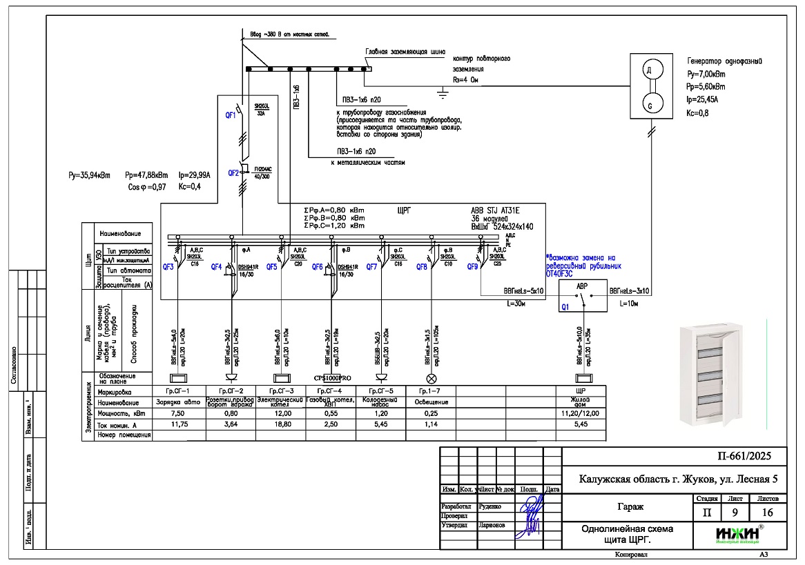
2. Однолинейные схемы вводного распределительного устройства и электрического распределительного щита дома и гаража 209 м.кв.
3. Чертежи электропроводки дома в г. Жуков Калужской области.
4. Чертежи групповых осветительных сетей дома в г. Жуков Калужской области.
5. Спецификация материалов и оборудования по электрике и электропроводке дома в г. Жуков Калужской области.
Объем проекта электрики дома 209 м.кв.: 18 листов.
Проект электрики дома площадью 209 м.кв. в г. Жуков Калужской области- подробное описание.
Расчетные показатели по электроснабжению и освещению дома в Переславле-Залесском.
o Расчетная электрическая мощность дома составила 19,15 кВт, с учетом коэффициента спроса 0,4, принятого согласно СП 256.1325800.2016;
o При расчете учтено силовое оборудование: септик, газовый и электрический котлы, колодезный насос, кондиционеры.
Распределительные электрические щиты дома и гаража площадью 209 м.кв.
o Проектом предусмотрено два распределительных электрических щита, расположенных в гараже и в доме;
o Автоматические выключатели, дифференциальные автоматы, рубильники и УЗО в щитах – ABB, в количестве 38 шт. размещены в пристраиваемых корпусах.
Силовая кабельная сеть (электропроводка) дома в г. Жуков Калужской области.
o Электропроводка дома предусмотрена с использованием кабелей ВВГ нг -LS с медными жилами в ПВХ-оболочке (не поддерживает горение);
o Общая протяженность линий электроснабжения и освещения – 1580 метров, вводная кабельная линия - бронированный кабель 75 метров;
o Электропроводка предусмотрена скрытым способом, в металлорукавах;
o Запроектировано 113 точек подключения розеток и выключателей освещения в доме;
o Предусмотрены слаботочные линии ЛВС, общая протяженность - 30 метров.
Предусмотрена система резервного электропитания с использованием однофазного инвертора CyberPower CPS 1000 PRO с АКБ.
Заказать проект электрики деревянного дома дистанционно.
Для этого дома в Жукове выполнен проект отопления.



















