Выполненные проекты
Отопление банного комплекса в Екатеринбурге, проект
Объект: частная баня из кирпича, общей площадью 222 м.кв., расположенная в Екатеринбурге
Вариант отопления: «Комфортный+»
Цена проекта отопления, канализации и водоснабжения: 50 154 руб. со скидкой 10%, проект котельной - бесплатно.
Проект котельной, отопления, водоснабжения и канализации выполнен: 04.02.2026
Состав проекта котельной, отопления, канализации и водоснабжения бани в Екатеринбурге:
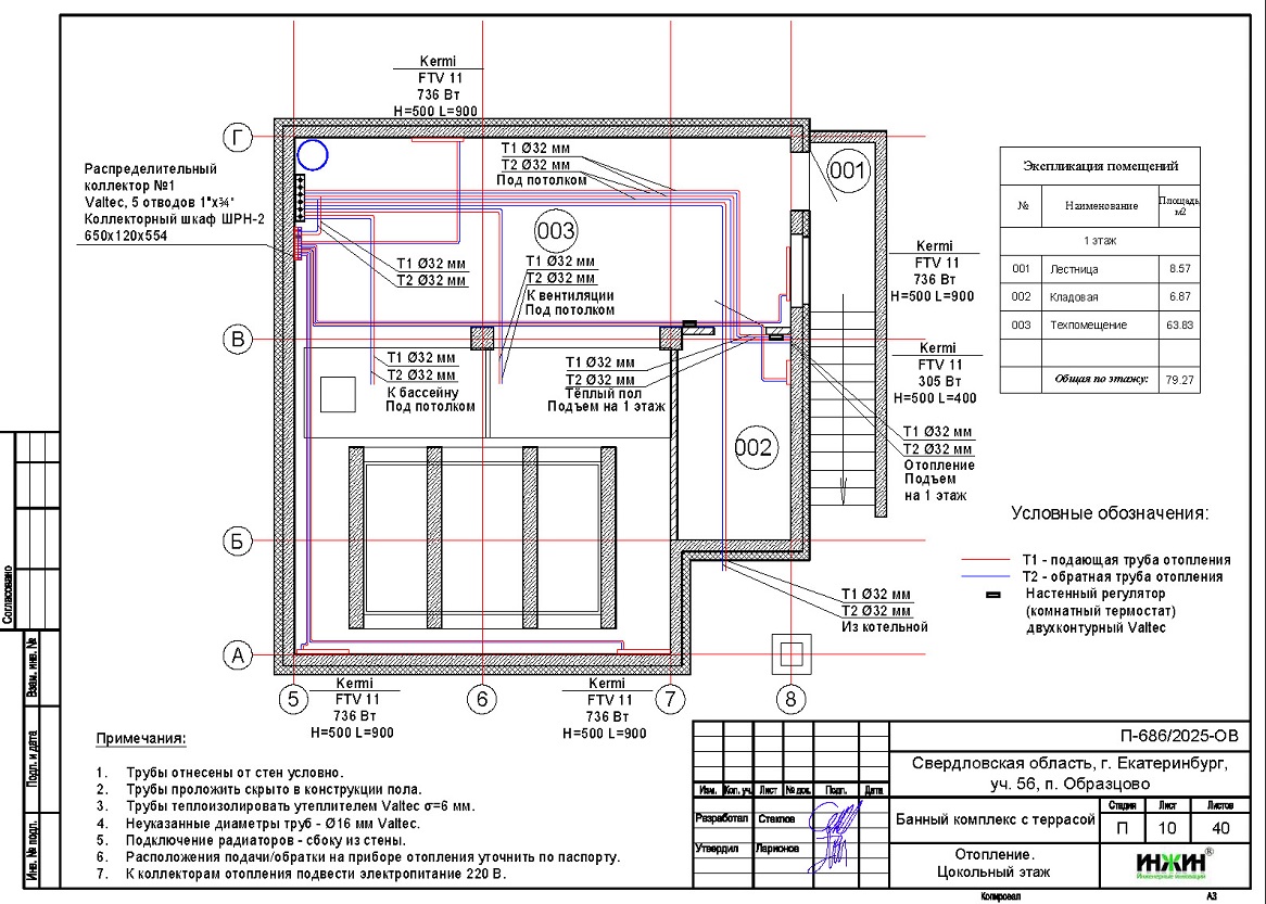
1. Пояснительная записка проекта, общие данные по системам отопления, канализации и водоснабжения бани 222 м.кв. в Екатеринбурге.
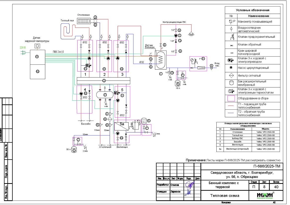
2. Тепломеханическая схема теплового пункта с размещением оборудования в отдельном помещении бани.
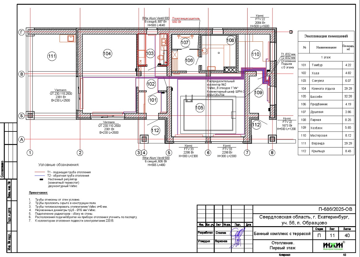
3. Комплект поэтажных чертежей радиаторного отопления бани в Екатеринбурге.
4. Комплект чертежей теплого пола на площади 89 м.кв.
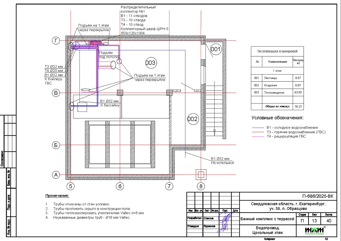
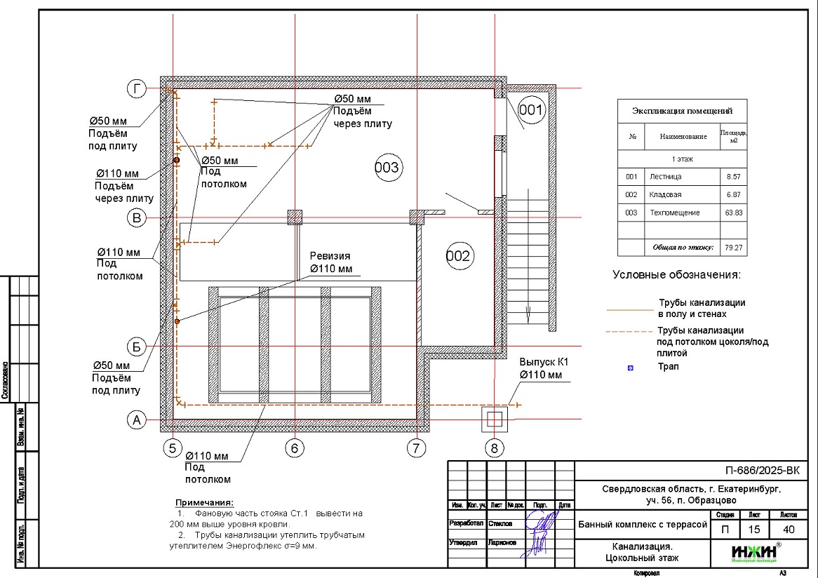
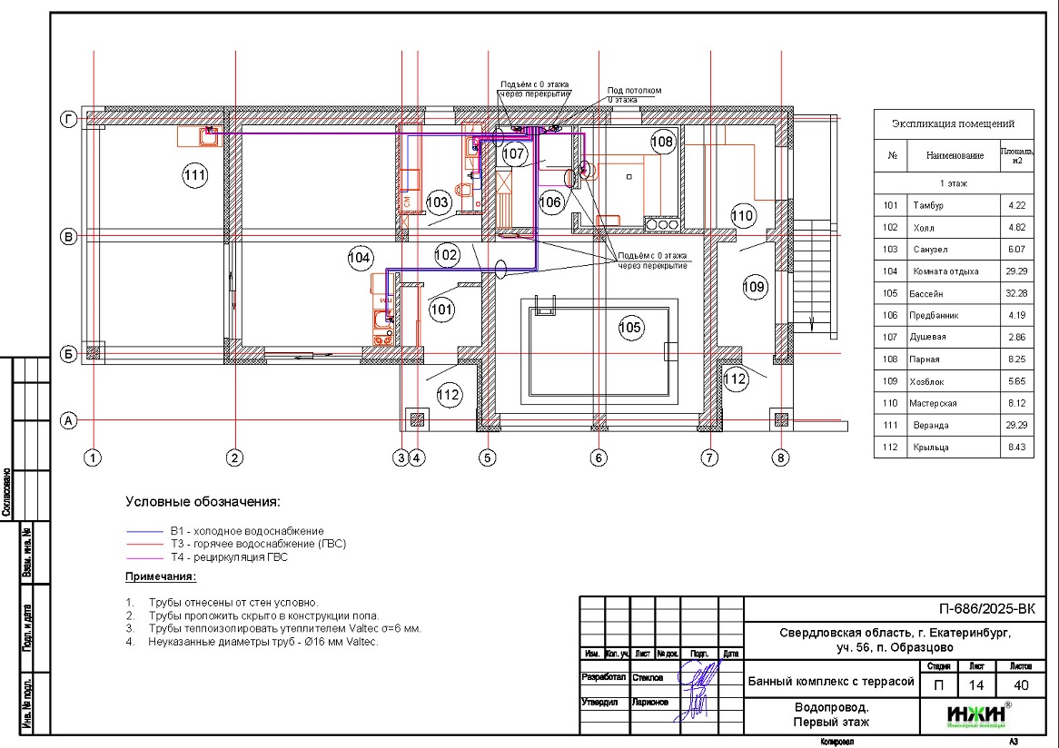
5. Комплект чертежей водоснабжения и канализации бани из кирпича в Екатеринбурге.
6. Типовые схемы системы отопления канализации и водоснабжения бани 222 м.кв.
7. Теплотехнический расчет отопления дома из кирпича.
8. Спецификация материалов и оборудования по котельной, отоплению, канализации и водоснабжению бани в Екатеринбурге.
Объем проекта отопления, канализации и водоснабжения бани в Екатеринбурге: 40 листов.
Описание проекта отопления, котельной, канализации и водоснабжения бани 222 м.кв. в Екатеринбурге.
Котельная частной бани в Екатеринбурге.
o Размещена в отдельном помещении основного дома.
o Контуры теплоснабжения теплового пункта – радиаторное отопление банного комплекса, теплый пол, теплоснабжение вентиляции, теплообменник бассейна, и горячее водоснабжение, для которого предусмотрен накопительный бойлер STOUT, объемом 200 литров (подключение к коллектору);
o Расширительные баки отопления и бойлера Flamco, объемом 50 и 18 литров, соответственно;
o Автоматика котельной – контроллер ZONT Climatic 1.3 со встроенным GSM-модулем и блоком расширения.
Система отопления банного комплекса в Екатеринбурге (проект отопления бани).
o Выполнен теплотехнический расчет отопления комплекса строений (утеплитель кровли - базальтовая вата 200мм) с учетом теплопотерь через ограждающие конструкции при наружной температуре -32°С для Екатеринбурга (по СП 131.13330.2020), расчетный расход тепла на отопление бани составил 22,47 кВт, удельные теплопотери 125,6 Вт/м.кв.;
o Подобраны приборы для отопления бани: стальные панельные радиаторы Kermi с нижним подключением и встроенные в пол конвекторы Varmann;
o Схема радиаторного отопления бани двухтрубная, коллекторно-лучевая, с принудительной циркуляцией теплоносителя и температурным графиком 80/60°С;
o Трубы отопления из сшитого полиэтилена Valtec;
o Теплоизоляция трубопроводов отопления Valtec, толщиной 6мм;
o Теплоноситель в системе радиаторного отопления бани – подготовленная вода.
Водяной теплый пол бани в Екатеринбурге(проект теплого пола).
o Водяной теплый пол в бане предусмотрен на площади 89 м.кв., коллектор теплого пола Valtec на 9 отводов (всего 9 петель);
o Предусмотрен насосно-смесительный узел для теплоснабжения водяного теплого пола бани;
o Трубопроводы теплого пола – сшитый полиэтилен Valtec;
o Регулирование температуры теплого пола - общее, регулятором на смесительной группе, а также зональное, по помещениям, при помощи электронных комнатных термостатов Valtec с Wi-Fi (обзор которых публиковали на нашем сайте в разделе новинок).
Внутренний водопровод бани в Екатеринбурге (проект водоснабжения).
o Схема внутреннего водоснабжения бани – коллекторно-лучевая с рециркуляцией горячей воды через водяные полотенцесушители и коллекторы, выполнен расчет 17-и точек водоснабжения и полотенцесушителей;
o Трубопроводы системы водоснабжения – из сшитого полиэтилена Valtec;
o Теплоизоляция трубопроводов Valtec, толщиной 6мм.
Внутренняя канализация (проект канализации) бани в Екатеринбурге.
o Безнапорная, отвод стоков от санитарно-технических приборов предусмотрен в септик;
o Произведен расчет 9-и точек бытовой канализации;
o Канализационные трубы Синикон, раструбные.





















