Выполненные проекты
Проект отопления дома 209 м.кв. с гаражом в г. Жуков
Объект: частный дом из бруса, с гаражом (отдельное строение), общей площадью 209 м.кв., расположенный в г. Жуков Калужской области
Вариант отопления: «Комфортный+»
Цена проекта отопления и водоснабжения: 53 074 руб. со скидкой 10%, проект котельной - бесплатно.
Проект котельной, отопления и водоснабжения выполнен: 22.01.2026
Состав проекта котельной, отопления и водоснабжения дома в г. Жуков Калужской области:
1. Пояснительная записка проекта, общие данные по системам отопления и водоснабжения дома 209 м.кв. в г. Жуков Калужской области.
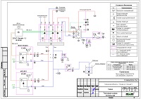
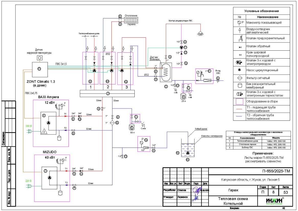
2. Тепломеханическая схема котельной с размещением оборудования в отдельном помещении дома (и гаража) из бруса.
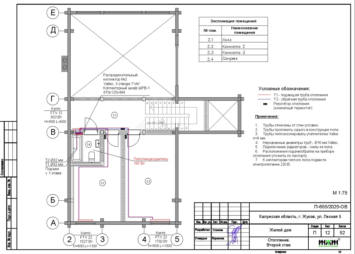
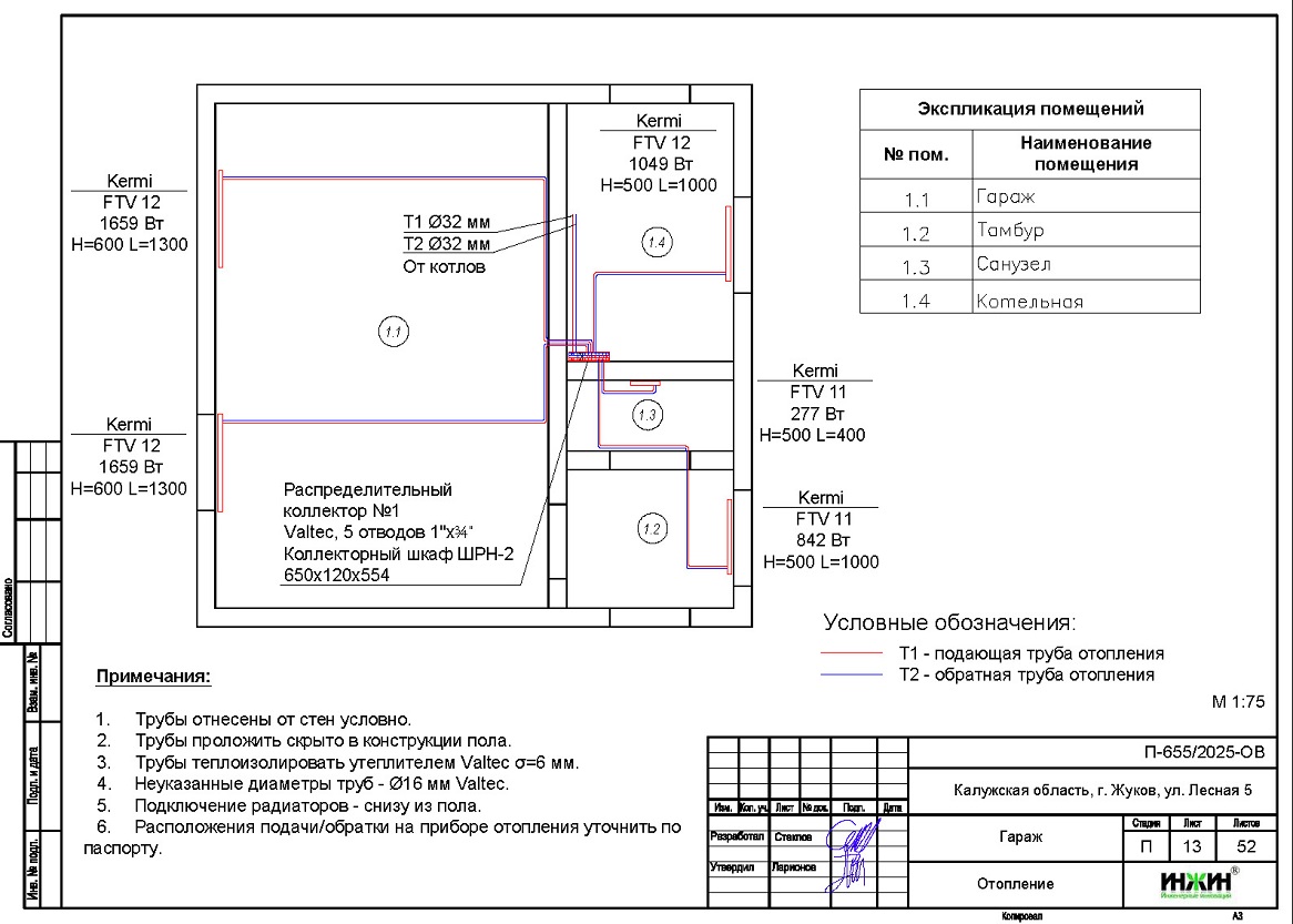
3. Комплект поэтажных чертежей радиаторного отопления дома и гаража в г. Жуков Калужской области.
4. Комплект чертежей теплого пола на площади 165 м.кв.
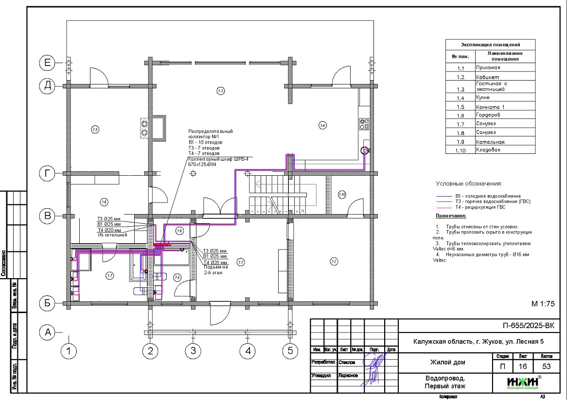
5. Комплект чертежей водоснабжения частного дома из бруса в г. Жуков Калужской области.
6. Типовые схемы системы отопления канализации и водоснабжения дома 209 м.кв.
7. Теплотехнический расчет отопления дома и гаража из бруса.
8. Спецификация материалов и оборудования по котельной, отоплению и водоснабжению дома в г. Жуков Калужской области.
Объем проекта отопления и водоснабжения дома в г. Жуков Калужской области: 53 листа.
Описание проекта отопления, котельной и водоснабжения частного дома 209 м.кв. в г. Жуков Калужской области.
Котельная частного дома в г. Жуков Калужской области(проект котельной бесплатно).
o Размещена в отдельном помещении гаража, в доме - тепловой пункт;
o Теплогенераторы - настенный газовый котел Vaillant turboTEC plus, мощностью 36 кВт (основной), настенный электрический котел BAXI AMPERA Plus, мощностью 12 кВт (резервный);
o Контуры теплоснабжения котельной – радиаторное отопление дома, отопление гаража, теплый пол, теплоснабжение вентиляции и горячее водоснабжение, для которого предусмотрен накопительный бойлер STOUT, объемом 300 литров (подключение к коллектору);
o Расширительные баки отопления и бойлера Flamco, объемом 50 и 25 литров, соответственно;
o Дымоудаление принудительное, дымоход коаксиальный, диаметром 60/100 мм, через кровлю гаража;
o Автоматика котельной – контроллер ZONT Climatic 1.3 со встроенным GSM-модулем и блоком расширения.
Отопление дома в г. Жуков Калужской области (проект отопления дома).
o Выполнен теплотехнический расчет отопления комплекса строений (утеплитель кровли - базвата 200мм) с учетом теплопотерь через ограждающие конструкции при наружной температуре -25°С для Калужской области (по СП 131.13330.2020), расчетный расход тепла на отопление дома и гаража составил 28,94 кВт, удельные теплопотери 136,7 Вт/м.кв.;
o Подобраны приборы для отопления дома и гаража: стальные панельные радиаторы Kermi с нижним подключением (гараж) и встроенные в пол конвекторы VARMANN с естественной конвекцией;
o Трубы отопления из сшитого полиэтилена Valtec;
o Теплоизоляция трубопроводов отопления Valtec, толщиной 6мм;
o Теплоноситель в системе радиаторного отопления дома – подготовленная вода, для контура вентиляции - незамерзающая жидкость.
Водяной теплый пол дома в г. Жуков Калужской области (проект теплого пола).
o Водяной теплый пол в доме предусмотрен на площади 165 м.кв., коллектор Valtec на 11 отводов, всего 11 петель;
o Предусмотрен насосно-смесительный узел для теплоснабжения водяного теплого пола дома;
o Трубопроводы теплого пола – сшитый полиэтилен Valtec;
o Регулирование температуры теплого пола - общее, регулятором на смесительной группе и локальное, по помещениям, при помощи электронных комнатных термостатов Valtec с Wi-Fi (обзор которых публиковали на нашем сайте в разделе новинок).
Внутренний водопровод дома в г. Жуков Калужской области (проект водоснабжения).
o Схема внутреннего водоснабжения дома – коллекторно-лучевая с рециркуляцией горячей воды через проходные водорозетки, выполнен расчет 23-х точек водоснабжения и полотенцесушителей;
o Трубопроводы системы водоснабжения – из сшитого полиэтилена Valtec;
o Теплоизоляция трубопроводов Valtec, толщиной 6мм.
Заказать в нашей компании проект отопления, водоснабжения и канализации загородного дома в Калужской области дистанционно со скидкой.
Для этого дома в Жукове выполнен проект электрики.






















