Выполненные проекты
Электрика дома 800 м.кв в КП «Агаларов Эстейт», проект
Объект: кирпичный дом общей площадью 800 м.кв., расположенный в КП «Агаларов Эстейт»Истринского района Московской области
Цена (стоимость) проекта электрики (электропроводки): 104 400 руб. со скидкой 10%, проект слаботочных кабельных линий - бесплатно.
Проект электрики выполнен: 10.03.2026
Состав проекта электрики дома в КП «Агаларов Эстейт»:
1. Пояснительная записка. Общие данные по электроснабжению и освещению частного дома в КП «Агаларов Эстейт».
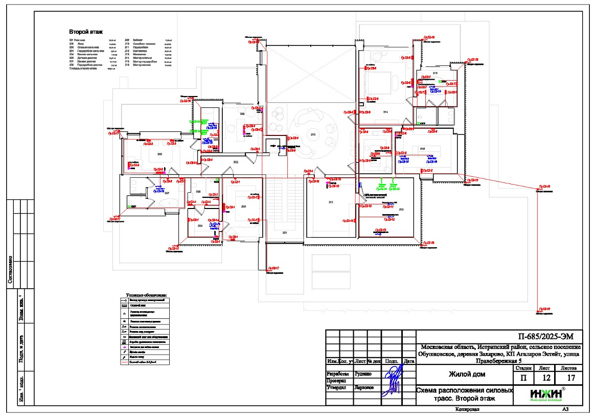
2. Однолинейные схемы вводного распределительного устройства и электрического распределительного щита дома 800 м.кв.
3. Чертежи электропроводки дома в КП «Агаларов Эстейт».
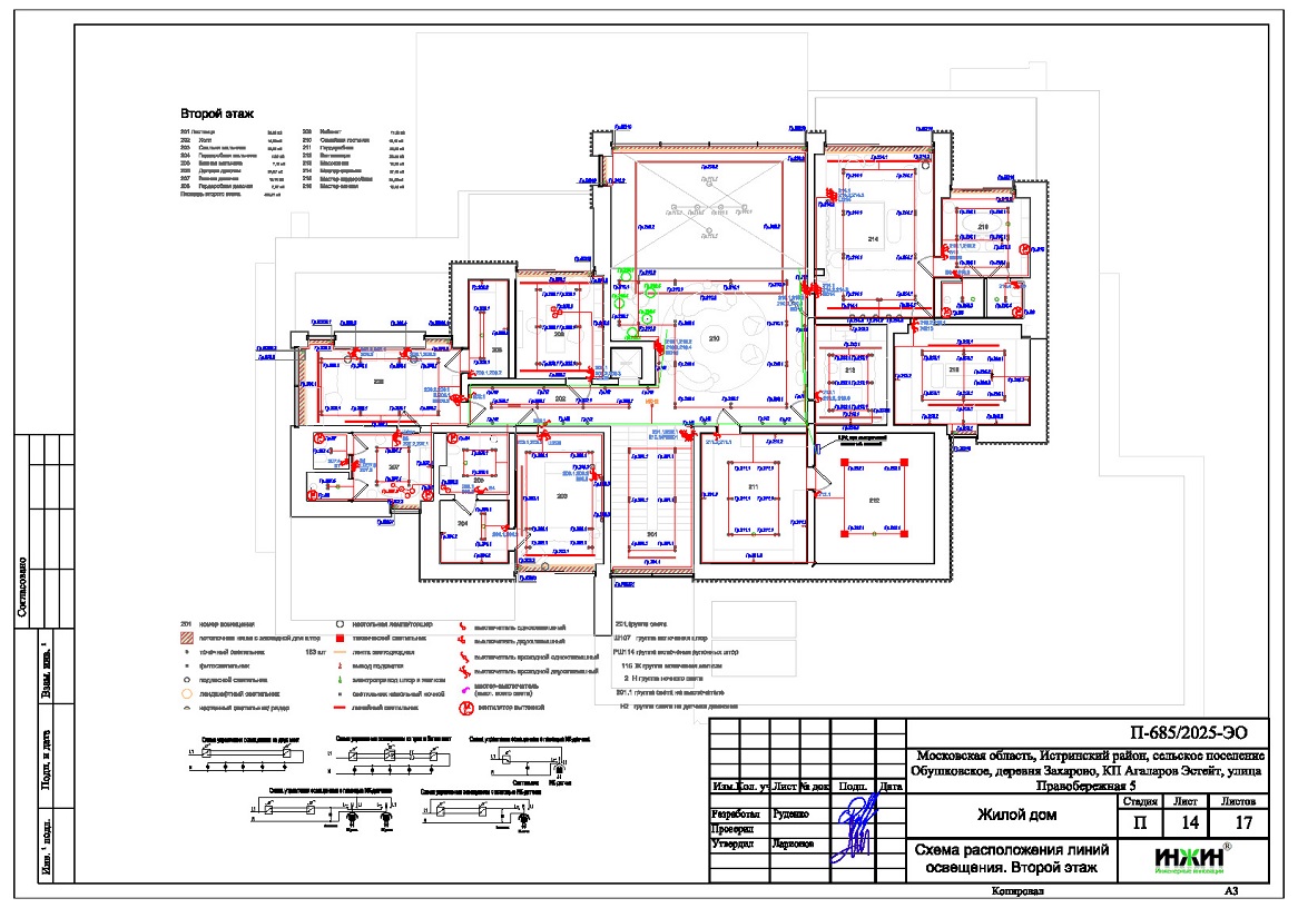
4. Чертежи групповых осветительных сетей дома в КП «Агаларов Эстейт».
5. Спецификация материалов и оборудования по электрике и электропроводке дома в КП «Агаларов Эстейт».
Объем проекта электрики дома 800 м.кв.: 17 листов.
Проект электрики дома площадью 800 м.кв. в КП «Агаларов Эстейт»- подробное описание.
Расчетные показатели по электроснабжению и освещению дома в КП «Агаларов Эстейт».
o Расчетная электрическая мощность дома составила 37,08 кВт, с учетом коэффициента спроса 0,3, принятого согласно СП 256.1325800.2016;
o При расчете учтено силовое оборудование: септик, газовый котел, скважинный насос, кондиционеры, вентустановка, зарядка для электромобиля, джакуззи уличное.
Распределительные электрические щиты дома площадью 800 м.кв.
o Проектом предусмотрено два распределительных электрических щита, расположенных на каждом этаже;
o Автоматические выключатели, дифференциальные автоматы, рубильники и УЗО в щите – ABB, в количестве 50 шт. размещены в пристраиваемом корпусе.
Силовая кабельная сеть (электропроводка) дома в КП «Агаларов Эстейт».
o Электропроводка дома предусмотрена с использованием кабелей ВВГ нг -LS с медными жилами в ПВХ-оболочке (не поддерживает горение);
o Общая протяженность линий электроснабжения и освещения – 6550 метров, вводная кабельная линия - бронированный кабель 30 метров;
o Электропроводка предусмотрена скрытым способом, в конструкции пола, потолка и стен помещений;
o Запроектирована 320 точек подключения розеток и выключателей освещения в доме;
o Предусмотрены слаботочные линии ЛВС, общая протяженность - 610 метров.
Система резервного электропитания предусмотрена, с использованием бензинового генератора 30 кВт (по выбору Заказчика).



















