Выполненные проекты
Отопление дома в с. Ямное Воронежской области, проект
Объект: частный дом из газобетона, общей площадью 104 м.кв., расположенный в с. Ямное Воронежской области
Вариант отопления: «Комфортный»
Цена проекта отопления и водоснабжения: 21 470 руб. со скидкой 10%, проект котельной - бесплатно.
Проект котельной, отопления и водоснабжения выполнен: 25.03.2026
Состав проекта котельной, отопления и водоснабжения дома в с. Ямное Воронежской области:
1. Пояснительная записка проекта, общие данные по системам отопления и водоснабжения дома 104 м.кв. в с. Ямное Воронежской области.
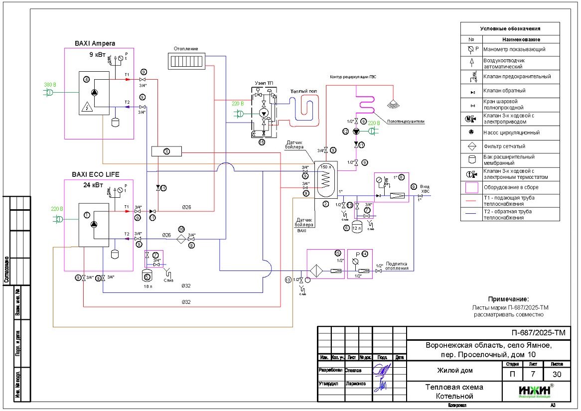
2. Тепломеханическая схема котельной с размещением оборудования в отдельном помещении дома из газобетона.
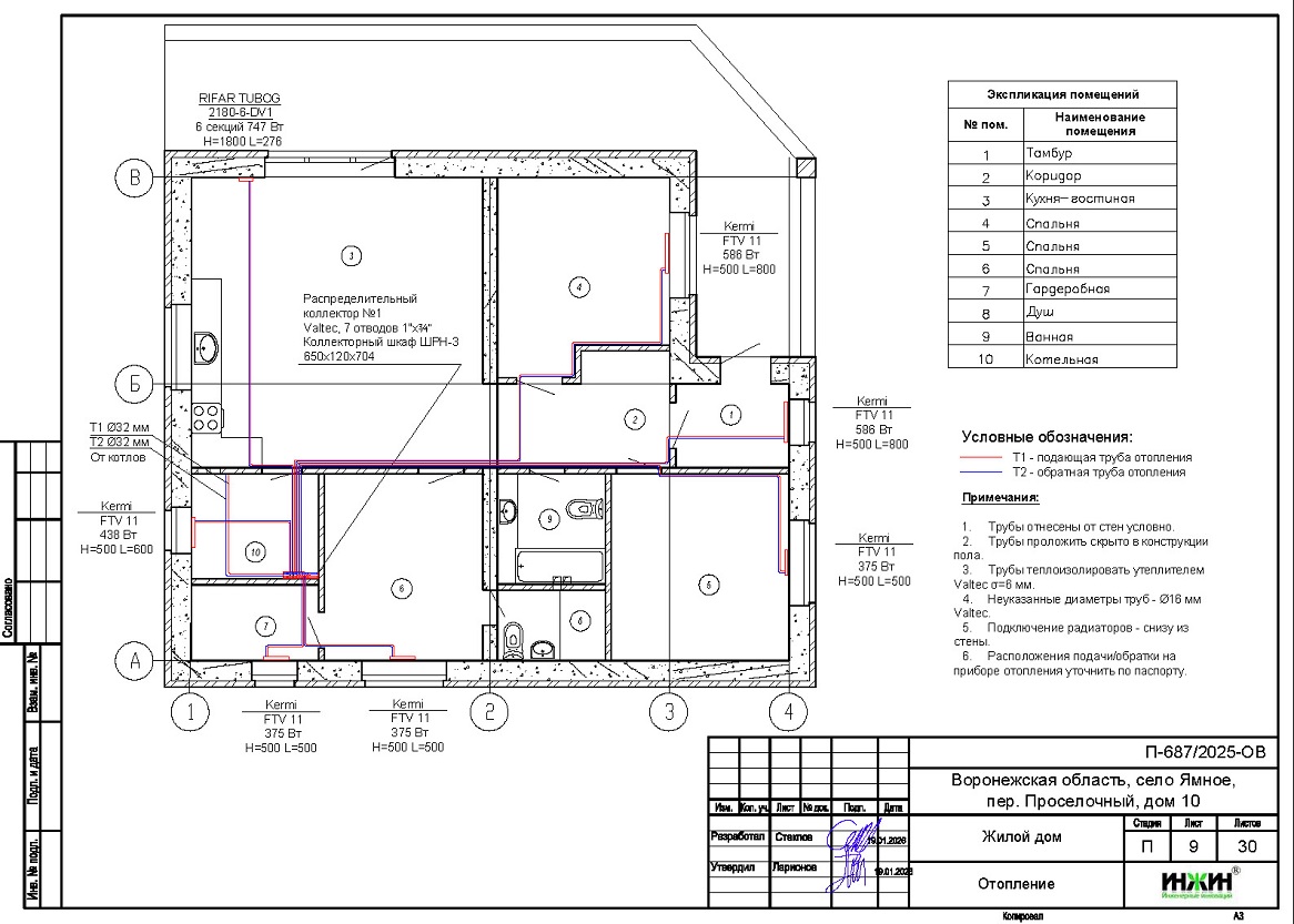
3. Комплект поэтажных чертежей радиаторного отопления дома в с. Ямное Воронежской области.
4. Комплект чертежей теплого пола на площади 98 м.кв.
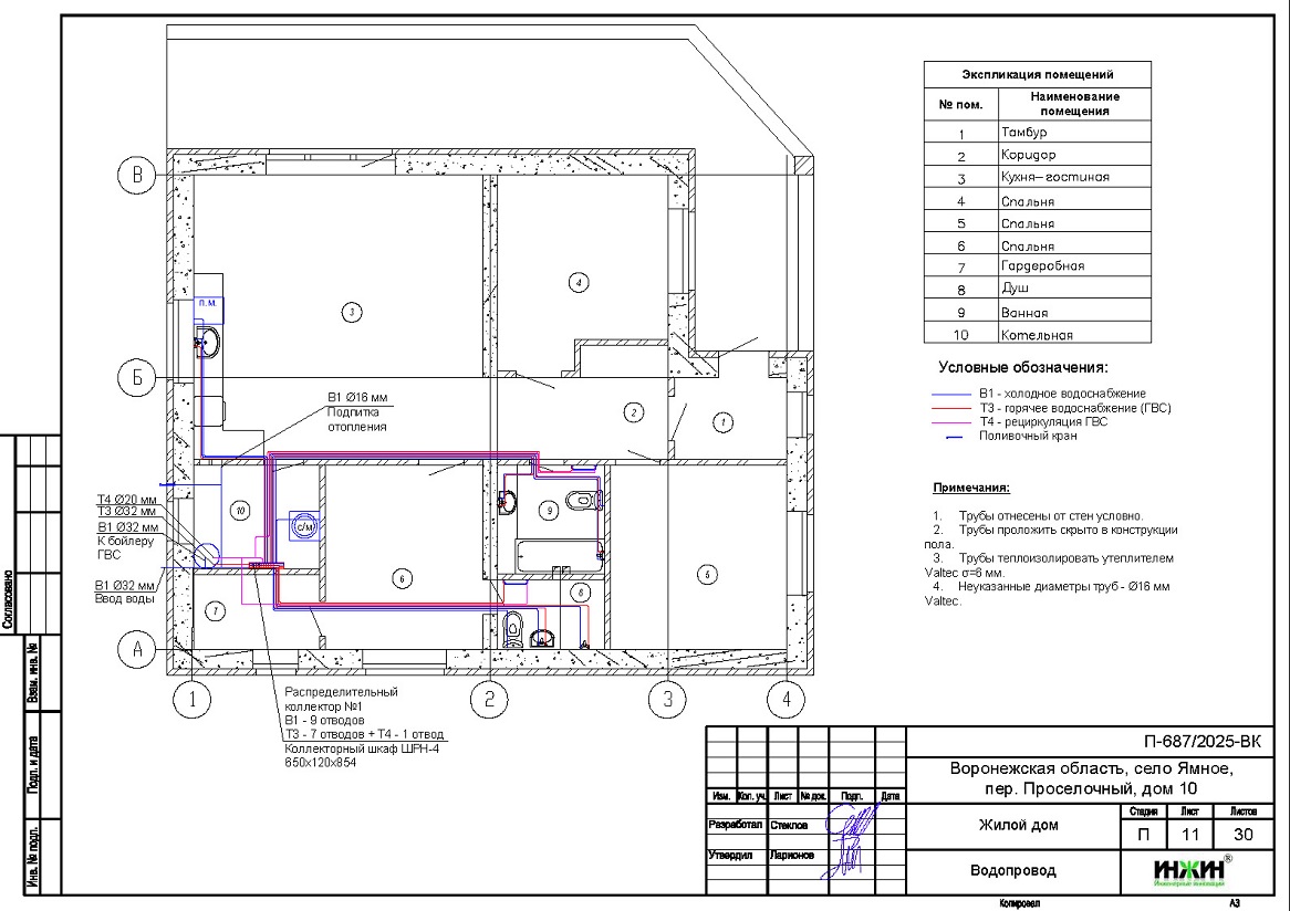
5. Комплект чертежей водоснабжения и канализации частного дома из газобетона в с. Ямное Воронежской области.
6. Типовые схемы системы отопления канализации и водоснабжения дома 104 м.кв.
7. Теплотехнический расчет отопления дома из газобетона.
8. Спецификация материалов и оборудования по котельной, отоплению, канализации и водоснабжению дома в с. Ямное Воронежской области.
Объем проекта отопления и водоснабжения дома в с. Ямное Воронежской области: 30 листов.
Описание проекта отопления, котельной и водоснабжения частного дома 104 м.кв. в с. Ямное Воронежской области.
Котельная частного дома в с. Ямное Воронежской области(проект котельной бесплатно).
o Размещена в отдельном помещении дома 104 м.кв.;
o Теплогенераторы - настенный газовый котел Baxi ECO Life, мощностью 24 кВт (основной) и настенный электрический котёл Baxi Ampera, мощностью 9 кВт (резервный);
o Контуры теплоснабжения котельной – радиаторное отопление дома, теплый пол дома и горячее водоснабжение, для которого предусмотрен накопительный бойлер Термекс, объемом 150 литров;
o Расширительные баки отопления и бойлера Flamco, объемом 18 и 12 литров, соответственно;
o Дымоудаление принудительное, дымоход коаксиальный, в исполнении "через кровлю";
o Распределительный коллектор не предусмотрен;
o Автоматика котельной – встроена в котлы.
Отопление дома в с. Ямное Воронежской области (проект отопления дома).
o Выполнен теплотехнический расчет отопления дома (утеплитель кровли дома - базальтовая вата 200мм) с учетом теплопотерь через ограждающие конструкции при наружной температуре -24°С для Воронежской области(по СП 131.13330.2020), расчетный расход тепла на отопление дома составил 7,68 кВт, удельные теплопотери 77,6 Вт/м.кв.;
o Подобраны приборы для отопления дома: стальные панельные радиаторы Kermi с нижним подключением;
o Схема радиаторного отопления основного и гостевого дома двухтрубная, коллекторно-лучевая, с принудительной циркуляцией теплоносителя и температурным графиком 80/60°С;
o Трубы отопления из сшитого полиэтилена Valtec;
o Теплоизоляция трубопроводов отопления Valtec, толщиной 6мм;
o Теплоноситель в системе радиаторного отопления дома – вода.
Водяной теплый пол дома в с. Ямное Воронежской области (проект теплого пола).
o Водяной теплый пол в доме предусмотрен на площади 98 м.кв., коллектор теплого пола Valtec на 10 отводов, всего 10 петель;
o Предусмотрен насосно-смесительный узел для теплоснабжения водяного теплого пола на контуре отопления;
o Трубопроводы теплого пола из сшитого полиэтилена Valtec;
o Регулирование температуры теплого пола - общее, регулятором на смесительном узле.
Внутренний водопровод дома в с. Ямное Воронежской области (проект водоснабжения).
o Схема внутреннего водоснабжения дома – коллекторно-лучевая с рециркуляцией горячей воды через коллектор, выполнен расчет 18-ти точек водоснабжения и полотенцесушителей;
o Трубопроводы системы водоснабжения – из сшитого полиэтилена Valtec;
o Теплоизоляция трубопроводов Valtec, толщиной 6мм.



















