Выполненные проекты
Проект отопления дома в Ульяновской области
Объект: частный дом из газобетона, общей площадью 112 м.кв., расположенный в ДНТ "Лесная поляна" Тереньгульского района Ульяновской области
Вариант отопления: «Комфортный+»
Цена проекта отопления и водоснабжения: 29 995 руб. со скидкой 10%, проект котельной - бесплатно.
Проект котельной, отопления и водоснабжения выполнен: 04.03.2026
Состав проекта котельной, отопления и водоснабжения дома в ДНТ "Лесная поляна" Ульяновской области:
1. Пояснительная записка проекта, общие данные по системам отопления и водоснабжения дома 112 м.кв. в ДНТ "Лесная поляна" Ульяновской области.
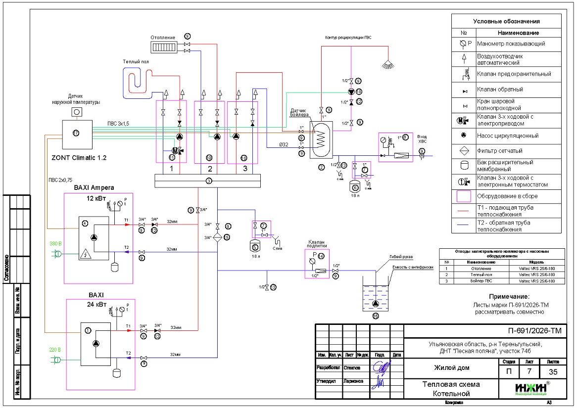
2. Тепломеханическая схема котельной с размещением оборудования в отдельном помещении дома из газобетона.
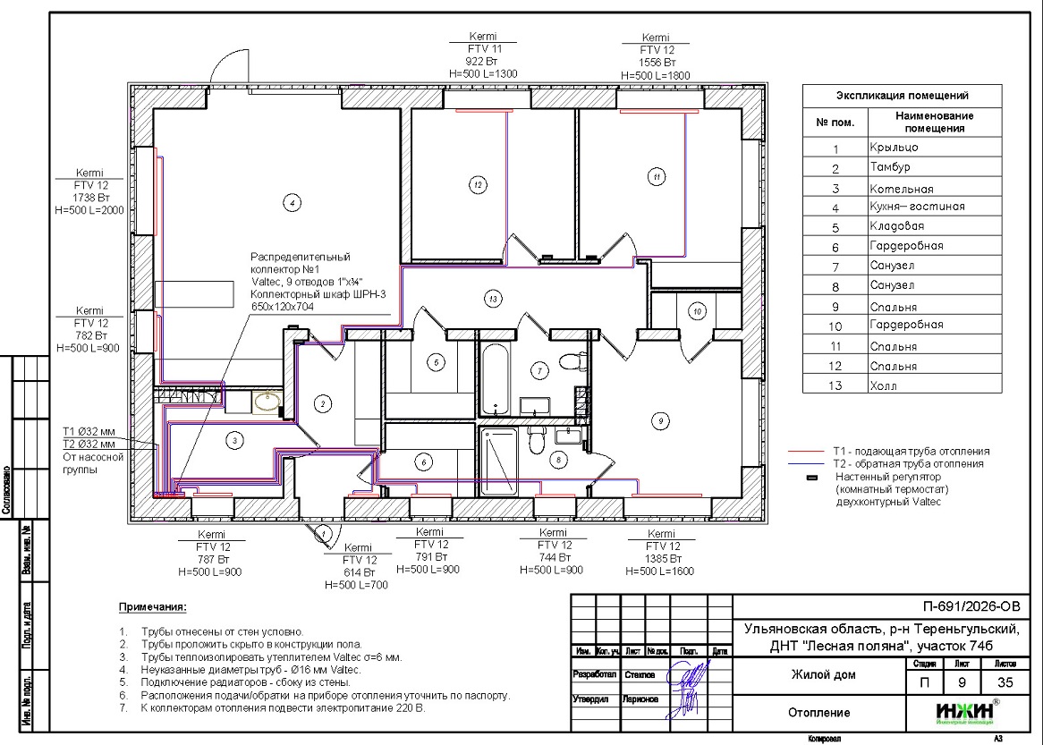
3. Комплект поэтажных чертежей радиаторного отопления дома в ДНТ "Лесная поляна" Ульяновской области.
4. Комплект чертежей теплого пола на площади 110 м.кв.
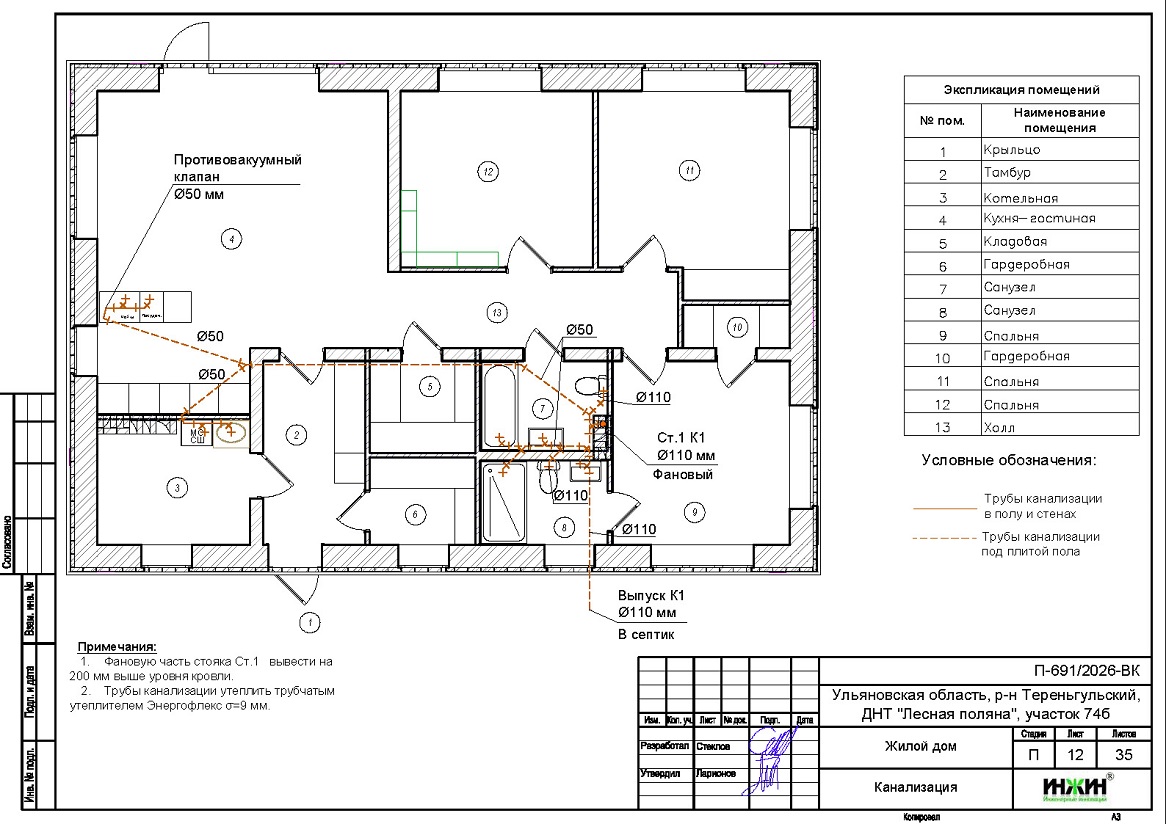
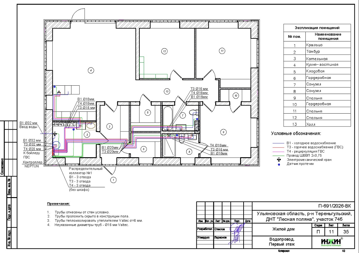
5. Комплект чертежей водоснабжения и канализации частного дома из газобетона в ДНТ "Лесная поляна" Ульяновской области.
6. Типовые схемы системы отопления канализации и водоснабжения дома 112 м.кв.
7. Теплотехнический расчет отопления дома из газобетона.
8. Спецификация материалов и оборудования по котельной, отоплению, канализации и водоснабжению дома в ДНТ "Лесная поляна" Ульяновской области.
Объем проекта отопления и водоснабжения дома в ДНТ "Лесная поляна" Ульяновской области: 35 листов.
Описание проекта отопления, котельной и водоснабжения частного дома 112 м.кв. в ДНТ "Лесная поляна" Ульяновской области.
Котельная частного дома в ДНТ "Лесная поляна" Ульяновской области(проект котельной бесплатно).
o Размещена в отдельном помещении дома 112 м.кв.;
o Теплогенераторы - настенный газовый котел Baxi ECO Four, мощностью 24 кВт (основной) и настенный электрический котёл Baxi Ampera, мощностью 12 кВт (резервный);
o Контуры теплоснабжения котельной – радиаторное отопление дома, теплый пол дома и горячее водоснабжение, для которого предусмотрен накопительный бойлер STOUT, объемом 150 литров;
o Расширительные баки отопления и бойлера Flamco, объемом 18 литров каждый;
o Дымоудаление естественное, дымоход из нержавеющей стали, в строительной шахте, диаметр 120 мм;
o Распределительный коллектор STOUT, со встроенной гидравлической стрелкой;
o Автоматика котельной – контроллер ZONT Climatic 1.2 со встроенным GSM-модулем.
Отопление дома в ДНТ "Лесная поляна" Ульяновской области (проект отопления дома).
o Выполнен теплотехнический расчет отопления дома (утеплитель кровли дома - базальтовая вата 200мм) с учетом теплопотерь через ограждающие конструкции при наружной температуре -33°С для Ульяновской области(по СП 131.13330.2020), расчетный расход тепла на отопление дома составил 15,4 кВт, удельные теплопотери 137,2 Вт/м.кв.;
o Подобраны приборы для отопления дома: стальные панельные радиаторы Kermi с нижним подключением;
o Схема радиаторного отопления основного и гостевого дома двухтрубная, коллекторно-лучевая, с принудительной циркуляцией теплоносителя и температурным графиком 80/60°С;
o Трубы отопления из сшитого полиэтилена Valtec;
o Теплоизоляция трубопроводов отопления Valtec, толщиной 6мм;
o Теплоноситель в системе радиаторного отопления дома – незамерзающая жидкость.
Водяной теплый пол дома в ДНТ "Лесная поляна" Ульяновской области (проект теплого пола).
o Водяной теплый пол в доме предусмотрен на площади 110 м.кв., коллектор теплого пола Valtec на 12 отводов, всего 12 петель;
o Предусмотрен насосно-смесительный узел для теплоснабжения водяного теплого пола (контур котельной);
o Трубопроводы теплого пола из сшитого полиэтилена Valtec;
o Регулирование температуры теплого пола - общее, регулятором на смесительном узле, а также зональное, по помещениям, при помощи электронных комнатных термостатов Valtec с Wi-Fi (обзор которых публиковали на нашем сайте в разделе новинок).
Внутренний водопровод дома в ДНТ "Лесная поляна" Ульяновской области (проект водоснабжения).
o Схема внутреннего водоснабжения дома – коллекторно-лучевая с рециркуляцией горячей воды через коллектор, выполнен расчет 16-ти точек водоснабжения и полотенцесушителей;
o Трубопроводы системы водоснабжения – из сшитого полиэтилена Valtec;
o Теплоизоляция трубопроводов Valtec, толщиной 6мм.
Внутренняя канализация (проект канализации) дома в ДНТ "Лесная поляна" Ульяновской области.
o Безнапорная, отвод стоков от санитарно-технических приборов предусмотрен в септик;
o Произведен расчет 10-и точек бытовой канализации;
o Канализационные трубы Синикон, раструбные.
Заказать в нашей компании проект отопления, водоснабжения и канализации загородного дома в Ульяновской области дистанционно со скидкой.
Для этого дома в Ульяновской области выполнен проект электрики.



















