Новости компании
Выполнен проект отопления для дома в Липецкой области
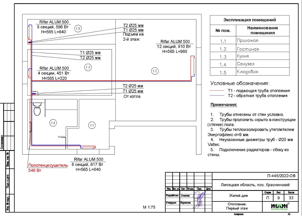
Для частного дома со стенами из газоблоков (утеплитель стен - минвата 50мм, кровли - минвата 250мм), общей площадью 119 м.кв., расположенного в п. Краснинский Липецкой обл., разработан проект котельной и отопления и водоснабжения, в котором, по заданию Заказчика, предусмотрены следующие основные технические решения:
- Вариант котельной и отопления «Комфортный», с водяным теплым полом и автоматикой котельной - встроенной в котел;
- Предусмотрен настенный газовый котел Лемакс Prime, мощностью 24 кВт;
- Предусмотрено два теплоснабжения – радиаторное отопление дома и теплый пол, горячее водоснабжение (второй контур котла);
- Выполнен расчет отопления, расход тепла на отопление дома составил 9,46 кВт, удельные теплопотери 76,7 Вт/м.кв.;
- Отопление дома предусмотрено по двухтрубной схеме с трубопроводами из полипропилена Valtec;
- Приборы для системы отопления дома - секционные алюминиевые радиаторы Rifar Alum с боковым подключением;
- Водяной теплый пол в доме предусмотрен на площади 54 м.кв., 6 петель;
- Произведен расчет 16-ти точек водоснабжения.
Стоимость проекта отопления и теплого пола дома в Липецкой области - 21 560 руб. со скидкой 10%, проект котельной бесплатно, объем проекта отопления 33 листа.
Подробное описание выполненного проекта котельной и отопления частного дома в Липецкой области.
Заказать проект отопления частного дома дистанционно.
10 февраля 2022 года
- Информация о материале
- Просмотров: 2345














