Выполненные проекты
Проект отопления дома в Липецкой области
Объект: двухэтажный частный дом из газоблоков, площадью 119 м.кв., расположенный в п. Краснинский Липецкой обл.
Вариант отопления: «Комфортный»
Цена проекта отопления, водоснабжения и теплого пола: 21 560 руб. со скидкой 10%, проект котельной - бесплатно.
Проект котельной и отопления выполнен: 08.02.2022
Состав проекта котельной и отопления дома в Липецкой области:
1. Пояснительная записка проекта, общие данные по системе отопления дома 119 м.кв. в Липецкой области.
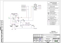
2. Тепломеханическая схема котельной с размещением оборудования в помещении кухни.
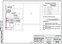
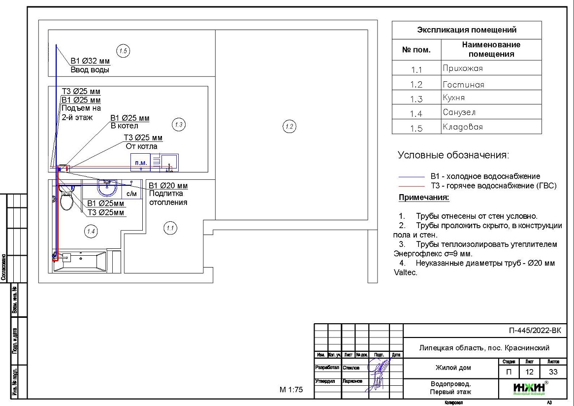
3. Комплект поэтажных чертежей радиаторного отопления дома в Липецкой области.
4. Комплект чертежей теплого пола на площади 54 м.кв.
5. Типовые схемы системы отопления дома 119 м.кв.
6. Теплотехнический расчет отопления дома из газоблоков.
7. Спецификация материалов и оборудования по котельной и отоплению дома в Липецкой области.
Объем проекта отопления дома: 33 листа.
Описание проекта отопления и котельной частного дома 119 м.кв. в Липецкой области.
Котельная частного дома в Липецкой области (проект котельной бесплатно).
o Размещена в помещении кухни дома 119 м.кв.;
o Теплогенератор - настенный газовый двухконтурный котел Лемакс Prime мощностью 24 кВт;
o Контуры теплоснабжения котельной – радиаторное отопление дома и теплый пол, горячее водоснабжение - вторым контуром котла;
o Расширительный бак отопления встроен в котел;
o Циркуляционный насос отопления встроен в котел;
o Распределительный коллектор в котельной не предусмотрен;
o Автоматика котельной – встроена в котел.
Отопление дома в Липецкой области (проект отопления дома).
o Выполнен теплотехнический расчет отопления дома из газоблоков (утеплитель стен - минвата 50мм, кровли - минвата 250мм) с учетом теплопотерь через ограждающие конструкции при наружной температуре -27°С для Липецкой климатической зоны (по СП 131.13330.2012), расчетный расход тепла на отопление дома составил 9,46 кВт, удельные теплопотери 76,7 Вт/м.кв.;
o Подобраны приборы для отопления дома: секционные алюминиевые радиаторы Rifar Alum с боковым подключением;
o Схема радиаторного отопления дома двухтрубная, с принудительной циркуляцией теплоносителя и температурным графиком 80/60°С;
o Трубы отопления из полипропилена Valtec;
o Теплоизоляция трубопроводов отопления Valtec Супер Протект, толщиной 6мм;
o Теплоноситель в системе радиаторного отопления дома – подготовленная вода, предусмотрены средства защиты от образования накипи в системе отопления.
Водяной теплый пол дома в Липецкой области (проект теплого пола).
o Водяной теплый пол в доме предусмотрен на площади 54 м.кв., всего 6 петель на первом этаже;
o Предусмотрен смесительный узел (на отоплении) GAPPO G1492 (с байпасом и обратным клапаном) для теплоснабжения водяного теплого пола дома;
o Трубопроводы теплого пола – GAPPO PEX-EVOH;
o Регулирование температуры теплого пола - общее, на смесительном узле.
Внутренний водопровод дома в Липецкой области (проект водоснабжения).
Схема внутреннего водоснабжения дома – тройниковая тупиковая без рециркуляции горячей воды, выполнен расчет 16-и точек водоснабжения, трубопроводы системы водоснабжения - армированный полипропилен Valtec.



















