Новости компании
Разработан проект отопления каркасного дома 110 м.кв.
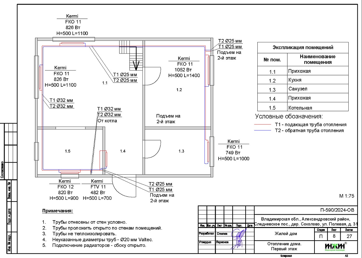
Для загородного каркасного дома (утеплитель стен, пола и кровли - минвата 100 мм), площадью 110 м.кв., расположенного в дер. Соколово Александровского района Владимирской области, выполнены проекты котельной и отопления.
В проекте отопления, по заданию Заказчика, предусмотрены следующие основные технические решения:
- Вариант отопления «Базовый», с системой управления котельной, встроенной в котел;
- Индивидуальная котельная с настенным газовым котлом Navien мощностью 16 кВт (в наличии);
- Контуры теплоснабжения дома – только отопление;
- Выполнен расчет отопления, расход тепла на отопление составил - 8,48 кВт, удельные теплопотери 83,3 Вт/м.кв.;
- Отопление дома в дер. Соколово Владимирской области предусмотрено по двухтрубной схеме, с трубопроводами из полипропилена Valtec;
- Приборы для системы отопления дома - стальные панельные радиаторы Kermi с боковым подключением;
- Водяной теплый пол проектом не предусмотрен.
Стоимость проекта отопления дома в дер. Соколово Владимирской области- 9 801 руб. со скидкой 10%, проект котельной бесплатно, объем проекта 27 листов.

10 октября 2024 года
- Информация о материале
- Просмотров: 3773














