Выполненные проекты
Отопление каркасного дома во Владимирской области, проект
Объект: частный двухэтажный каркасный дом, общей площадью 110 м.кв., расположенный в дер. Соколово Александровского района Владимирской области
Цена проекта отопления: 9 801 руб. со скидкой 10%, проект котельной - бесплатно.
Проект котельной и отопления выполнен: 09.10.2024
Состав проекта котельной, отопления дома в дер. Соколово Владимирской области.
1. Пояснительная записка проекта, общие данные по системе отопления дома 110 м.кв. в дер. Соколово Владимирской области.
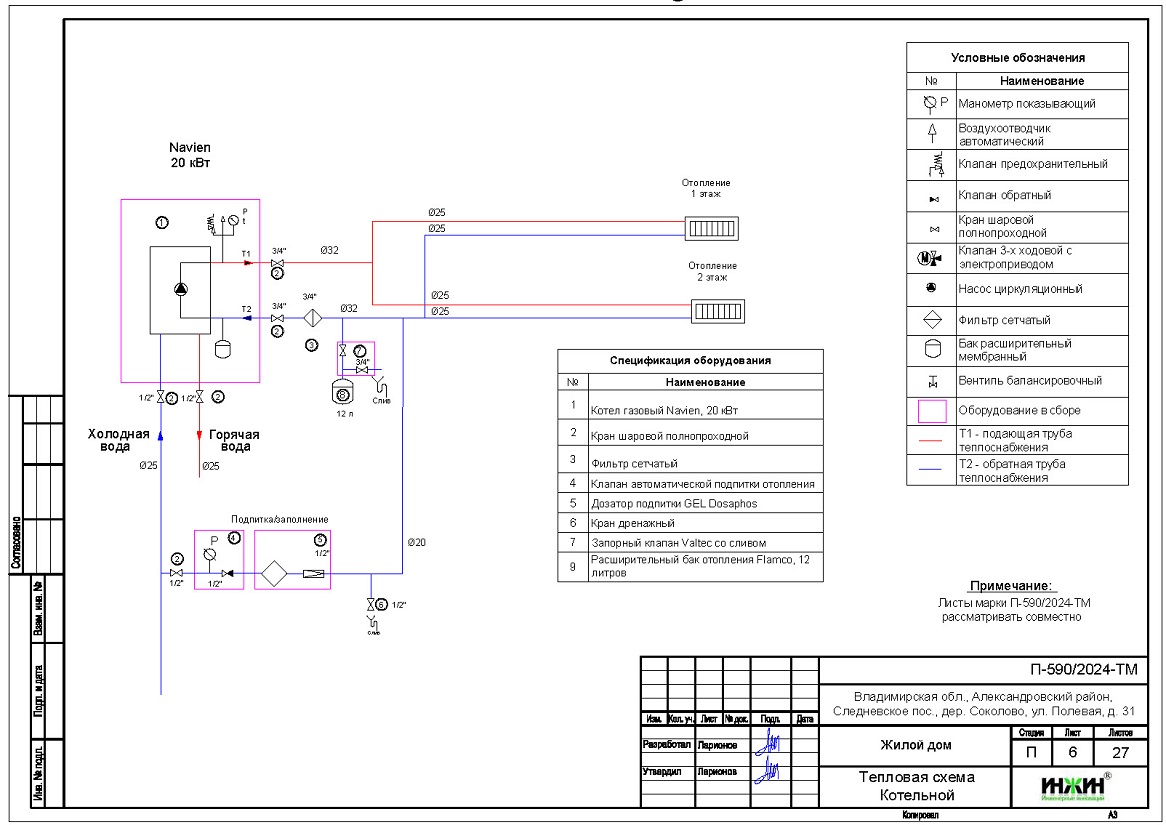
2. Тепломеханическая схема котельной с размещением оборудования в отдельном помещении каркасного дома.
3. Комплект поэтажных чертежей радиаторного отопления дома в дер. Соколово Владимирской области.
4. Типовые схемы системы отопления дома 110 м.кв.
5. Теплотехнический расчет отопления каркасного дома.
6. Спецификация материалов и оборудования по котельной и отоплению дома в дер. Соколово Владимирской области.
Объем проекта отопления дома в дер. Соколово Владимирской области: 27 листов.
Описание проекта отопления и котельной частного дома 110 м.кв. в дер. Соколово Владимирской области.
Котельная частного дома в дер. Соколово Владимирской области(проект котельной бесплатно).
o Размещена в отдельном помещении дома 110 м.кв.;
o Теплогенератор - настенный газовый котел Navienмощностью 16 кВт (в наличии);
o Контуры теплоснабжения котельной – радиаторное отопление дома;
o Расширительный бак отопления Flamco, объемом 12 литров;
o Дымоход коаксиальный, в исполнении "через стену";
o Распределительный коллектор в котельной не предусмотрен;
o Автоматика котельной встроена в котел.
Отопление дома в дер. Соколово Владимирской области (проект отопления дома).
o Выполнен теплотехнический расчет отопления каркасного дома (утеплитель стен, пола и кровли - каменная вата 100 мм) с учетом теплопотерь через ограждающие конструкции при наружной температуре -27°С для Владимирской области (по СП 131.13330.2012), расчетный расход тепла на отопление дома составил 8,48 кВт, удельные теплопотери 83,3 Вт/м.кв.;
o Подобраны приборы для отопления дома: стальные панельные радиаторы Kermiс боковым подключением;
o Схема радиаторного отопления дома двухтрубная, с принудительной циркуляцией теплоносителя и температурным графиком 80/60°С;
o Трубы отопления из полипропилена Valtec;
o Теплоизоляция трубопроводов отопления не предусмотрена;
o Теплоноситель в системе радиаторного отопления дома – подготовленная вода.
















