Выполненные проекты
Проект отопления дома в КП "Тишково Клаб"
Объект:двухэтажный частный дом из монолитного бетона, площадью 120 м.кв., расположенный в КП "Тишково Клаб" Пушкинского района Московской области
Цена проекта отопления, канализации и водоснабжения: 16 200 руб. со скидкой 10%, проект котельной - бесплатно.
Проект котельной, отопления, водоснабжения и канализации дома в КП "Тишково Клаб" выполнен: 15.08.2019
Состав проекта котельной, отопления, канализации и водоснабжения дома в КП "Тишково Клаб":
1. Пояснительная записка проекта, общие данные по системам отопления, канализации и водоснабжения дома 120 м.кв. в Московской области.
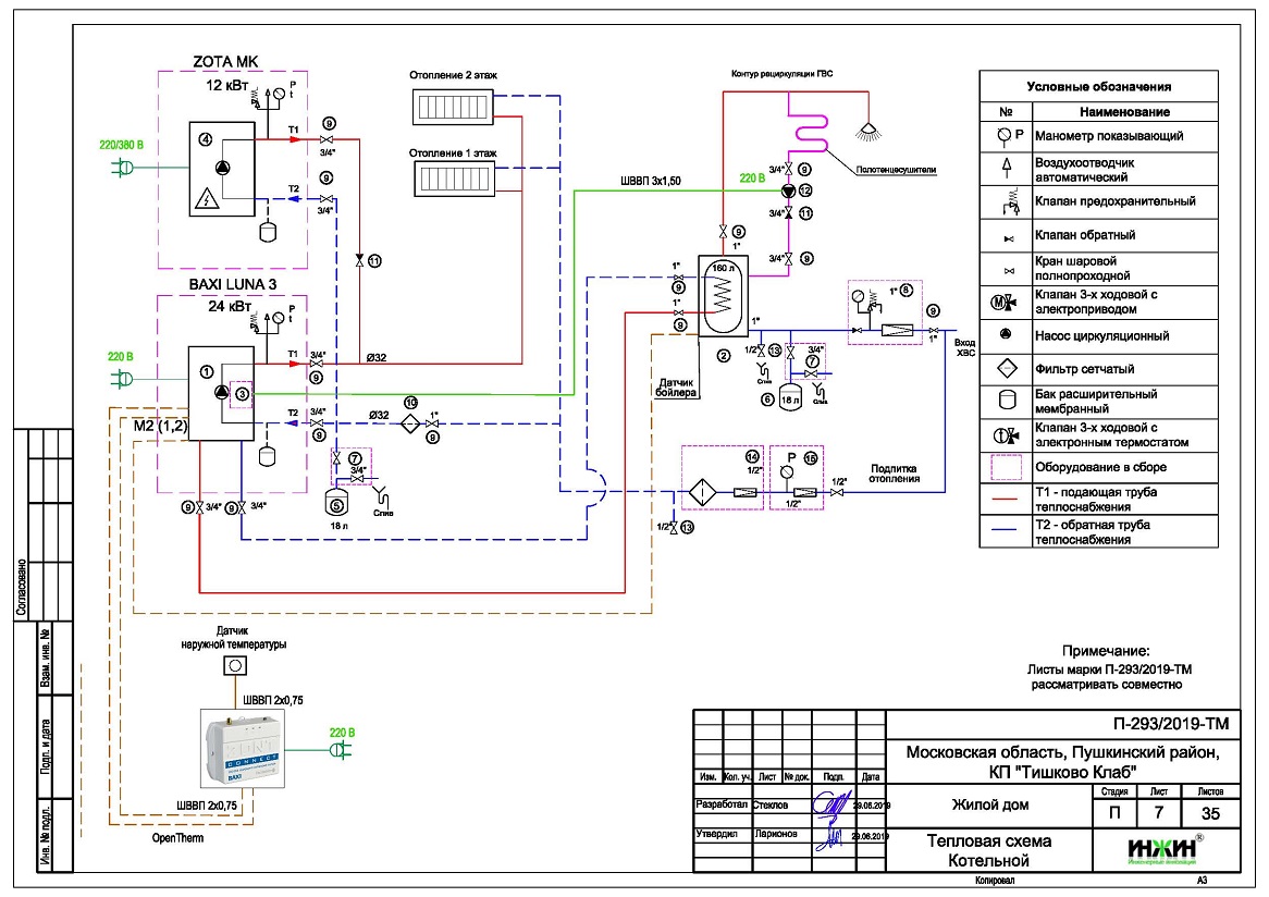
2. Тепломеханическая схема котельной с размещением оборудования в помещении 1-го этажа дома из бетона.
3. Комплект поэтажных чертежей радиаторного отопления дома в КП "Тишково Клаб".
4. Комплект чертежей водоснабжения и канализации частного дома из бетона.
5. Типовые схемы системы отопления канализации и водоснабжения дома 120 м.кв.
6. Теплотехнический расчет отопления дома из газобетонных блоков в КП "Тишково Клаб".
7. Спецификация материалов и оборудования по котельной, отоплению, канализации и водоснабжению дома в КП "Тишково Клаб".
Объем проекта отопления, канализации и водоснабжения дома из бетона: 35 листов.
Описание проекта отопления, котельной, канализации и водоснабжения частного дома 120 м.кв. в КП "Тишково Клаб".
Котельная частного дома в КП "Тишково Клаб"(проект котельной бесплатно).
o Размещена в помещении 1-го этажа дома 120 м.кв.;
o Теплогенераторы - основной, настенный газовый котел Baxi, мощностью 24 кВт, резервный, электрический котел ZOTA MK (мини-котельная), мощностью 9 кВт;
o Контуры теплоснабжения котельной – радиаторное отопление дома и горячее водоснабжение, для которого предусмотрен накопительный бойлер Baxi, объемом 160 литров;
o Расширительные баки отопления и бойлера Flamco, объемом 25 и 18 литров;
o Циркуляционный насос рециркуляции горячей воды Grundfos (отопления - встроены в котлы);
o Дымоудаление принудительное, дымоход коаксиальный, комплект Baxiдля прохода через кровлю, диаметр 80/125 мм;
o Распределительный коллектор - нет, подключение отопления и бойлера к вывода газового котла;
o Автоматика котельной – встроена в котел, с дополнительным GSM-термостатом ZONT H-1VB.
Автоматизация котельной и отопления (вариант «Базовый»).
o Автоматическое регулирование отопления по наружной температуре (погодное регулирование, встроено в котел);
o Дистанционный контроль работы газового котла отопления при помощи GSM-модуля и мобильного приложения ZONT.
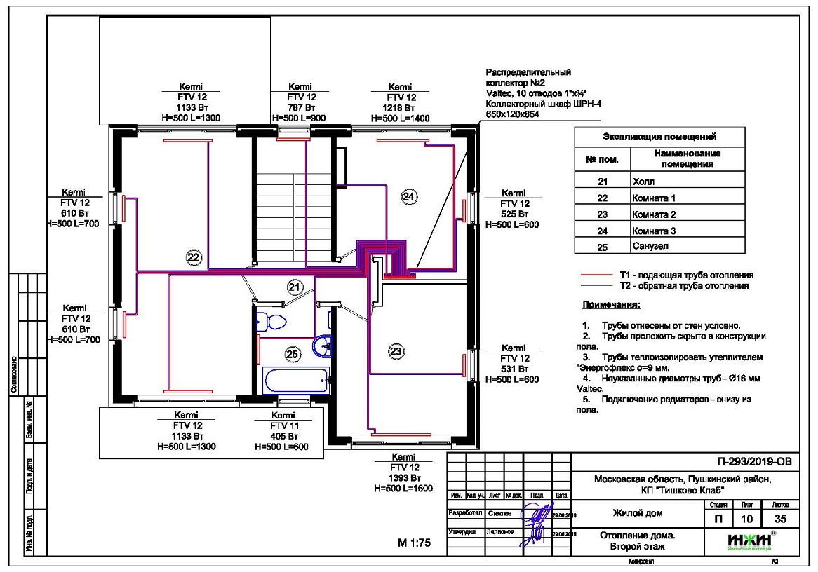
Отопление дома в КП "Тишково Клаб" (проект отопления дома).
o Выполнен теплотехнический расчет отопления дома из газобетонных блоков (утеплитель стен и кровли минвата, пола - пенополистирол, все по 100мм) с учетом теплопотерь через ограждающие конструкции при наружной температуре -28°С для Московской области (по СП 131.13330.2012), расчетный расход тепла на отопление дома составил 15,81 кВт, удельные теплопотери 118,9 Вт/м.кв.;
o Подобраны приборы для отопления дома: стальные панельные радиаторы KERMI с нижним подключением;
o Схема радиаторного отопления дома двухтрубная, коллекторно-лучевая, с принудительной циркуляцией теплоносителя и температурным графиком 80/60°С;
o Трубы отопления из металлопластика Valtec;
o Теплоизоляция трубопроводов отопления Энергофлекс, толщиной 9мм;
o Теплоноситель в системе радиаторного отопления дома – подготовленная вода, предусмотрены средства защиты от образования накипи.
Водяной теплый пол проектом не предусмотрен.
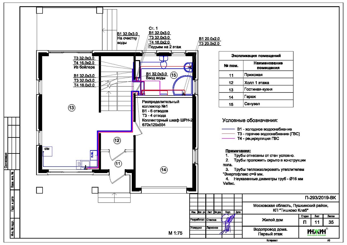
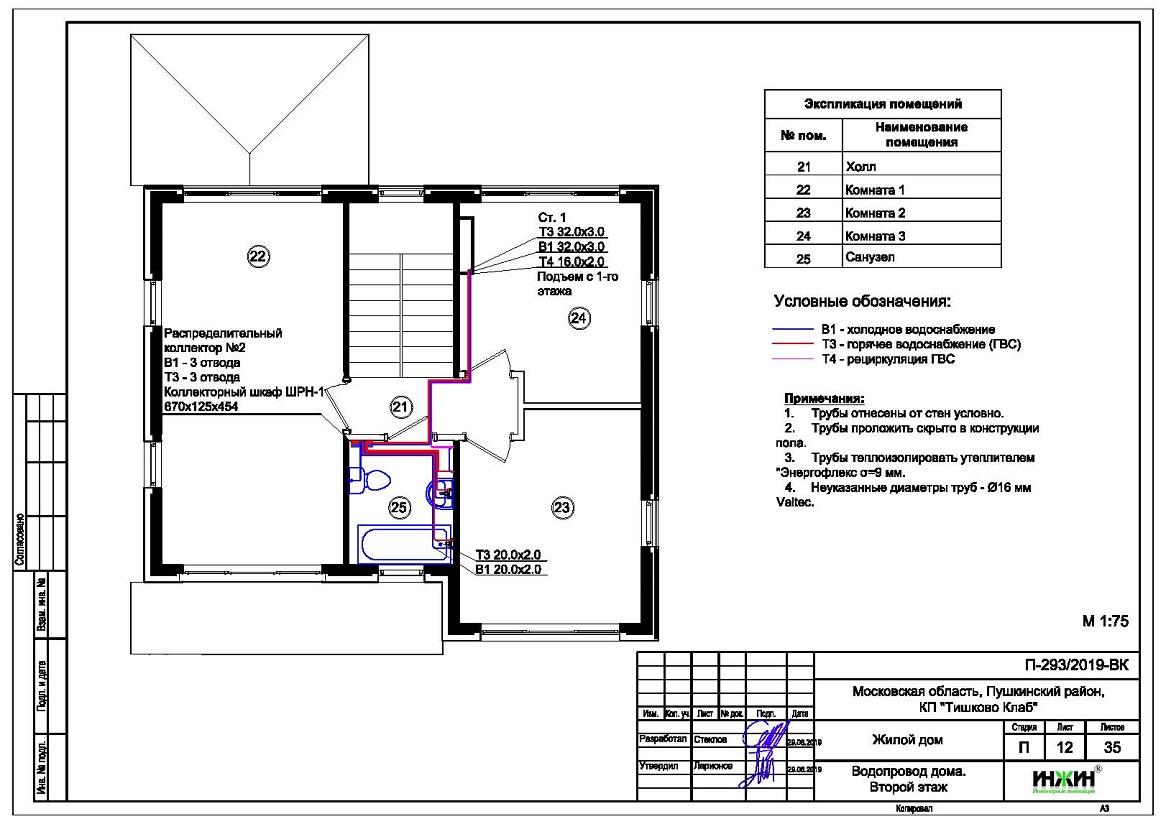
Внутренний водопровод дома в КП "Тишково Клаб" (проект водоснабжения).
o Схема внутреннего водоснабжения дома – коллекторно-лучевая, с рециркуляцией горячей воды через водяные полотенцесушители, выполнен расчет 18-ти точек водоснабжения и полотенцесушителей;
o Трубопроводы системы водоснабжения – из металлопластика Valtec;
o Теплоизоляция трубопроводов Энергофлекс Супер, толщиной 9мм.
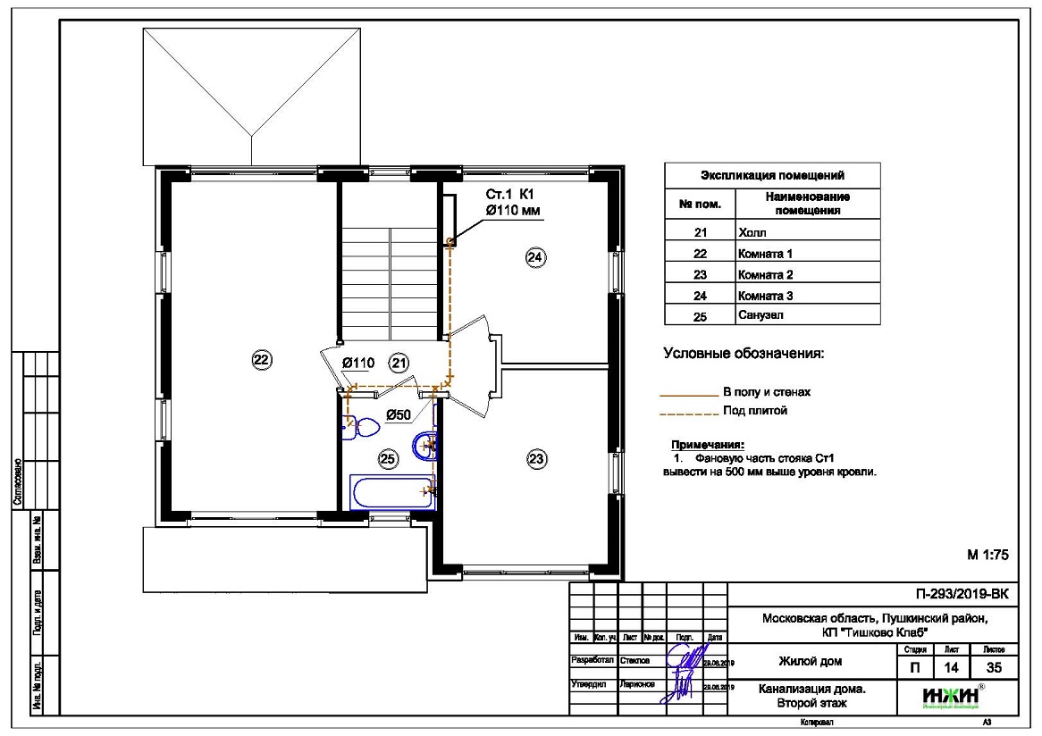
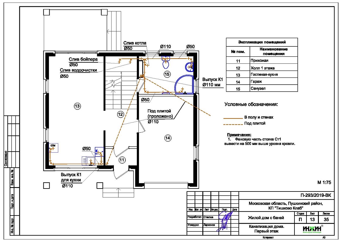
Внутренняя канализация (проект канализации) дома в КП "Тишково Клаб".
o Безнапорная, отвод стоков от санитарно-технических приборов предусмотрен в септик;
o Произведен расчет 12-ти точек бытовой канализации;
o Канализационные трубы Синикон, раструбные, из полипропилена.
Заказать в нашей компании проект отопления, водоснабжения и канализации загородного дома в Московской области со скидкой.
Для этого дома в КП "Тишково Клаб" выполнен проект электрики.






















