Выполненные проекты
Проект отопления дома из бревна в СНТ "Земля"
Объект: двухэтажный загородный дом из бревна в СНТ "Земля" Московской области, площадью 98 м.кв.
Цена проекта отопления деревянного дома: 6 615 руб. со скидкой 10%, проект котельной - бесплатно.
Проект котельной и отопления деревянного дома в СНТ "Земля" выполнен: 03.02.2020
Состав проекта котельной и отопления дома в СНТ "Земля":
1. Пояснительная записка проекта, общие данные по системе отопления дома 98 м.кв. в Московской области.
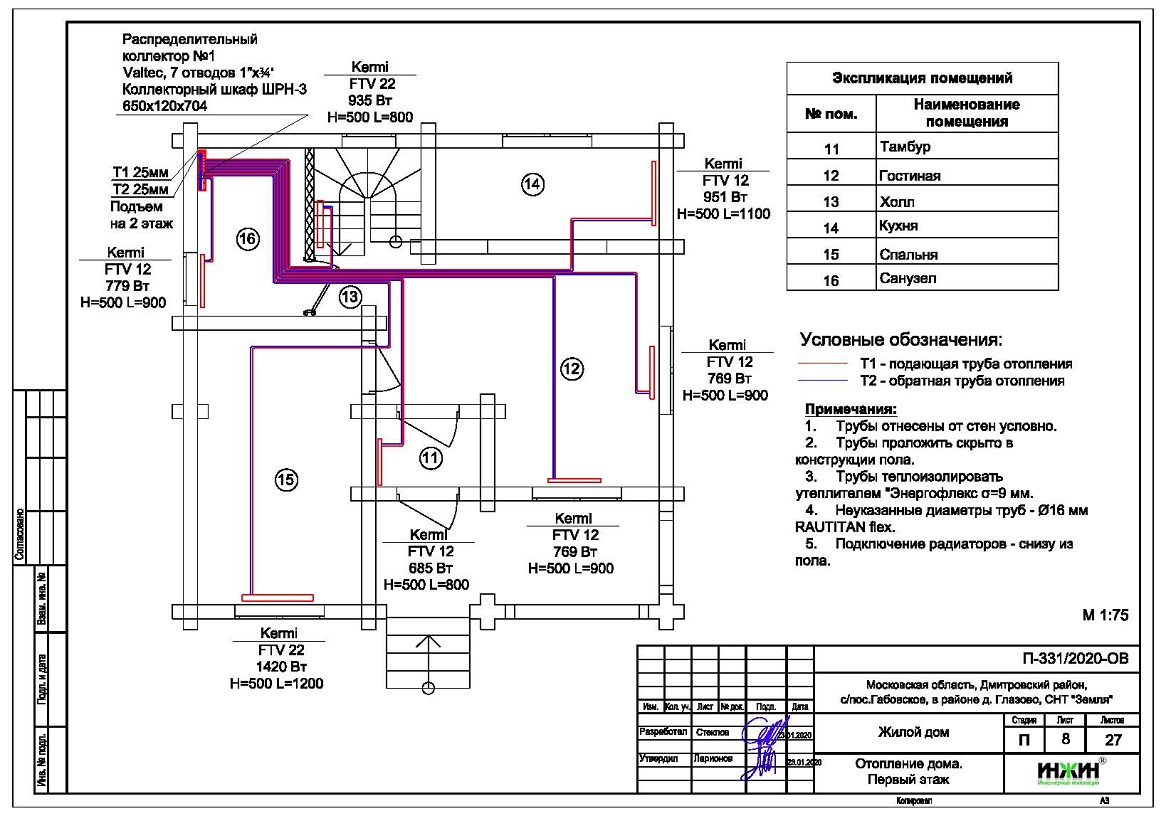
2. Тепломеханическая схема котельной с размещением оборудования в помещении 1-го этажа дома.
3. Комплект поэтажных чертежей радиаторного отопления дома в СНТ "Земля".
4. Типовые схемы системы отопления дома из бревна 98 м.кв.
5. Теплотехнический расчет отопления деревянного дома 98 м.кв.
6. Спецификация материалов и оборудования по котельной и отоплению дома в СНТ "Земля".
Объем проекта отопления деревянного дома: 27 листов.
Описание проекта отопления и котельной частного дома из бревна в СНТ "Земля".
Котельная частного дома в СНТ "Земля"(проект котельной бесплатно).
o Размещена в помещении 1-го этажа дома;
o Теплогенератор котельной - настенный электрический котел ZOTA MK, мощностью 12 кВт;
o Контуры теплоснабжения котельной – радиаторное отопление дома, подключение к котлу;
o Расширительный бак отопления - встроен в котел;
o Циркуляционный насос отопления - встроен в котел;
o Автоматика котельной – встроена в котел.
Отопление дома в СНТ "Земля" (проект отопления деревянного дома).
o Выполнен теплотехнический расчет отопления дома из бревна(утеплитель кровли - минеральная вата 200мм, пола - минвата 200мм) с учетом теплопотерь через ограждающие конструкции при наружной температуре -28°С для Московской области (по СП 131.13330.2012), расчетный расход тепла на отопление составил 10,8 кВт, удельные теплопотери 108,5 Вт/м.кв.;
o Подобраны приборы для отопления дома: стальные панельные радиаторы KERMI с нижним подключением (из пола);
o Схема радиаторного отопления дома двухтрубная, коллекторно-лучевая, с принудительной циркуляцией теплоносителя и температурным графиком 80/60°С, коллекторы отопления Rehau, на 7 и 4 овода;
o Трубы отопления из сшитого полиэтилена Rehau;
o Теплоизоляция трубопроводов отопления Энергофлекс, толщиной 9мм;
o Теплоноситель в системе радиаторного отопления дома – подготовленная вода, предусмотрены средства защиты от образования накипи.
Водяной теплый пол проектом не предусмотрен.


















