Выполненные проекты
Отопление дома 231 м.кв. в КП "Павловы Озера", проект
Объект: двухэтажный загородный дом из газобетонных блоков, площадью 231 м.кв., расположенный в КП "Павловы Озера" Московской области.
Вариант отопления: «Комфортный»
Цена проекта отопления, канализации и водоснабжения: 31 185 руб. со скидкой 10%, проект котельной - бесплатно.
Проект котельной, отопления, водоснабжения и канализации выполнен: 11.01.2021
Состав проекта котельной, отопления, канализации и водоснабжения дома в КП "Павловы Озера":
1. Пояснительная записка проекта, общие данные по системам отопления, канализации и водоснабжения дома 231 м.кв. в КП "Павловы Озера".
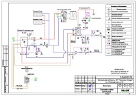
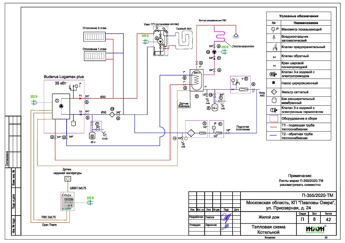
2. Тепломеханическая схема котельной с размещением оборудования в отдельном помещении дома из газобетонных блоков.
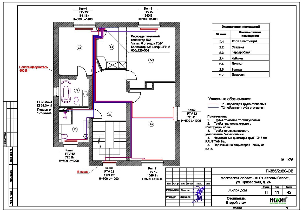
3. Комплект поэтажных чертежей радиаторного отопления дома в КП "Павловы Озера".
4. Комплект чертежей теплого пола на площади 26 м.кв.
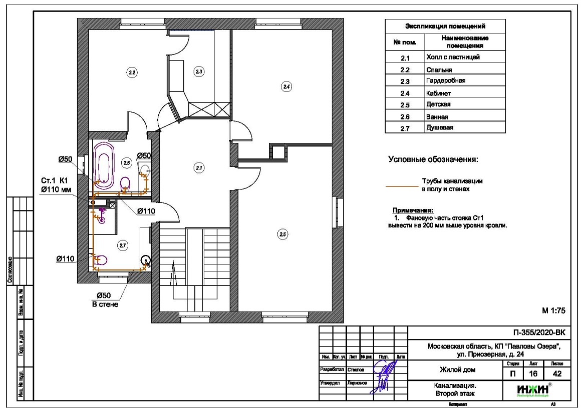
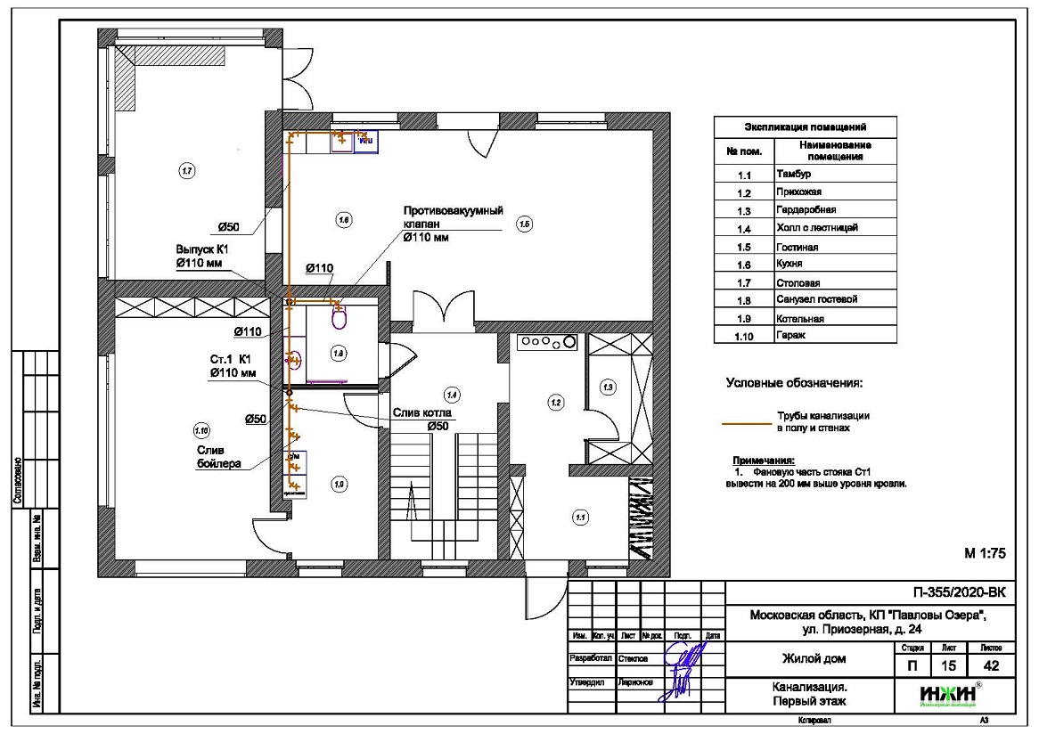
5. Комплект чертежей водоснабжения и канализации частного дома из газобетонных блоков в КП "Павловы Озера".
6. Типовые схемы системы отопления канализации и водоснабжения дома 231 м.кв.
7. Теплотехнический расчет отопления дома из газобетонных блоков.
8. Спецификация материалов и оборудования по котельной, отоплению, канализации и водоснабжению дома в КП "Павловы Озера".
Объем проекта отопления, канализации и водоснабжения дома в КП "Павловы Озера": 42 листа.
Описание проекта отопления, котельной, канализации и водоснабжения частного дома 231 м.кв. в КП "Павловы Озера".
Котельная частного дома в КП "Павловы Озера"(проект котельной бесплатно).
o Размещена в отдельном помещении дома 231 м.кв.;
o Теплогенератор - настенный газовый котел Buderus, мощностью 35 кВт (в наличии);
o Контуры теплоснабжения котельной – радиаторное отопление дома, теплый пол и горячее водоснабжение, для которого предусмотрен накопительный бойлер Buderus, объемом 200 литров (подключение к котлу);
o Расширительные баки отопления и бойлера Flamco, объемом 25 и 18 литров соответственно;
o Дымоудаление принудительное, дымоход коаксиальный, через кровлю (выполнен на объекте);
o Распределительный коллектор не предусмотрен;
o Автоматика котельной – встроена в котел с дополнительным GSM-модулем.
Отопление дома в КП "Павловы Озера" (проект отопления дома).
o Выполнен теплотехнический расчет отопления дома из газобетонных блоков (утеплитель кровли - минеральная вата Rockwool, 200мм, стен - минвата Технофас 100мм) с учетом теплопотерь через ограждающие конструкции при наружной температуре -28°С для Московской области (по СП 131.13330.2012), расчетный расход тепла на отопление дома составил 19,19 кВт, удельные теплопотери 95,8 Вт/м.кв.;
o Подобраны приборы для отопления дома: стальные панельные радиаторы KERMI с нижним подключением, в вентильном исполнении;
o Схема радиаторного отопления дома двухтрубная, коллекторно-лучевая, с принудительной циркуляцией теплоносителя и температурным графиком 80/60°С;
o Трубы отопления из сшитого полиэтилена Rehau;
o Теплоизоляция трубопроводов отопления Энергофлекс, толщиной 9мм;
o Теплоноситель в системе радиаторного отопления дома – подготовленная вода, предусмотрены средства защиты от образования накипи.
Водяной теплый пол дома в КП "Павловы Озера" (проект теплого пола).
o Водяной теплый пол в доме предусмотрен на площади 26 м.кв., коллектор теплого пола Valtec на 4 петли;
o Предусмотрен насосно-смесительный узел для теплоснабжения водяного теплого пола дома (VT.COMBI, с термоголовкой и насосом Valtec 25/6-180);
o Трубопроводы теплого пола – сшитый полиэтилен Rehau;
o Регулирование температуры теплого пола - общее, термоголовкой на смесительном узле.
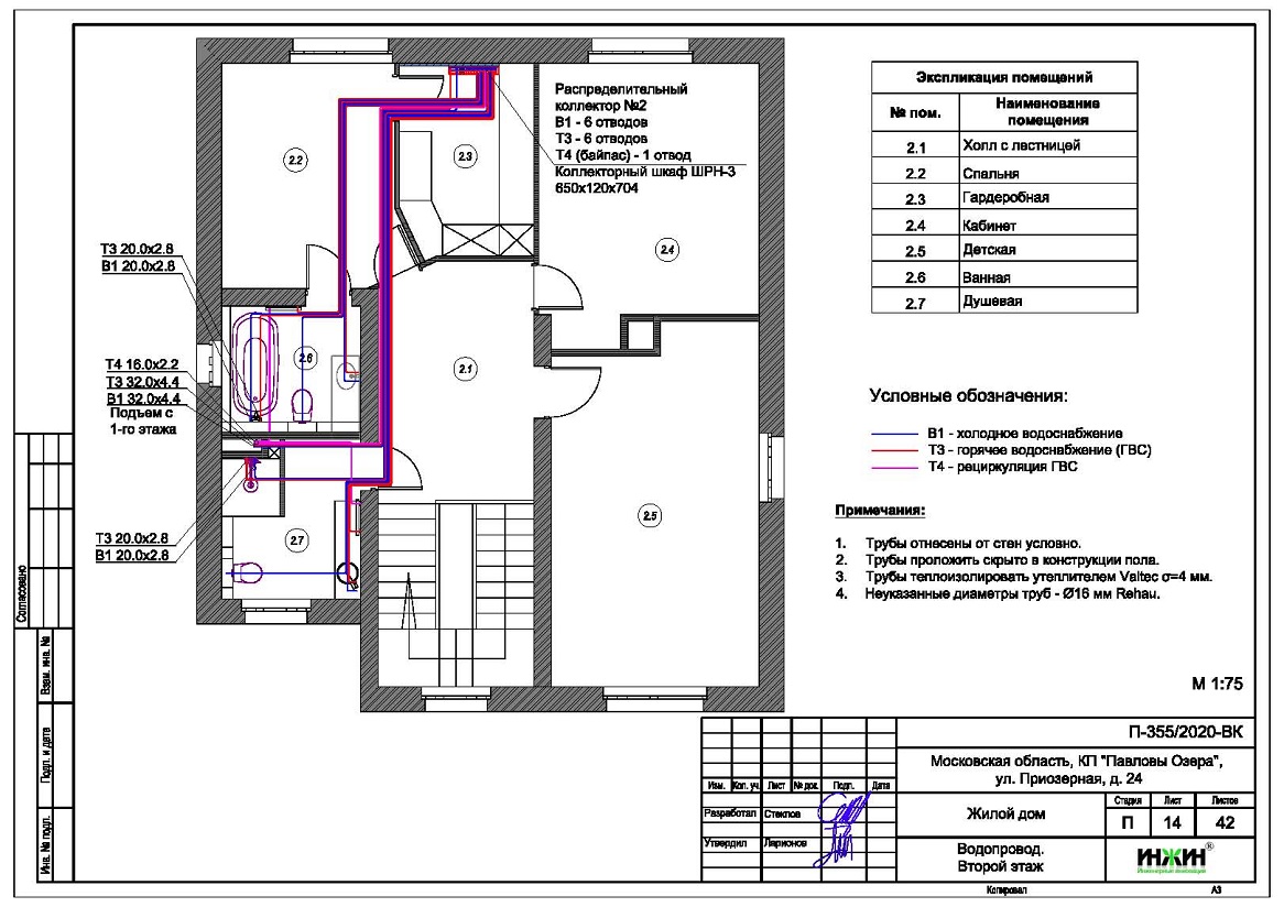
Внутренний водопровод дома в КП "Павловы Озера" (проект водоснабжения).
o Схема внутреннего водоснабжения дома – коллекторно-лучевая с рециркуляцией горячей воды через водяные полотенцесушители, выполнен расчет 26-и точек водоснабжения и полотенцесушителей;
o Трубопроводы системы водоснабжения – из сшитого полиэтилена Rehau;
o Теплоизоляция трубопроводов Энергофлекс Супер, толщиной 9мм;
o Для летнего водопровода предусмотрен незамерзающий кран Meibes SEPP-Eis.
Внутренняя канализация (проект канализации) дома в КП "Павловы Озера".
o Безнапорная, отвод стоков от санитарно-технических приборов предусмотрен в септик;
o Произведен расчет 14-ти точек бытовой канализации;
o Канализационные трубы Синикон, раструбные, из полипропилена.
Заказать в нашей компании проект отопления, водоснабжения и канализации загородного дома дистанционно со скидкой.
По этому проекту выполнен монтаж систем отопления, водоснабжения и канализации для дома в КП "Павловы Озера".






















