Выполненные проекты
Отопление дома 200 м.кв. в Игумново, проект
Объект: двухэтажный загородный дом из газобетонных блоков, площадью 200 м.кв., расположенный в с.Игумново Раменского района Московской области
Вариант отопления: «Комфортный»
Цена проекта отопления и теплого пола: 19 908 руб. со скидкой 10%, проект котельной - бесплатно.
Проект котельной и отопления выполнен: 15.3.2021
Состав проекта котельной и отопления дома в с.Игумново:
1. Пояснительная записка проекта, общие данные по системе отопления дома 200 м.кв. в Московской области.
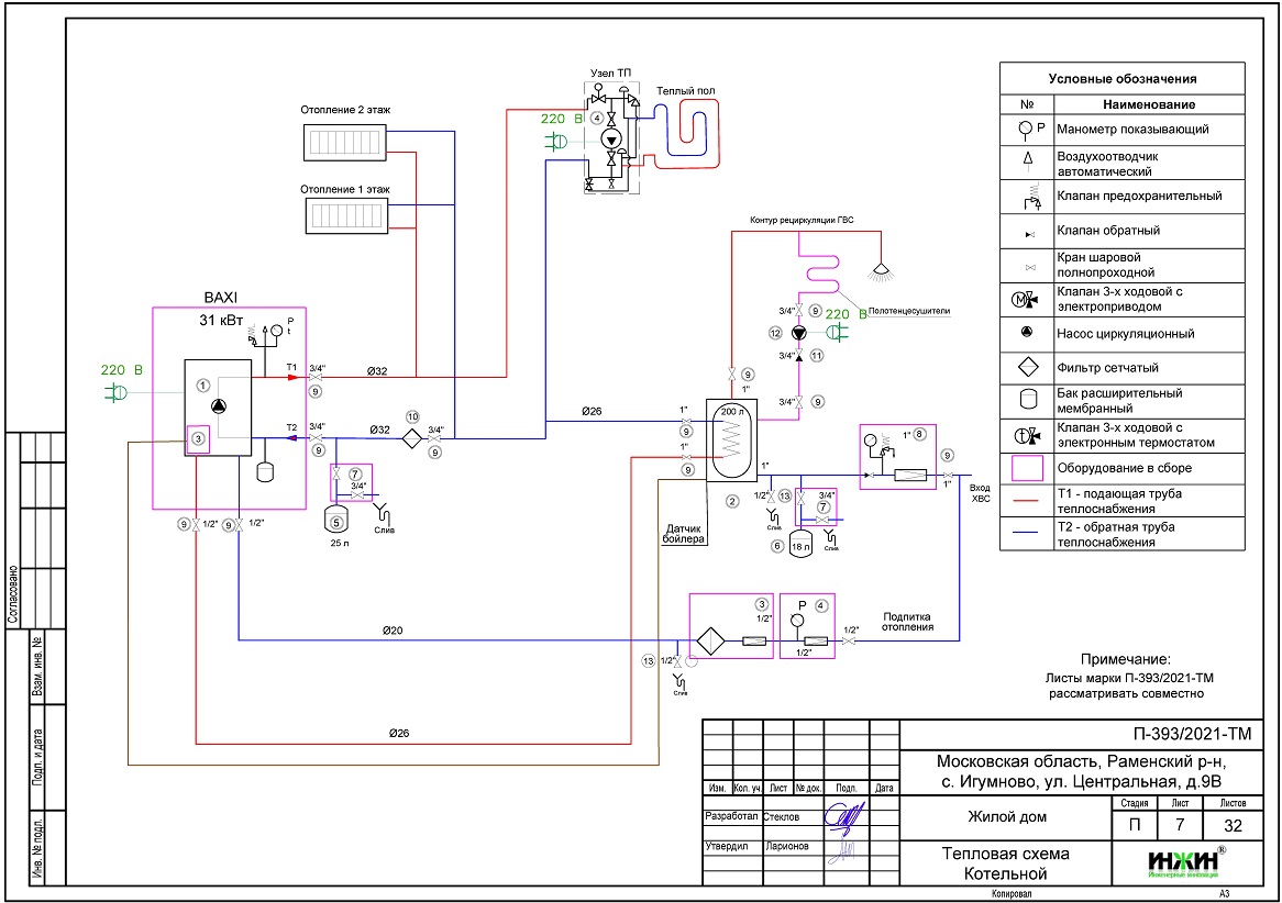
2. Тепломеханическая схема котельной с размещением оборудования в отдельном помещении дома из газоблоков.
3. Комплект поэтажных чертежей радиаторного отопления дома в с.Игумново.
4. Комплект чертежей теплого пола на площади 89 м.кв.
5. Типовые схемы системы отопления дома 200 м.кв.
6. Теплотехнический расчет отопления дома из газобетонных блоков.
7. Спецификация материалов и оборудования по котельной и отоплению дома в с.Игумново.
Объем проекта отопления и водоснабжения дома: 32 листа.
Описание проекта отопления и котельной частного дома 200 м.кв. в с.Игумново.
Котельная частного дома в с.Игумново (проект котельной бесплатно).
o Размещена в отдельном помещении дома 200 м.кв.;
o Теплогенератор - настенный газовый котел Baxi LUNA-3 Comfort, мощностью 31 кВт;
o Контуры теплоснабжения котельной – радиаторное отопление дома, теплый пол и горячее водоснабжение, для которого предусмотрен накопительный бойлер Baxi, объемом 200 литров (подключение к коллектору котлу);
o Расширительные баки отопления и бойлера Flamco, объемом 25 и 18 литров соответственно;
o Циркуляционный насос отопления и бойлера встроен в котел;
o Дымоудаление принудительное, предусмотрен комплект раздельного дымохода Baxi в строительной шахте, диаметр 80/80 мм;
o Распределительный коллектор в котельной не предусмотрен;
o Автоматика котельной – встроена в котел.
Отопление дома в с.Игумново (проект отопления дома).
o Выполнен теплотехнический расчет отопления дома из газобетонных блоков (утеплитель кровли - минеральная вата URSA, 100мм) с учетом теплопотерь через ограждающие конструкции при наружной температуре -28°С для Московской области (по СП 131.13330.2012), расчетный расход тепла на отопление дома составил 17,6 кВт, удельные теплопотери 85,6 Вт/м.кв.;
o Подобраны приборы для отопления дома: биметаллические секционные радиаторы Rifar с боковым подключением;
o Схема радиаторного отопления дома двухтрубная, коллекторно-лучевая, с принудительной циркуляцией теплоносителя и температурным графиком 80/60°С;
o Трубы отопления из сшитого полиэтилена Rehau;
o Теплоизоляция трубопроводов отопления Энергофлекс, толщиной 9мм;
o Теплоноситель в системе радиаторного отопления дома – подготовленная вода, предусмотрены средства защиты от образования накипи в системе отопления.
Водяной теплый пол дома в с.Игумново (проект теплого пола).
o Водяной теплый пол в доме предусмотрен на площади 89 м.кв., коллектор теплого пола Valtec на 12 отводов;
o Предусмотрен отдельный контур котельной для теплоснабжения водяного теплого пола дома (насосно-смесительный узел на системе отопления);
o Трубопроводы теплого пола – Rehau;
o Регулирование температуры теплого пола - общее, на смесительном узле.



















