Выполненные проекты
Проект отопления дома 121 м.кв.
Объект: частный дом из пеноблоков общей площадью 121 м.кв. в с.Воскресенское Ногинского района Московской области
Цена проекта отопления, канализации и водоснабжения: 25 047 руб. со скидкой 10%, проект котельной - бесплатно.
Проект котельной, отопления, водоснабжения и канализации выполнен: 08.04.2021
Состав проекта котельной, отопления, канализации и водоснабжения дома в с.Воскресенское:
1. Пояснительная записка проекта, общие данные по системам отопления, канализации и водоснабжения дома 121 м.кв. в с.Воскресенское.
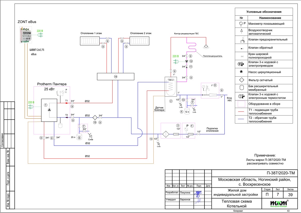
2. Тепломеханическая схема котельной с размещением оборудования в отдельном помещении дома из пеноблоков.
3. Комплект поэтажных чертежей радиаторного отопления дома в с.Воскресенское.
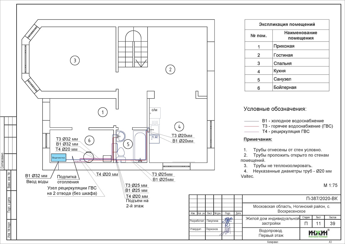
4. Комплект чертежей водоснабжения и канализации частного дома из пеноблоков в с.Воскресенское.
5. Типовые схемы системы отопления канализации и водоснабжения дома 121 м.кв.
6. Теплотехнический расчет отопления дома из пеноблоков.
7. Спецификация материалов и оборудования по котельной, отоплению, канализации и водоснабжению дома в с.Воскресенское.
Объем проекта отопления, канализации и водоснабжения дома в с.Воскресенское: 39 листов.
Описание проекта отопления, котельной, канализации и водоснабжения частного дома 121 м.кв. в с.Воскресенское.
Котельная частного дома в с.Воскресенское(проект котельной бесплатно).
o Размещена в отдельном помещении дома 121 м.кв.;
o Теплогенератор - настенный газовый котел Protherm Панера, мощностью 25 кВт;
o Контуры теплоснабжения котельной – радиаторное отопление дома и горячее водоснабжение, для которого предусмотрен накопительный бойлер Protherm, объемом 150 литров (подключение к котлу);
o Расширительные баки отопления и бойлера Flamco, объемом 18 и 12 литров соответственно;
o Распределительный коллектор не предусмотрен;
o Автоматика котельной – встроена в котел с дополнительным GSM-модулем.
Отопление дома в с.Воскресенское (проект отопления дома).
o Выполнен теплотехнический расчет отопления дома из пеноблоков (утеплитель кровли - минеральная вата, 50мм) с учетом теплопотерь через ограждающие конструкции при наружной температуре -28°С для Московской области (по СП 131.13330.2012), расчетный расход тепла на отопление дома составил 16,96 кВт, удельные теплопотери 117,3 Вт/м.кв.;
o Подобраны приборы для отопления дома: стальные панельные радиаторы KERMI с боковым подключением;
o Схема радиаторного отопления дома двухтрубная, с принудительной циркуляцией теплоносителя и температурным графиком 80/60°С;
o Трубы отопления из армированного полипропилена Valtec PP ALUX;
o Теплоизоляция трубопроводов отопления не предусмотрена;
o Теплоноситель в системе радиаторного отопления дома – вода.
Внутренний водопровод дома в с.Воскресенское (проект водоснабжения).
o Схема внутреннего водоснабжения дома – тройниковая, с рециркуляцией горячей воды, выполнен расчет 18-ти точек водоснабжения;
o Трубопроводы системы водоснабжения – из армированного полипропилена Valtec PP ALUX;
o Теплоизоляция трубопроводов не предусмотрена.
Внутренняя канализация (проект канализации) дома в с.Воскресенское.
o Безнапорная, отвод стоков от санитарно-технических приборов предусмотрен в септик;
o Произведен расчет 11-ти точек бытовой канализации;
o Канализационные трубы Синикон, раструбные, из полипропилена.
Для этого дома в с.Воскресенское выполнен проект электрики.






















