Выполненные проекты
Отопление дома 329 м.кв. в КП "Новые Вешки", проект
Объект: трехэтажный загородный дом из газобетонных блоков, площадью 329 м.кв., расположенный в КП "Новые Вешки" Московской области.
Вариант отопления: «Комфортный»
Цена проекта отопления, канализации и водоснабжения: 74 367 руб. со скидкой 10%, проект котельной - бесплатно.
Проект котельной, отопления, водоснабжения и канализации выполнен: 16.04.2021
Состав проекта котельной, отопления, канализации и водоснабжения дома в КП "Новые Вешки":
1. Пояснительная записка проекта, общие данные по системам отопления, канализации и водоснабжения дома 329 м.кв. в КП "Новые Вешки".
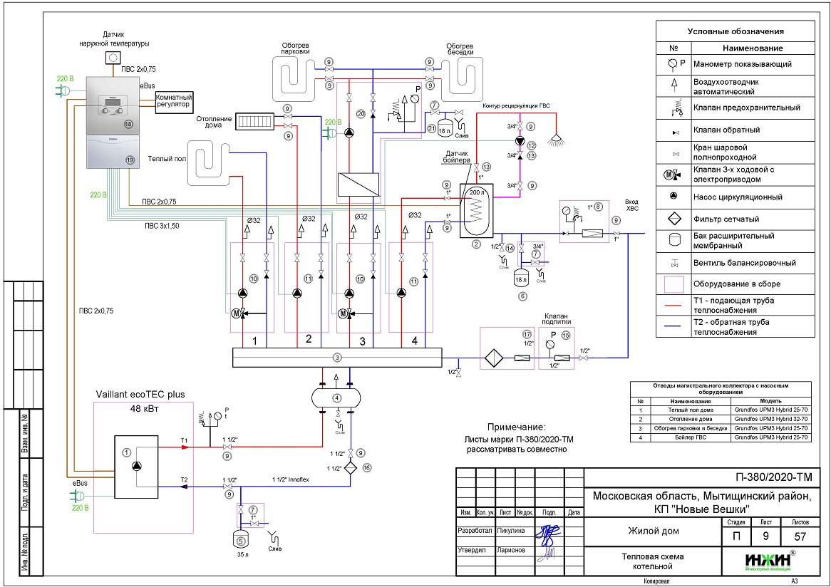
2. Тепломеханическая схема котельной с размещением оборудования в отдельном помещении дома из газобетонных блоков.
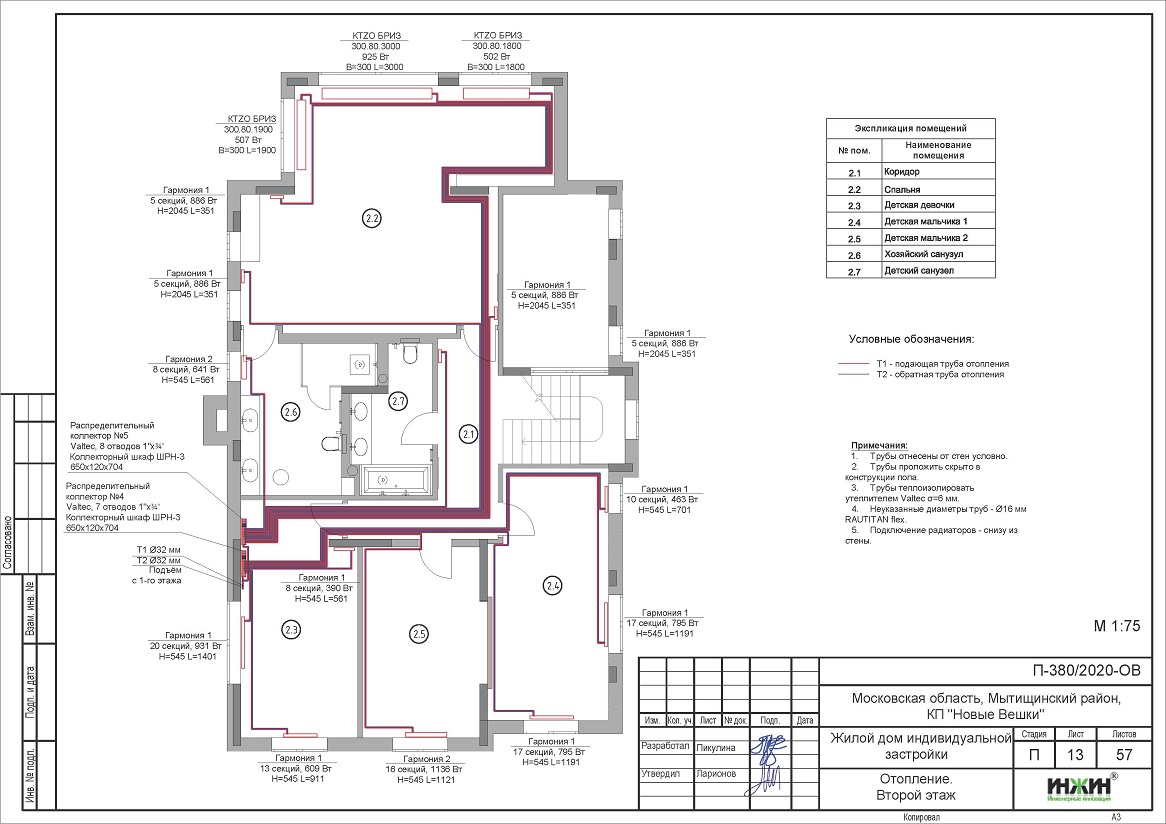
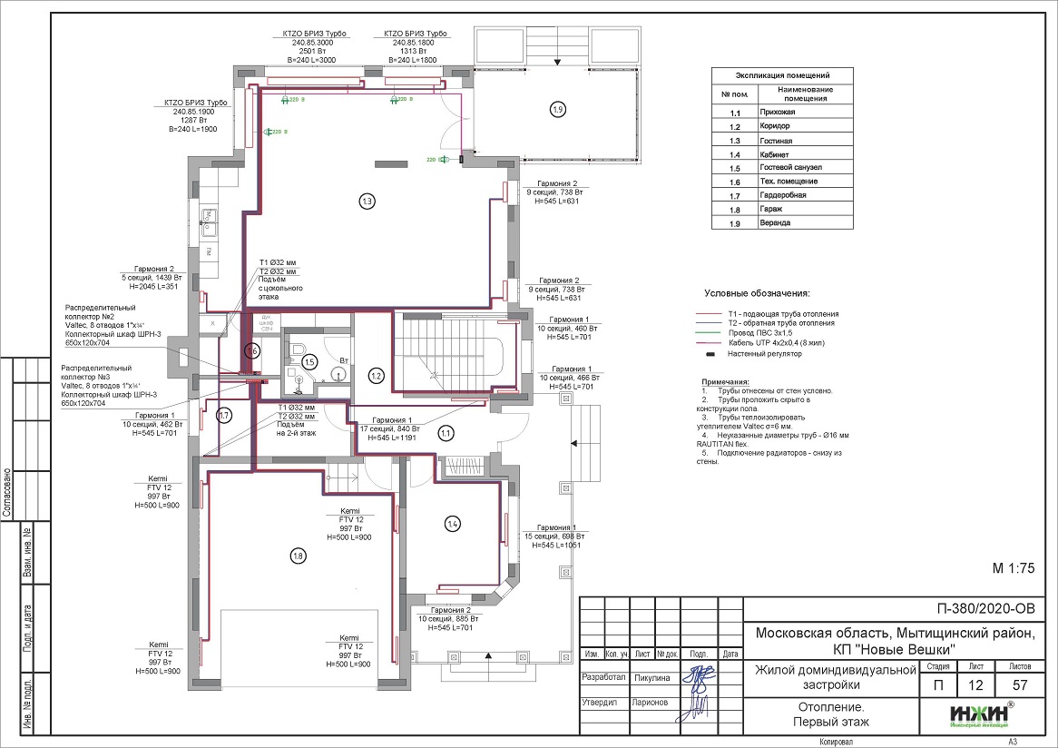
3. Комплект поэтажных чертежей радиаторного отопления дома в КП "Новые Вешки".
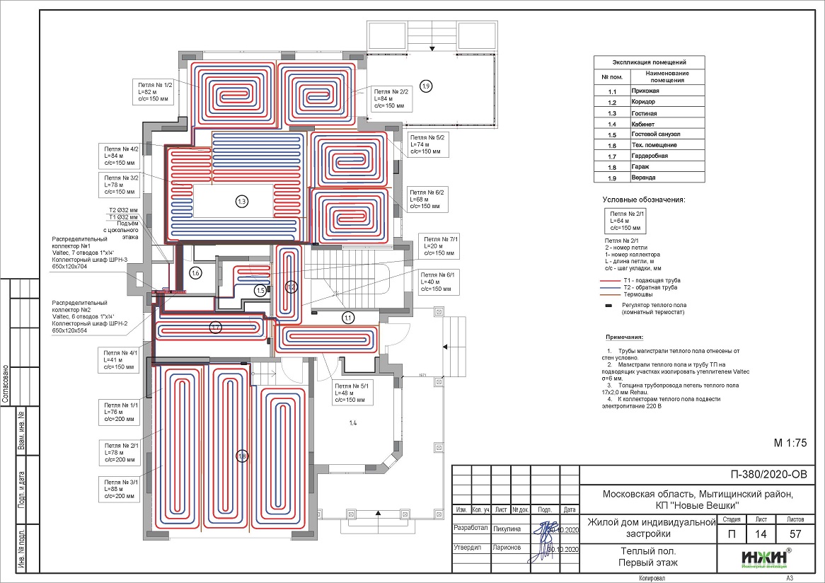
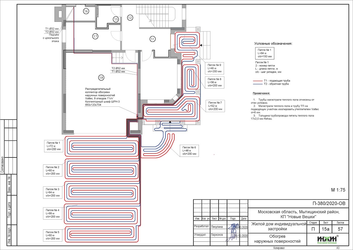
4. Комплект чертежей теплого пола на площади 156 м.кв.
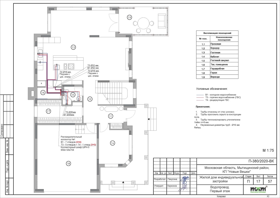
5. Комплект чертежей водоснабжения и канализации частного дома из газобетонных блоков в КП "Новые Вешки".
6. Типовые схемы системы отопления канализации и водоснабжения дома 329 м.кв.
7. Теплотехнический расчет отопления дома из газобетонных блоков.
8. Спецификация материалов и оборудования по котельной, отоплению, канализации и водоснабжению дома в КП "Новые Вешки".
Объем проекта отопления, канализации и водоснабжения дома в КП "Новые Вешки": 57 листов.
Описание проекта отопления, котельной, канализации и водоснабжения частного дома 329 м.кв. в КП "Новые Вешки".
Котельная частного дома в КП "Новые Вешки"(проект котельной бесплатно).
o Размещена в отдельном помещении цокольного этажа дома 329 м.кв.;
o Теплогенератор - настенный газовый котел Vaillant ecoTEС, мощностью 48 кВт (в наличии);
o Контуры теплоснабжения котельной – радиаторное отопление дома, теплый пол, обогрев наружных поверхностей и горячее водоснабжение, для которого предусмотрен накопительный бойлер Vaillant, объемом 200 литров (подключение к коллектору);
o Расширительные баки отопления и бойлера Flamco, объемом 35 и 18 литров соответственно;
o Дымоудаление принудительное, дымоход коаксиальный, через кровлю (выполнен на объекте);
o Распределительный коллектор Meibes с насосными группами;
o Автоматика котельной – блок Vaillant calorMatic 630 с дополнительным смесительным модулем.
Отопление дома в КП "Новые Вешки" (проект отопления дома).
o Выполнен теплотехнический расчет отопления дома из газобетонных блоков (утеплитель кровли - минеральная вата Rockwool, 300мм (по чердаку), стен - минвата 150мм) с учетом теплопотерь через ограждающие конструкции при наружной температуре -28°С для Московской области (по СП 131.13330.2012), расчетный расход тепла на отопление дома составил 32,9 кВт, удельные теплопотери 100,2 Вт/м.кв.;
o Подобраны приборы для отопления дома: стальные панельные радиаторы KERMI с нижним подключением, в вентильном исполнении, стальные трубчатые радиаторы "Гармония" и встроенные в пол конвекторы "БРИЗ Турбо" (КЗТО);
o Схема радиаторного отопления дома двухтрубная, коллекторно-лучевая, с принудительной циркуляцией теплоносителя и температурным графиком 80/60°С;
o Трубы отопления из сшитого полиэтилена Rehau;
o Теплоизоляция трубопроводов отопления Энергофлекс, толщиной 9мм;
o Теплоноситель в системе радиаторного отопления дома – подготовленная вода, предусмотрены средства защиты от образования накипи.
Водяной теплый пол дома в КП "Новые Вешки" (проект теплого пола), включая обогрев наружных поверхностей.
o Водяной теплый пол в доме и обогрев крыльца и площадки предусмотрен на площади 156 м.кв., коллекторы теплого пола Valtec на 2, 7 и 9 отводов, всего 18 петель;
o Предусмотрено два контура котельной - для теплого пола дома и для обогрева наружных поверхностей, с раздельным теплообменником (заполнение контура незамерзающей жидкостью);
o Трубопроводы теплого пола – сшитый полиэтилен Rehau;
o Регулирование температуры теплого пола - общее, на смесительных узлах котельной.
Внутренний водопровод дома в КП "Новые Вешки" (проект водоснабжения).
o Схема внутреннего водоснабжения дома – коллекторно-лучевая с рециркуляцией горячей воды через водяные полотенцесушители, выполнен расчет 32-х точек водоснабжения и полотенцесушителей;
o Трубопроводы системы водоснабжения – из сшитого полиэтилена Rehau;
o Теплоизоляция трубопроводов Энергофлекс Супер, толщиной 9мм;
o Для летнего водопровода предусмотрен незамерзающий кран Meibes SEPP-Eis.
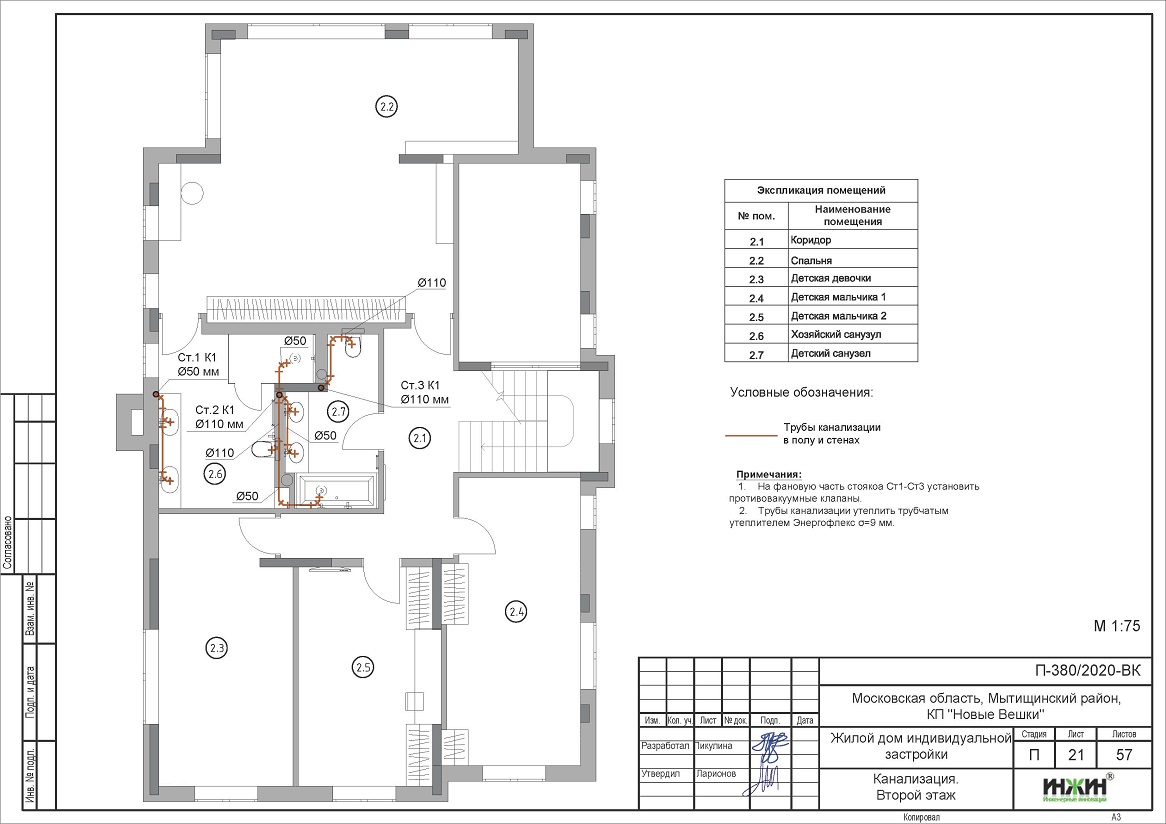
Внутренняя канализация (проект канализации) дома в КП "Новые Вешки".
o Комбинированная, безнапорная, с напорным участком в цокольном этаже, отвод стоков от санитарно-технических приборов предусмотрен в септик;
o Произведен расчет 18-ти точек бытовой канализации, предусмотрена КНС Grundfos Sololift2 C-3;
o Канализационные трубы Синикон, раструбные, из полипропилена.






















